Previous Next

HEATING AND AIR CONDITIONING

Blower Motor

REMOVAL & INSTALLATION

Pickup
  1. Remove the heater assembly.
  2. Remove the five screws and separate the halves of the heater assembly.
  3. Loosen the fan retaining nut. Lightly tap on the nut to loosen the fan. Remove the fan and nut from the motor shaft.

    Fig. 1: Blower unit components

  4. Remove the three motor-to-case retaining screws and disconnect the bullet connector to the resistor and ground screw.
  5. Rotate the motor and remove it from the case.

    To install:

  6. Install the motor in the case, rotating it slightly.
  7. Install the retaining screws and connect the bullet connector and ground wire.
  8. Install the fan on the shaft and install the nut.
  9. Assemble the halves together and install the five retaining screws.
  10. Install the heater in the trucks. Check the operation of the heater.
MPV
FRONT

Fig. 2: Front blower motor assembly

  1. Remove the passenger's side lower panel and lower cover.
  2. Disconnect the wiring at the motor connector.
  3. Remove the mounting nuts and lift out the blower motor.
  4. Installation is the reverse of removal.
REAR

Fig. 3: Rear blower unit components

  1. Disconnect the battery ground.
  2. Set the rear heater temperature control knob to WARM.
  3. Drain the engine coolant.
  4. Remove the driver's seat.
  5. Disconnect the heater hoses at the core tubes.
  6. Disconnect the wiring at the connector.
  7. Remove the mounting bolts and lift out the heater case.
  8. Remove the mounting screws and lift out the blower motor.
  9. Installation is the reverse of removal. Replace any damaged sealer.
Navajo

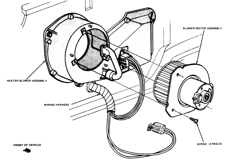
Fig. 4: Exploded view of the blower motor mounting

WITHOUT AIR CONDITIONING
  1. Disconnect the negative battery cable.
  2. Remove the air cleaner or air inlet duct, as necessary.
  3. Remove the 2 screws attaching the vacuum reservoir to the blower assembly and remove the reservoir.

    Fig. 5: To remove the blower motor, first disconnect the electrical wire harness plug . . .

    Fig. 6: . . . then remove the blower motor cooling tube from the motor

  4. Disconnect the wire harness connector from the blower motor by pushing down on the connector tabs and pulling the connector off of the motor.
  5. Disconnect the blower motor cooling tube at the blower motor.

    Fig. 7: Remove the blower motor attaching screws and the washer fluid reservoir . . .

    Fig. 8: . . . then slide the blower motor from the housing. Take care to not damage the blower wheel (arrow)

  6. Remove the 3 screws attaching the blower motor and wheel to the heater blower assembly.
  7. Holding the cooling tube aside, pull the blower motor and wheel from the heater blower assembly and remove it from the vehicle.
  8. Remove the blower wheel push-nut or clamp from the motor shaft and pull the blower wheel from the motor shaft.

    To install:

  9. Install the blower wheel on the blower motor shaft.
  10. Install the hub clamp or push-nut.
  11. Holding the cooling tube aside, position the blower motor and wheel on the heater blower assembly and install the 3 attaching screws.
  12. Connect the blower motor cooling tube and the wire harness connector.
  13. Install the vacuum reservoir on the hoses with the 2 screws.
  14. Install the air cleaner or air inlet duct, as necessary.
  15. Connect the negative battery cable and check the system for proper operation.
WITH AIR CONDITIONING
  1. Disconnect the negative battery cable.
  2. In the engine compartment, disconnect the wire harness from the motor by pushing down on the tab while pulling the connection off at the motor.
  3. Remove the air cleaner or air inlet duct, as necessary.
  4. Remove the solenoid box cover retaining bolts and the solenoid box cover, if equipped.
  5. Disconnect the blower motor cooling tube from the blower motor.
  6. Remove the 3 blower motor mounting plate attaching screws and remove the motor and wheel assembly from the evaporator assembly blower motor housing.
  7. Remove the blower motor hub clamp from the motor shaft and pull the blower wheel from the shaft.

    To install:

  8. Install the blower motor wheel on the blower motor shaft and install a new hub clamp.
  9. Install a new motor mounting seal on the blower housing before installing the blower motor.
  10. Position the blower motor and wheel assembly in the blower housing and install the 3 attaching screws.
  11. Connect the blower motor cooling tube.
  12. Connect the electrical wire harness hardshell connector to the blower motor by pushing into place.
  13. Position the solenoid box cover, if equipped, into place and install the 3 retaining screws.
  14. Install the air cleaner or air inlet duct, as necessary.
  15. Connect the negative battery cable and check the blower motor in all speeds for proper operation.

Previous Next