Previous Next

Heater Core

REMOVAL & INSTALLATION

Pickup
  1. Remove the heater from the truck.
  2. Remove the five screws and separate the halves of the case.
  3. Loosen the hose clamps and slide the heater core from the case.
  4. Slide the replacement core into the case. at the same time, connect the core tube to the water valve tube with the short hose and clamps.
  5. Assemble the halves of the heater and install the five screws.
  6. Install the heater in the truck. Check the operation of the heater.
MPV
FRONT

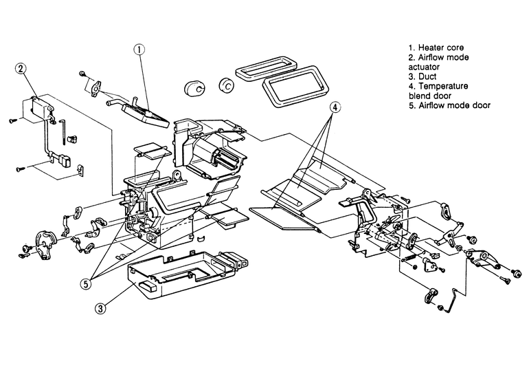
Fig. 1: Heater unit components

  1. Drain the engine cooling system.
  2. Remove the instrument panel. See the procedure, below.
  3. Disconnect the heater hoses at the core tubes.
  4. Unbolt and remove the instrument panel brace.
  5. Support the heater case and remove the mounting nuts.
  6. Carefully lift off the case and remove it from the van. Be Careful! There will be a substantial amount of coolant left in the core.
  7. Lift out the heater core.
  8. Installation is the reverse of removal. Use new sealer around the case and core. Refill the cooling system. Check for leaks.
REAR
  1. Disconnect the battery ground.
  2. Set the rear heater temperature control knob to WARM.
  3. Drain the engine coolant.
  4. Remove the driver's seat.
  5. Disconnect the heater hoses at the core tubes.
  6. Disconnect the wiring at the connector.
  7. Remove the mounting bolts and lift out the heater case.
  8. Separate the case halves and lift out the core.
  9. Installation is the reverse of removal. Replace any damaged sealer.
Navajo
  1. Disconnect the negative battery cable. Allow the engine to cool down. Drain the cooling system.

    CAUTION
    When draining the coolant, keep in mind that cats and dogs are attracted by the ethylene glycol antifreeze, and are quite likely to drink any that is left in an uncovered container or in puddles on the ground. This will prove fatal in sufficient quantity. Always drain the coolant into a sealable container. Coolant should be reused unless it is contaminated or several years old.

  2. Disconnect the heater hoses from the heater core tubes and plug hoses.
  3. In the passenger compartment, remove the five screws attaching the heater core access cover to the plenum assembly and remove the access cover.

    Fig. 2: From inside the engine compartment, disconnect the heater hoses from the core fittings . . .

    Fig. 3: . . . then, in the passenger compartment, remove the under dash cover retaining screws . . .

    Fig. 4: . . . and allow the cover to drop down. If necessary, you can remove the cover if it is in your way

    Fig. 5: Remove the heater core access panel attaching screws . . .

    Fig. 6: . . . then remove the cover by pulling downward and straight back to disengage the drain tube (arrow)

    Fig. 7: Pull the heater core rearward and down to remove it from the plenum assembly

  4. Pull the heater core rearward and down, removing it from the plenum assembly.

    To install:

  5. Position the heater core and seal in the plenum assembly.
  6. Install the heater core access cover to the plenum assembly and secure with five screws.
  7. Install the heater hoses to the heater core tubes at the dash panel in the engine compartment. Do not over-tighten hose clamps.
  8. Check the coolant level and add coolant as required. Connect the negative battery cable.
  9. Start the engine and check the system for coolant leaks.

Previous Next