1. Remove the rear auto leveling sensor.
(See AUTO LEVELING SENSOR REMOVAL/INSTALLATION.)
2. Remove the rear stabilizer.
(See REAR STABILIZER REMOVAL/INSTALLATION.)
3. Remove the charcoal canister.
(See CHARCOAL CANISTER REMOVAL/INSTALLATION [ZJ, Z6, LF].)
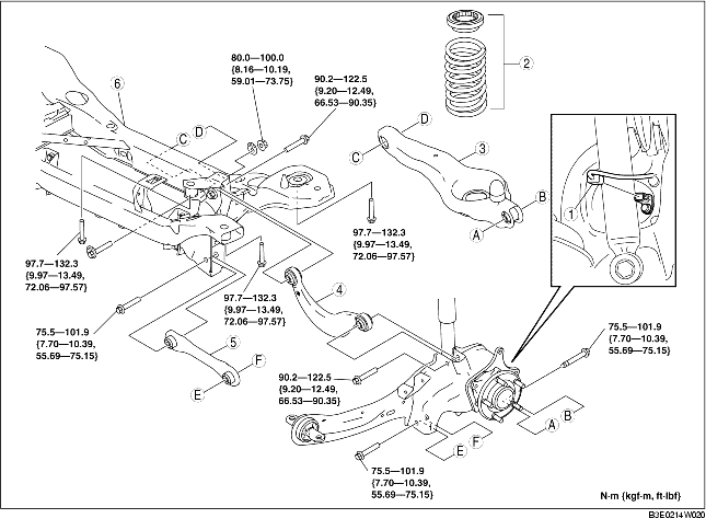
4. Remove in the order indicated in the table.
5. Install in the reverse order of removal.
6. Inspect the wheel alignment and adjust it if necessary.
(See REAR WHEEL ALIGNMENT.)

.
|
1
|
ABS wheel-speed sensor wiring harness connector
|
|
2
|
Rear coil spring
|
|
3
|
Rear lower arm
|
|
4
|
Rear upper arm
|
|
5
|
Rear lateral link
|
|
6
|
Rear crossmember
|
1. Support the rear crossmember with the jack and remove the bolt.
2. Remove the rear crossmember.