1. Remove the battery cover. (See BATTERY REMOVAL/INSTALLATION [ZJ, Z6].)
2. Disconnect the negative battery cable.
3. Remove the battery, battery tray and battery box. (See BATTERY REMOVAL/INSTALLATION [ZJ, Z6].)
4. Remove the air cleaner component. (See INTAKE-AIR SYSTEM REMOVAL/INSTALLATION [ZJ, Z6].)
5. Remove the EGR pipe.
6. Remove the front tires and splash shield.
7. Remove the under cover.
8. Drain the ATF. (See AUTOMATIC TRANSAXLE FLUID (ATF) REPLACEMENT.)
9. Remove in the order indicated in the table.
10. Install in the reverse order of removal.
11. Add ATF to the specified level. (See AUTOMATIC TRANSAXLE FLUID (ATF) REPLACEMENT.)
12. Perform the mechanical system test. (See MECHANICAL SYSTEM TEST.)

.
|
1
|
Input/turbine speed sensor connector
|
|
2
|
VSS connector
|
|
3
|
GND wiring harness
|
|
4
|
Transaxle connector
|
|
5
|
TR switch connector
|
|
6
|
GND wiring harness
|
|
7
|
Oil hose
|
|
8
|
Selector cable bracket
|
|
9
|
Transaxle mounting bolt (upper side)
|
|
10
|
Stabilizer control link
|
|
11
|
Tie-rod end ball joint
|
|
12
|
Lower arm ball joint
|
|
13
|
Drive shaft
|
|
14
|
Drive shaft
|
|
15
|
Joint shaft
|
|
16
|
Selector cable
|
|
17
|
Starter
|
|
18
|
Torque converter installation nuts
|
|
19
|
No.1 engine mount rubber
|
|
20
|
Battery tray bracket
|
|
21
|
No.4 engine mount rubber
|
|
22
|
No.4 engine mount bracket
|
|
23
|
Transaxle mounting bolt (lower side)
|
|
24
|
Transaxle
(See Transaxle Removal Note.)
(See Transaxle Installation Note.)
|
1. Using the flathead screwdriver, lock the drive plate.
2. Remove the torque converter nuts from the starter installation hole.
1. Remove the P/S reserve tank and coolant reserve tank with the hose still connected.
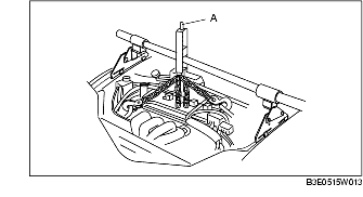
2. Using the bolts part number 99794 1025 or M10× 1.25, length 25 mm {0.98 in} to install the SST to the position as shown in the figure.
3. Insert a wood slab of appropriate size between the front fender panel and upper apron reinforcement.
4. Support the engine using the SST.
5. Remove the battery tray bracket, No.4 engine mount rubber and bracket.
1. Loosen the part marked A and lean the engine toward the transaxle.
2. Support the transaxle on a jack.
3. Remove the transaxle mounting bolts.
4. Remove the transaxle.
1. Set the transaxle on a jack and lift it.
2. Install the transaxle mounting bolts.
1. Install the No.4 engine mount bracket on the transaxle case and tighten nuts.
2. Install the No.1 engine mount rubber to the crossmember and temporarily tighten bolts.
3. Place the No.4 engine mount rubber with the body stud bolts passing through the holes and tighten the bolt as shown in the figure.
4. Place the battery tray bracket on the No.4 engine mount rubber with body stud bolts passing through the holes and tighten bolts and nuts as shown in the figure.
5. Fully tighten the bolts
6. Remove the SSTs.
1. Using the flathead screwdriver, lock the drive plate.
2. Hold the crankshaft pulley to prevent the drive plate from rotating.
3. Tighten the torque converter mounting nuts.