Previous Next

Radiator

REMOVAL & INSTALLATION

CAUTION
Allow the cooling system to completely cool before attempting any repair or draining the system. Injury from scalding could result if radiator cap or hose connections are removed while system is hot.

  1. Disconnect the negative battery cable.
  2. Drain the cooling system into a suitable container.
  3. Detach the overflow tube. Some vehicles may also require removal of the overflow tank.
  4. Disconnect upper and lower radiator hoses. Matchmark the upper radiator hose to assure installation in the proper orientation.

    Fig. 1: Use pliers to unfasten the upper hose retaining clamp . . .

    Fig. 2: . . . then disconnect the upper radiator hose

    Fig. 3: Slide the retaining clamp back on the lower hose . . .

  5. Tag and detach the electrical connectors for cooling fan and air conditioning condenser fan, if equipped. Remove the fan assembly from the engine compartment.
  6. Disconnect the thermo sensor wires.
  7. If equipped with an automatic transaxle, detach and plug the automatic transaxle cooler lines.
  8. Remove the upper radiator mounts and lift out the radiator assembly.

    Fig. 5: Unfasten the radiator upper mount retaining bolts . . .

    Fig. 6: . . . then remove the upper mounts

    Fig. 7: Carefully lift the radiator, up and out of the vehicle

  9. Service the lower mounts, as required.

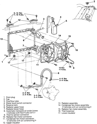
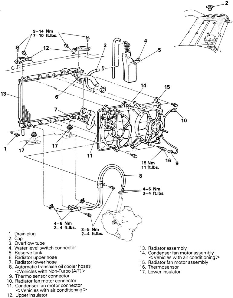
    Fig. 8: Exploded view of the radiator, cooling fan and related components — 1990–94 vehicles shown, others similar

    To install:

  10. Install the radiator and fan assembly, if removed, as an assembly.
  11. Attach the automatic transaxle cooler lines, if disconnected.
  12. Connect the thermo wires.
  13. Install the fan, if removed separately.
  14. Install the radiator hoses. Make sure to position the upper radiator hose so the matchmarks made during disassembly are in proper alignment.

    Fig. 9: During installation, make sure to position the hose to align the matchmarks, and insert far enough to reach the projections

  15. Install the overflow tube and reservoir, if removed.
  16. Fill the system with coolant.
  17. Connect the negative battery cable, run the vehicle until the thermostat opens, fill the radiator completely and check the automatic transaxle fluid level, if equipped.
  18. Once the vehicle has cooled, recheck the coolant level.

Previous Next