Previous Next

Automatic Transaxle

REMOVAL & INSTALLATION

1990–94 Vehicles
  1. Disconnect the negative, then the positive battery cables.
  2. Remove the battery and battery tray.
  3. On 1990–91 vehicles equipped with auto-cruise, remove the control actuator and bracket.
  4. Drain the transaxle fluid.
  5. Remove the air cleaner assembly, intercooler and air hose, as required.
  6. Remove the adjusting nut and disconnect the shift cable.
  7. Disconnect and tag the electrical connectors for the solenoid, neutral safety switch (inhibitor switch), the pulse generator kickdown servo switch and oil temperature sensor.
  8. Disconnect the speedometer cable and oil cooler lines.
  9. Disconnect the wires to the starter motor and remove the starter.
  10. Remove the upper transaxle to engine bolts.
  11. Support the transaxle and remove the transaxle mounting bracket.
  12. Raise the vehicle and support safely. Remove the sheet metal under guard.
  13. Remove the tie rod ends and the ball joints from the steering knuckle.
  14. Remove the halfshafts by inserting a prybar between the transaxle case and the driveshaft and prying the shaft from the transaxle. Do not pull on the driveshaft. Doing so damages the inboard joint. Use the prybar. Do not insert the prybar so far the oil seal in the case is damaged. Tie the halfshafts aside.
  15. On AWD vehicles, disconnect the exhaust pipe and remove the transfer case.
  16. Remove the lower bellhousing cover and remove the special bolts holding the flexplate to the torque converter. To remove, turn the engine crankshaft with a box wrench and bring the bolts into a position appropriate for removal, one at a time. After removing the bolts, push the torque converter toward the transaxle so it doesn't stay on the engine allowing oil to pour out the converter hub or cause damage to the converter.
  17. Remove the lower transaxle to engine bolts and remove the transaxle assembly.

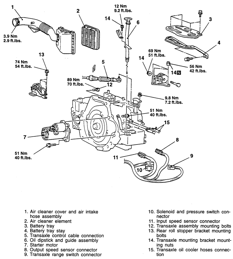
    Fig. 1: Exploded view of the automatic transaxle and related components (page 1 of 2) — 1990–94 FWD vehicles shown

    Fig. 2: Exploded view of the automatic transaxle and related components (page 2 of 2) — 1990–94 FWD vehicles shown

    To install:

  18. After the torque converter has been mounted on the transaxle, install the transaxle assembly on the engine. Tighten the driveplate bolts to 34–38 ft. lbs. (46–53 Nm). Install the bellhousing cover.
  19. On AWD, install the transfer case and frame pieces. Connect the exhaust pipe using a new gasket.
  20. The remainder of installation is the reverse of the removal procedure.
  21. Make sure to tighten the retainers to the specifications shown in the accompanying figure.
  22. Refill with the proper type and amount of fluid.
  23. Start the engine and allow to idle for 2 minutes. Apply parking brake and move selector through each gear position, ending in N. Recheck fluid level and add if necessary. Fluid level should be between the marks in the HOT range.
1995–98 Vehicles
  1. Disconnect the negative, then the positive battery cables.
  2. Drain the transaxle fluid into a suitable container.
  3. Unfasten the retainers, then remove the engine undercover.
  4. Remove the air cleaner cover and the air intake hose. Remove the air cleaner element.
  5. For 2.0L turbo engines, remove the two air hoses.
  6. Remove the battery tray and tray stay.
  7. For the 2.0L turbo engine, remove the evaporative emission canister and holder.
  8. Detach the transaxle control cable connection.
  9. Remove the engine oil dipstick and guide assembly.
  10. Remove the starter motor.
  11. For the 2.0L non-turbo engines, detach the output speed sensor and the transaxle range switch connectors. Unplug the solenoid and pressure switch and the input speed sensor connectors.
  12. For the 2.0L turbo and 2.4L engines, detach the connectors from the following components:
    1. Park/neutral position switch
    2. Oil temperature sensor
    3. Kick-down servo switch
    4. Solenoid valve
    5. Pulse generator
    6. Speedometer
  13. Remove the transaxle mounting bolts.

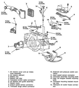
    Fig. 3: Automatic transaxle and related components (page 1 of 2) — 1995–98 2.0L non-turbo engines

    Fig. 4: Automatic transaxle and related components (page 2 of 2) — 1995–98 2.0L non-turbo engines

  14. Unfasten the rear roll stopper bracket mounting bolts.
  15. Carefully raise the transaxle with a suitable jack, then remove the transaxle mounting bracket mounting nuts. Be sure not to tilt the transaxle.
  16. Disconnect and plug the transaxle oil cooler lines.
  17. Attach a suitable engine support fixture to the engine.

    Fig. 5: Exploded view of transaxle removal (page 1 of 2) — 1995–98 2.0L turbo engines, FWD shown, AWD similar

    Fig. 6: Exploded view of transaxle removal (page 2 of 2) — 1995–98 2.0L turbo engines, FWD shown, AWD similar

  18. Raise and safely support the vehicle.
  19. Separate the tie-rod end from the steering knuckle.
  20. Detach the stabilizer link connection.
  21. Remove the retainers, then remove the damper fork.
  22. Separate the lateral and compression lower ball joints from the steering knuckle.

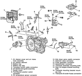
    Fig. 7: Automatic transaxle and related components (page 1 of 2) — 1995–98 2.4L engine shown

    Fig. 8: Automatic transaxle and related components (page 2 of 2) — 1995–98 2.4L engine shown

  23. For FWD vehicles, detach the driveshaft connection.
  24. For AWD vehicles, perform the following:
    1. Remove the driveshaft nut.
    2. Use a prytool to carefully separate the driveshaft from the transaxle case, then remove the drive shaft with the inner shaft connection.
  25. For 2.0L turbo and 2.4L engines, remove the bell housing cover and the right hand stay.
  26. Remove the centermember assembly.
  27. For 2.0L non-turbo engines, unfasten the retainers, then remove the front and rear plates.
  28. If equipped, remove the transaxle case lower cover.
  29. Unfasten the torque converter/drive plate connecting bolts, as follows:
    1. Use a transaxle jack to support the transaxle assembly. Support the transaxle case side, not the oil pan.
    2. Matchmark the torque converter and drive plate.
    3. Unfasten the bolts while turning the crankshaft.
    4. To make removal easier, press the torque converter into the transaxle.
  30. Remove the transaxle assembly mounting bolts, the mounting bracket, then lower and remove the transaxle assembly from the vehicle.
  31. Installation is the reverse of the removal procedure.
  32. Make sure to note all fastener tightening specifications on the accompanying figures.

Previous Next