Previous Next

Lower Control Arm

REMOVAL & INSTALLATION

1990–94 Vehicles
  1. Disconnect the negative battery cable. Raise and safely support vehicle. Remove the tire and wheel assembly.
  2. Remove the stabilizer link installation nut. Remove the spacers, bushings and washers.
  3. Loosen the lower arm ball joint nut and separate the ball joint using the appropriate tool. Once the ball joint stud is broken loose, remove the nut and the stud from the lower arm.
  4. Unfasten the lower arm installation bolt, then remove the arm from the vehicle.

    To install:

  5. Install the lower arm onto the vehicle. Install the lower arm installation bolt and tighten snugly only.
  6. Install the lower ball joint into the hole in the lower control arm and secure with new nut. Tighten nut to 52 ft. lbs. (72 Nm) torque.
  7. Install the stabilizer link spacers, bushings and washers. Secure in place using new nut.
  8. Lower the vehicle until the suspension supports its weight. Tighten the lower arm installation bolt to 80 ft. lbs. (110 Nm).
  9. Have the rear wheel alignment checked and adjusted if necessary.
1995–98 Vehicles

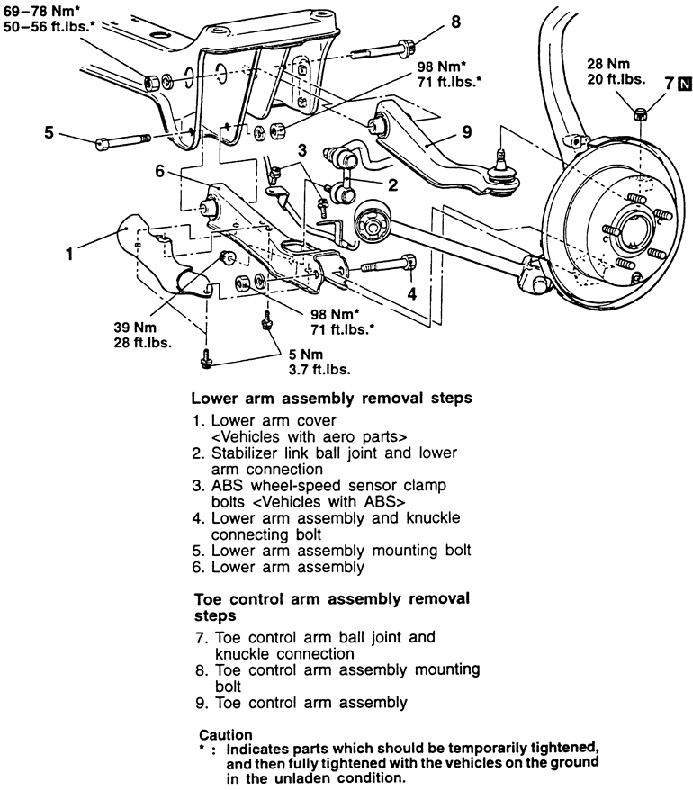
Fig. 1: Exploded view of the lower control arm and related components — 1995–98 vehicles

  1. Raise and safely support the vehicle.
  2. Remove the wheel and tire assembly.
  3. If equipped with a lower arm cover, remove the cover.

    Fig. 2: Location of the control arm mounting bolts (see arrows)

  4. Disconnect the stabilizer link from the lower arm.
  5. If equipped with ABS, remove the wheel speed sensor clamp bolts.
  6. Remove the through-bolt securing the lower arm to the knuckle.

    Fig. 3: Use a wrench and a ratchet to loosen the lower control arm-to-steering knuckle mounting bolt . . .

  7. Remove the through-bolt securing the lower arm to the suspension crossmember.

    Fig. 4: Unfasten the lower control arm-to-crossmember through bolt . . .

  8. Remove the lower control arm.

    Fig. 5: . . . then remove the lower control arm from the vehicle

  9. If necessary, remove the toe control arm from the vehicle as follows:
    1. Use a suitable puller to separate the toe control arm ball joint and steering knuckle connection.
    2. Matchmark the toe control arm and eccentric cam bolt for installation purposes.

      Fig. 6: You must mark the toe control arm and eccentric cam bolt for proper alignment during installation

    3. Unfasten the toe control arm mounting bolt, then remove the toe control arm from the vehicle.

      To install:

  10. If removed, install the toe control arm and secure with the retaining bolt, as aligned during removal
  11. Install the lower arm to the suspension crossmember and the knuckle but do not tighten the through-bolts until the vehicle is on the floor at normal riding height.
  12. Install the ABS wheel speed sensor clamp bolts to the lower arm, if removed.
  13. Connect the stabilizer link to the lower arm.
  14. Install the lower arm cover if removed.
  15. Install the wheel and tire assembly.
  16. Carefully lower the vehicle to the floor and tighten the through-bolts to 71 ft. lbs. (98

Previous Next