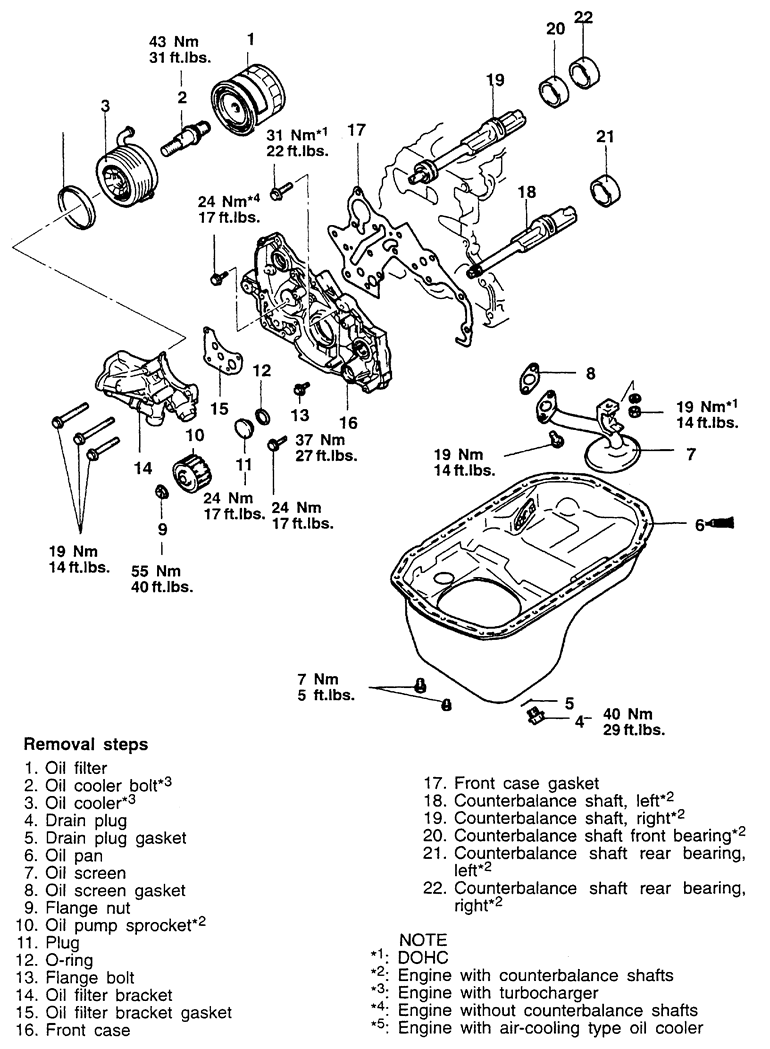
| Fig. 1: Exploded view of the balance shaft assemblies — 2.0L
and 2.4L engines
|
NOTE: A special oil seal guide tool, MD998285, and a plug cap
socket tool, MD998162, or exact equivalents are needed to complete this operation.
- Disconnect the negative battery cable.
- Raise and safely support the vehicle.
- Drain the engine oil.
CAUTION
The EPA warns that prolonged contact with used engine oil may cause a number
of skin disorders, including cancer! You should make every effort to minimize
your exposure to used engine oil. Protective gloves should be worn when
changing the oil. Wash your hands and any other exposed skin areas as soon
as possible after exposure to used engine oil. Soap and water, or waterless
hand cleaner should be used.
- Remove the oil filter, oil pressure switch, oil gauge sending unit, oil
filter mounting bracket and gasket.
- Remove engine oil pan, oil screen and gasket.
- Remove the relief plug, gasket, relief spring and relief plunger.
- Lower the vehicle.
- Using the proper equipment, support the weight of the engine.
- Remove the front engine mount bracket and accessory drive belt.
- Remove the timing belts and sprockets.
- Using special tool MD998162, remove the plug cap in the engine front cover.
- Remove the plug on the side of the engine block. Insert a Phillips screwdriver
with a shank diameter of 0.32 in. (8mm) into the plug hole. This will hold
the silent shaft.
- Remove the driven gear bolt that secures the oil pump driven gear to the
silent shaft.
- Remove and tag the front cover mounting bolts. Note the lengths of the mounting
bolts as they are removed for proper installation.
- Remove the front case cover and oil pump assembly. If necessary, the silent
shaft can come out with the cover assembly.
- Remove the silent shaft oil seals, the crankshaft oil seal and front case
gasket.
- Remove the silent shafts and inspect as follows:
- Check the oil holes in the shaft for clogging.
- Check journals of the shaft for seizure, damage and contact with bearing.
If there is anything wrong with the journal, replace the silent shaft
bearing, silent shaft or front case.
- Check the silent shaft oil clearance. If the clearance is beyond the
specifications, replace the silent shaft bearing, silent shaft or front
case. The specifications for oil clearances are as follows:
Right shaft
- Front — 0.0012–0.0024 in. (0.03–0.06mm)
- Rear — 0.0008–0.0021 in. (0.02–0.05mm)
Left shaft
- Front — 0.0020–0.0036 in. (0.05–0.09mm)
- Rear — 0.0017–0.0033 in. (0.04–0.08mm)
To install:
- Lubricate the bearing surface of the shaft and the bearing journals with
clean engine oil. Carefully install the silent shafts to the block.
- Clean the gasket material from the mating surface of the cylinder block
and the engine front cover. Install new gasket in place.
- Install the oil pump drive gear and driven gear to the front case, lining
up the timing marks.
- Lubricate the gears with clean engine oil. Install the oil pump cover, with
new gasket in place and tighten the mounting bolts to 13 ft. lbs. (18 Nm).
- Using proper size driver, install the crankshaft oil seal into the front
engine case.
- Using the proper size socket wrench, press in the silent shaft oil seal
into the front case.
- Place pilot tool MD998285 or equivalent, onto the nose of the crankshaft.
Apply clean engine oil to the outer circumference of the pilot tool.
- Install the front case onto the engine block and temporarily tighten the
flange bolts (other than those for tightening the filter bracket).
- Mount the oil filter bracket with new gasket in place. Install the 4 bolts
with washers and tighten to 16 ft. lbs. (22 Nm).
- Insert the Phillips screwdriver into the hole on the side of the engine
block.
- Secure the oil pump driven gear onto the left silent shaft by tightening
the driven gear flange bolt to 29 ft. lbs. (40 Nm).
- Install a new O-ring onto the groove in the front case. Using special socket
tool, install and tighten the plug cap to 20 ft. lbs. (27 Nm).
- Install the oil pump relief plunger and spring into the bore in the oil
filter bracket and tighten to 36 ft. lbs. (50 Nm). Make sure a new gasket
is in place.
- Clean both mating surfaces of the oil pan and the cylinder block.
- Apply sealant in the groove in the oil pan flange, keeping towards the inside
of the bolt holes. The width of the sealant bead applied is to be about 0.16
in. (4mm) wide.
NOTE: After applying sealant to the oil pan, do not exceed
15 minutes before installing the oil pan.
- Install the oil pan to the engine and secure with the retainers. Tighten
bolts to 6 ft. lbs. (8 Nm).
- Install the oil pressure gauge unit and the oil pressure switch. Attach
the electrical harness connector.
- Install new oil filter and fill engine with clean engine oil.
- Install the timing belts and all related items.
NOTE: The timing of the oil pump sprocket and connected
silent shaft can be incorrect, even with the timing mark aligned. Make certain
that all special timing belt installation procedures are followed to ensure
proper orientation of the silent shafts.
- Install any remaining components removed during disassembly.
- Connect the negative battery cable and start the engine.
- Check for proper timing and inspect for leaks.
