Previous Next

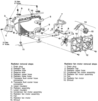
Engine Fan

REMOVAL & INSTALLATION

Except Diamante

Fig. 1: The fans are retained to the radiator by four retaining bolts. Remove the retaining bolts . . .

Fig. 2: . . . then carefully lift the fan from the radiator

  1. Disconnect the negative battery cable.
  2. Drain and recycle the engine coolant.

    CAUTION
    Never open, service or drain the radiator or cooling system when hot; serious burns can occur from the steam and hot coolant. Also, when draining engine coolant, keep in mind that cats and dogs are attracted to ethylene glycol antifreeze and could drink any that is left in an uncovered container or in puddles on the ground. This will prove fatal in sufficient quantities. Always drain coolant into a sealable container. Coolant should be reused unless it is contaminated or is several years old.

  3. Remove the overflow hose and disconnect the upper radiator hose.

    NOTE: It is recommended that each clamp be matchmarked to the hose. Observe the marks and reinstall the clamps exactly when reinstalling the radiator.

  4. If equipped with an automatic transaxle, remove and plug the fluid cooler hoses.
  5. Unplug the electrical connector(s) from the coolant fan motor.
  6. Remove the mounting bolts, then remove the fan and shroud assembly from the vehicle.
  7. Remove the fan blade retainer nut from the shaft on the fan motor and separate the fan from the motor.
  8. Remove the motor to shroud attaching screws and the motor from the shroud.

    To install:

  9. Install the motor to the shroud and secure with the mounting bolts.
  10. Install the remaining components in the reverse order of removal.
  11. Fill the cooling system. Connect the negative battery cable and check the cooling fan for proper operation.
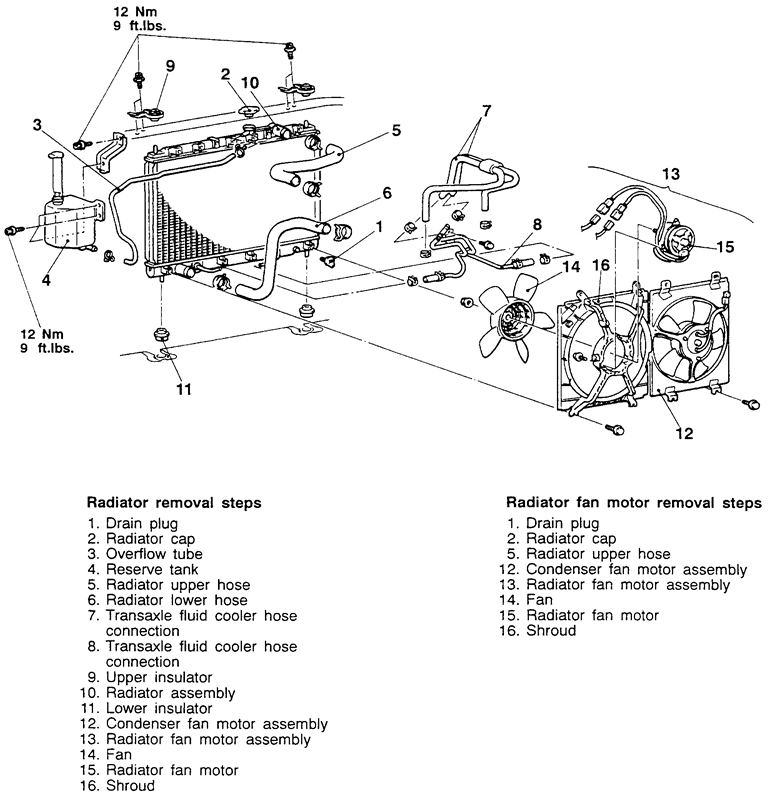
Diamante

Fig. 3: Exploded view of the fan mounting and related components — Diamante

  1. Disconnect the negative battery cable.
  2. Drain the cooling system only when the radiator and the engine are at safe temperatures.

    CAUTION
    Never open, service or drain the radiator or cooling system when hot; serious burns can occur from the steam and hot coolant. Also, when draining engine coolant, keep in mind that cats and dogs are attracted to ethylene glycol antifreeze and could drink any that is left in an uncovered container or in puddles on the ground. This will prove fatal in sufficient quantities. Always drain coolant into a sealable container. Coolant should be reused unless it is contaminated or is several years old.

  3. Unplug the cooling fan and radiator sensor connector(s). Most of these connectors employ a waterproof connector. When disconnecting, make sure all parts of the connector remain intact.
  4. Disconnect the upper radiator hose from the radiator and remove overflow tank.
  5. Remove the fan mounting screws. The radiator and condenser cooling fans are separately removable.
  6. Remove the fan assembly and disassemble as required.

    To install:

  7. Position the fan and install the mounting screws.
  8. Install the electrical connectors and the upper radiator hose.
  9. Refill the cooling system.
  10. Connect the negative battery cable and check the fan for proper operation.

Previous Next