Following are vacuum diagrams for most of the engine and emissions package combinations covered by this manual. Because vacuum circuits will vary based on various engine and vehicle options, always refer first to the vehicle emission control information label, if present. Should the label be missing, or should vehicle be equipped with a different engine from the vehicle's original equipment, refer to the diagrams below for the same or similar configuration.
If you wish to obtain a replacement emissions label, most manufacturers make the labels available for purchase. The labels can usually be ordered from a local dealer.
| The Emission Control Label contains information about
the vehicle's emissions systems, along with other pertinent service
information
|
| A vacuum diagram is typically affixed to a label in
the engine compartment
|
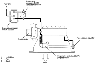
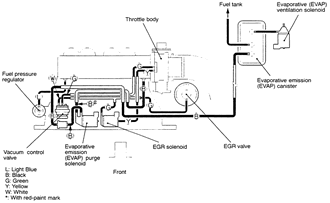
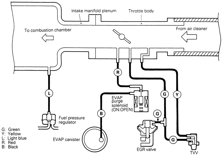
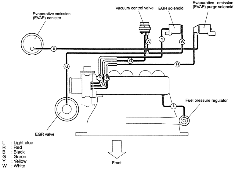
| Emission control system vacuum hose routing — 1990–92 1.5L engine, Federal emissions |
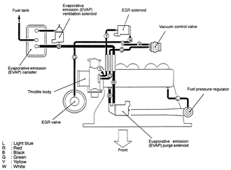
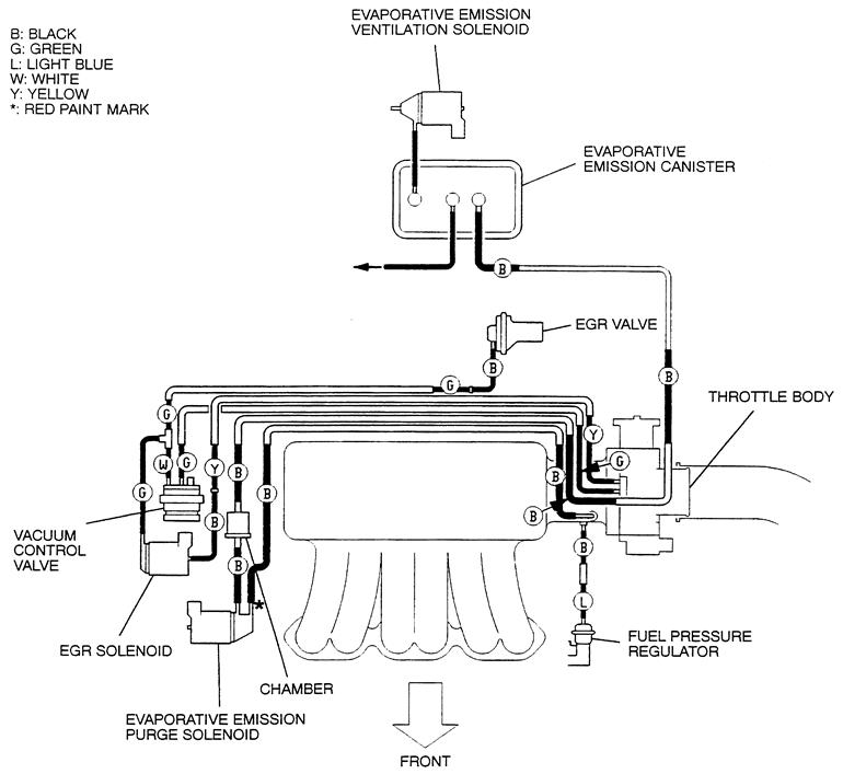
| Emission control system vacuum hose routing — 1990–92 1.5L engine, California emissions |
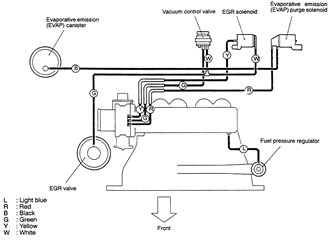
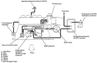
| Emission control system vacuum hose routing — 1990–92 1.6L engine, Federal emissions |
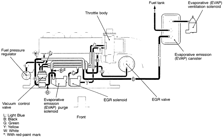
| Emission control system vacuum hose routing — 1990–92 1.6L engine, California emissions |
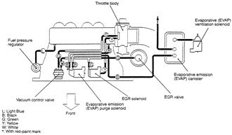
| Emission control system vacuum hose routing — 1993 1.5L engine, California emissions |
| Emission control system vacuum hose routing — 1993 1.5L engine, Federal emissions |
| Emission control system vacuum hose routing — 1993 1.8L engine, Federal emissions |
| Emission control system vacuum hose routing — 1994–96 1.5L engine, California and Federal emissions |
| Emission control system vacuum hose routing — 1994–96 1.8L engine, Federal emissions; 1994 California emissions |
| Emission control system vacuum hose routing — 1995–96 1.8L engine, California emissions |
| Emission control system vacuum hose routing — 1997 1.5L engine, California and Federal emissions |
| Emission control system vacuum hose routing — 1997 1.8L engine, California and Federal emissions |
| Emission control system vacuum hose routing — 1998 1.5L engine, California and Federal emissions |
| Emission control system vacuum hose routing — 1998 1.8L engine, California and Federal emissions |
| Emission control system vacuum hose routing — 1999–00 1.5L engine, California and Federal emissions |
| Emission control system vacuum hose routing — 1999–00 1.8L engine, California and Federal emissions |
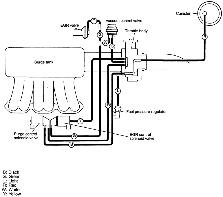
| Emission control system vacuum hose routing — 1990–93 2.0L SOHC engine, Federal emissions |
| Emission control system vacuum hose routing — 1990–93 2.0L SOHC engine, California emissions |
| Emission control system vacuum hose routing — 1990 2.0L DOHC non-turbo engine, Federal |
| Emission control system vacuum hose routing — 1990 2.0L DOHC non-turbo engine, California |
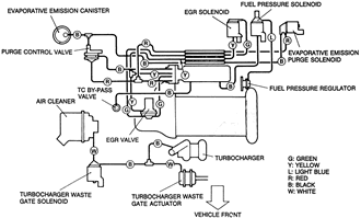
| Emission control system vacuum hose routing — 1990 2.0L DOHC turbo engine, Federal |
| Emission control system vacuum hose routing — 1990 2.0L DOHC turbo engine, California |
| Emission control system vacuum hose routing — 1991–93 2.0L DOHC non-turbo engine, Federal |
| Emission control system vacuum hose routing — 1991–93 2.0L DOHC non-turbo engine, California |
| Emission control system vacuum hose routing — 1991–93 2.0L DOHC turbo engine, Federal |
| Emission control system vacuum hose routing — 1991–93 2.0L DOHC turbo engine, California |
| Emission control system vacuum hose routing — 1994–96 2.4L engine, Federal emissions |
| Emission control system vacuum hose routing — 1994–96 2.4L engine, California emissions |
| Emission control system vacuum hose routing — 1997 2.4L engine, Federal emissions |
| Emission control system vacuum hose routing — 1997 2.4L engine, California emissions |
| Emission control system vacuum hose routing — 1998 2.4L engine, Federal emissions |
| Emission control system vacuum hose routing — 1998 2.4L engine, California emissions |
| Emission control system vacuum hose routing — 1999–00 2.4L engine |
| Emission control system vacuum hose routing — 1992 3.0L engines (SOHC and DOHC) w/traction control, California emissions |
| Emission control system vacuum hose routing — 1992 3.0L engines (SOHC and DOHC) w/out traction control, California emissions |
| Emission control system vacuum hose routing — 1992 3.0L engines (SOHC and DOHC) w/out traction control, Federal emissions |
| Emission control system vacuum hose routing — 1992 3.0L engines (SOHC and DOHC) w/traction control, Federal emissions |
| Emission control system vacuum hose routing — 1993–96 3.0L engines (SOHC and DOHC) w/traction control, California emissions |
| Emission control system vacuum hose routing — 1993–94 3.0L engines (SOHC and DOHC) w/out traction control, Federal emissions |
| Emission control system vacuum hose routing — 1993–94 3.0L engines (SOHC and DOHC) w/traction control, Federal emissions |
| Emission control system vacuum hose routing — 1993–96 3.0L engines (SOHC and DOHC) w/out traction control, California emissions |
| Emission control system vacuum hose routing — 1995–96 3.0L engines (SOHC and DOHC) w/traction control, Federal emissions |
| Emission control system vacuum hose routing — 1995–96 3.0L engines (SOHC and DOHC) w/out traction control, Federal emissions |
| Emission control system vacuum hose routing — 1997 3.5L engine |
| Emission control system vacuum hose routing — 1998 3.5L engine |
| Emission control system vacuum hose routing — 1999–00 3.5L engine w/out traction control |
| Emission control system vacuum hose routing — 1999–00 3.5L engine w/traction control |
| Emission control system vacuum hose routing — 1999–00 3.0L engine |