Previous Next

Hydraulic Control Unit

REMOVAL & INSTALLATION

The Hydraulic Control Unit (HCU) is located in the engine compartment. It contains the solenoid valves and the pump/motor assembly which provides pressurized fluid for the anti-lock system when necessary. Hydraulic units are not interchangeable on any vehicles. Neither unit is serviceable; if any fault occurs within the hydraulic unit, the entire unit must be replaced.

Diamante

Fig. 1: HCU mounting — Diamante

  1. Disconnect the negative battery cable.
  2. Remove the splash shield from beneath the vehicle.
  3. Use a syringe or similar device to remove as much fluid as possible from the reservoir. Some fluid will be spilled from lines during removal of the hydraulic unit; protect adjacent painted surfaces.

    CAUTION
    Brake fluid contains polyglycol ethers and polyglycols. Avoid contact with the eyes and wash your hands thoroughly after handling brake fluid. If you do get brake fluid in your eyes, flush your eyes with clean, running water for 15 minutes. If eye irritation persists, or if you have taken brake fluid internally, IMMEDIATELY seek medical assistance.

  4. Lift the relay box with the harness attached and position it aside.
  5. Remove the air intake duct.
  6. Disconnect the brake lines from the hydraulic unit. Correct reassembly is critical. Label or identify the lines before removal. Plug each line immediately after removal. It will be necessary to hold the relay box aside to allow wrench access.
  7. Detach the wiring harness connections at the hydraulic unit.
  8. Disconnect the hydraulic unit ground strap from the chassis.
  9. Remove the 3 bolts holding the hydraulic unit bracket. Remove the unit and the bracket.

    NOTE: The hydraulic unit is heavy; use care when removing it. The unit must remain in the upright position at all times and be protected from impact and shock.

  10. Set the unit upright, supported by blocks on the workbench. The hydraulic unit must not be tilted or turned upside down. No component of the hydraulic unit should be loosened or disassembled.
  11. Loosen the nut holding the bracket to the hydraulic unit and remove the bracket.
  12. Disconnect the external ground wire from the bracket.

    To install:

  13. Install the bracket if removed.
  14. Connect the ground wire to the bracket.
  15. Install the hydraulic unit into the vehicle, keeping it upright at all times.
  16. Install the retaining nuts and tighten.
  17. Connect the hydraulic unit wiring harness.
  18. Connect each brake line loosely to the correct port and double check the placement. Tighten each line to 11 ft. lbs. (15 Nm).
  19. Fill the reservoir to the MAX line with brake fluid.
  20. Bleed the master cylinder, then bleed the brake lines.
  21. Secure the relay box in position and install the air duct.
  22. Install the splash shield.
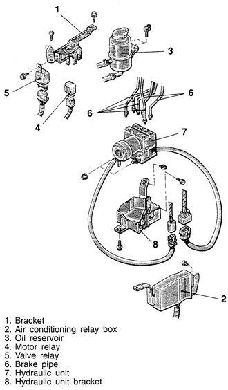
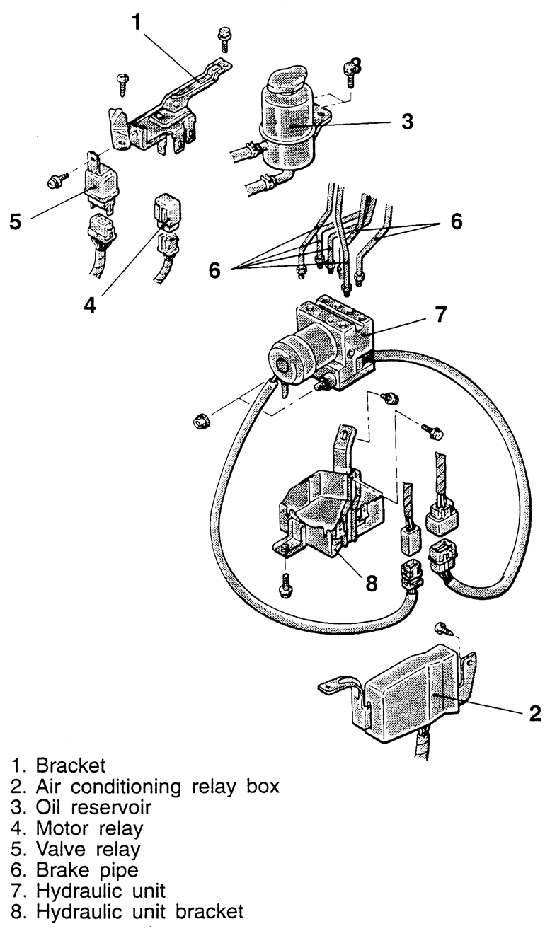
Galant and Mirage

Fig. 2: HCU mounting — Mirage

Fig. 3: HCU mounting — Galant

  1. Use a syringe or similar device to remove as much fluid as possible from the reservoir. Some fluid will be spilled from lines during removal of the hydraulic unit; protect adjacent painted surfaces.

    CAUTION
    Brake fluid contains polyglycol ethers and polyglycols. Avoid contact with the eyes and wash your hands thoroughly after handling brake fluid. If you do get brake fluid in your eyes, flush your eyes with clean, running water for 15 minutes. If eye irritation persists, or if you have taken brake fluid internally, IMMEDIATELY seek medical assistance.

  2. Remove the splash shield from the left front wheel house or fender area.
  3. Remove the coolant reserve tank.
  4. Remove the coolant reservoir bracket.
  5. Remove the dust shield from below the hydraulic unit.
  6. Disconnect the brake hoses and lines from the hydraulic unit. Correct reassembly is critical. Label or identify the lines before removal. Plug each line and each port immediately after removal.
  7. Remove the cover from the relay box. Disconnect the electrical harness to the hydraulic unit.
  8. Remove the bolts holding the 3 mounting brackets to the vehicle; remove the unit downward and out of the vehicle.

    NOTE: The hydraulic unit is heavy; use care when removing it. The unit must remain in the upright position at all times and be protected from impact and shock.

  9. Set the unit upright, supported by blocks on the workbench. The hydraulic unit must not be tilted or turned upside down. No component of the hydraulic unit should be loosened or disassembled.
  10. The brackets and relays may be removed if desired.

    To install:

  11. Install the brackets and relays if they were removed. Tighten the bracket bolts to 16 ft. lbs. (22 Nm).
  12. Install the hydraulic unit into the vehicle, keeping it upright at all times.
  13. Install the retaining bolts holding the brackets to the vehicle. Tighten the bolts to 16 ft. lbs. (22 Nm).
  14. Connect the hydraulic unit wiring harness.
  15. Install the cover on the relay box.
  16. Connect each brake line loosely to the correct port and double check the placement. Tighten each line to 10 ft. lbs. (13 Nm).
  17. Fill the reservoir to the MAX line with brake fluid.
  18. Bleed the brake system.
  19. Install the dust shield and the coolant reserve tank with its bracket.
  20. Install the fender splash shield.
  21. Check ABS system function by turning the ignition ON and observing the dashboard warning lamp. Test drive the vehicle and confirm system operation.

Previous Next