Previous Next

REMOVAL & INSTALLATION

1990–92 Mirage

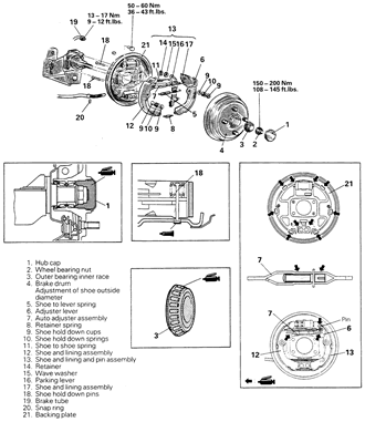
Fig. 1: Exploded view of the drum brake components — 1990–92 Mirage

WARNING
Brake shoes contain asbestos, which has been determined to be a cancer causing agent. Never clean the brake surfaces with compressed air! Avoid inhaling any dust from brake surfaces! When cleaning brakes, use commercially available brake cleaning fluids.

  1. Raise vehicle and support safely.
  2. Remove the tire and wheel assembly.

    NOTE: Note the location of all springs and clips for proper reassembly.

  3. Remove the brake drum.
  4. Remove the front shoe-to-rear shoe spring.
  5. Remove the shoe-to-lever spring and remove the adjuster assembly.
  6. Remove the shoe hold-down clips and the brake shoes.
  7. Disconnect the parking brake cable from the rear shoes by spreading the horseshoe clip apart.

    To install

  8. Thoroughly clean and dry the backing plate. Ensure the backing plate bosses are smooth, so shoes won't bind.
  9. Lubricate backing plate bosses, anchor pin, and parking brake actuating mechanism with a lithium-based grease.
  10. Remove, clean and dry all remaining parts. Apply anti-seize to the star wheel threads and transfer all parts to the new shoes.
  11. Connect the parking brake arm to the appropriate brake shoe.
  12. Attach shoes to the backing plate and install all remaining hardware in the reverse order it was removed.
  13. Preadjust the shoes so the drum slides on with a light drag and install brake drum.
  14. Install a new wheel bearing self-locking nut and torque to 130 ft. lbs. (180 Nm).
  15. Install the wheel bearing dust cap and adjust the rear brake shoes.
Galant and 1993–00 Mirage

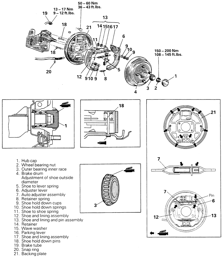
Fig. 2: Rear drum brake components — Galant

Fig. 3: Use a pair of pliers or a special brake tool to remove the shoe-to-lever spring

Fig. 4: Remove the adjuster lever assembly

Fig. 5: Remove the auto adjuster assembly

Fig. 6: Remove the lower brake shoe retaining spring

Fig. 7: Using a suitable hold-down spring tool, compress the hold-down spring and . . .

Fig. 8: . . . remove the hold-down spring and cup assembly

Fig. 9: With the shoes attached by the spring, pull them apart to clear the hub and bearing . . .

Fig. 10: . . . then detach the parking brake cable and remove the shoe and linings from the vehicle

Fig. 11: Use a small prytool to twist open the retainer joint and remove the retainer . . .

Fig. 12: . . . then remove the parking brake lever from the shoe

Fig. 13: Using a wire brush or other suitable tool, clean the shoe contact points on the backing plate

Fig. 14: Apply a high temp lubricant to the shoe contact points on the backing plate

Fig. 15: Proper installation of the wave washer

Fig. 16: A portable cleaning tub made especially for cleaning brakes, like this one from SafetyKleen® , is extremely helpful

Fig. 17: If a cleaning tub is not available, a quality aerosol cleaning solvent can be used

  1. Raise and safely support the vehicle.
  2. Remove the rear wheels and drums.
  3. Remove the lever return spring.
  4. Remove the shoe-to-lever spring.
  5. Remove the adjuster lever.
  6. Remove the auto-adjuster assembly.
  7. Remove the retainer spring.
  8. Remove the brake shoe hold-down springs and spring cups.
  9. Remove the shoe-to-shoe spring.
  10. Remove the brake shoes.
  11. Disconnect the parking brake cable from the lever on the rear shoe.

    To install:

  12. Remove the parking brake lever from the used shoe and install it on the new brake shoe. Make sure the wave washer is installed in the proper direction.
  13. Clean the backing plate and lightly apply brake grease to the six shoe support pads.
  14. Clean the adjuster assembly and apply brake grease to the threads; do not use more grease than necessary.
  15. Connect the parking brake cable to the lever on the rear shoe.
  16. Position the rear shoe on the backing plate and install the hold-down spring and pin.
  17. Position the front shoe on the backing plate and install the hold-down spring and pin.
  18. Position the adjuster assembly between the two shoes.
  19. Install the shoe-to-shoe spring.
  20. Install the retainer spring.
  21. Install the adjuster lever.
  22. Install the shoe-to-lever spring.
  23. Install the lever return spring.
  24. Adjust the brake shoes and install the drum.
  25. Install the wheel and tire assembly.
  26. Lower the vehicle to the floor.

Previous Next