Previous Next

Camshaft and Valve Lifters

REMOVAL & INSTALLATION

3000GT Engine
  1. Before servicing the vehicle, refer to the precautions in the beginning of this section.
  2. Relieve the fuel system pressure.
  3. Remove or disconnect the following:

    To install:

  4. Lubricate the camshafts with clean engine oil and position the camshafts on the cylinder head.

    NOTE: The intake camshaft has a J stamped on the hexagon and the exhaust camshaft has a K or N.

  5. Be sure the dowel pins on both camshaft sprocket ends are positioned properly.
  6. Install the bearing caps. Tighten the caps gradually and in 2 or 3 steps. Caps 2, 3 and 4 have a front mark. Install with the mark aligned with the front mark on the cylinder head. Intake caps have I stamped on the cap and exhaust caps have E. Torque the front and rear retaining cap bolts to 15 ft. lbs. (20 Nm) and tighten the center retaining cap bolts to 96 inch lbs. (11 Nm).
  7. Apply a coating of engine oil to the oil seals and install.
  8. Install the timing belt, valve cover and all related parts. Refer to the timing belt unit repair section.
  9. Connect the negative battery cable and check for leaks.
Diamante
3.0L DOHC ENGINE
  1. Before servicing the vehicle, refer to the precautions in the beginning of this section.
  2. Relieve the fuel system pressure.
  3. Remove or disconnect the following:

    NOTE: Be sure to keep the valvetrain components labeled and in proper order for reassembly.

  4. Loosen the bearing cap bolts in 2–3 steps. Label and remove all camshaft bearing caps.
  5. Mark the components and remove the intake and the exhaust camshafts.
  6. Remove the rocker arms and the lash adjusters. Be sure to note the location of the valvetrain components for reinstallation purposes.

    To install:

    NOTE: Lubricate the valvetrain components with clean engine oil.

  7. Bleed and install the lash adjusters in their original bores in the cylinder head.
  8. Install the rocker arms to the cylinder head.

    Fig. 1: Proper positioning of the camshaft knock pins — Diamante 3.0L DOHC engine

  9. Lubricate the camshafts with clean engine oil and position the camshafts on the cylinder head.

    WARNING
    Be sure to properly position the knock pins of the camshaft to prevent valve to piston interference.

    NOTE: The intake camshaft on the Diamante has a B or J stamped on the hexagon. The exhaust camshaft on the Diamante has a D or K stamped on the hexagon.

  10. Install the bearing caps. Tighten the caps in sequence and in 2 or 3 steps. Caps 2, 3 and 4 have a front mark. Install with the mark aligned with the front mark on the cylinder head. Torque the retaining bolts for caps No. 2, 3 and 4 to 96 inch lbs. (11 Nm) and tighten the retaining bolts for the front and rear caps to 14 ft. lbs. (20 Nm).
  11. Apply a coating of engine oil to the oil seals and install the oil seals to the front and rear of the camshafts.
  12. Install or connect the following:
3.0L SOHC ENGINE
  1. Before servicing the vehicle, refer to the precautions in the beginning of this section.
  2. Remove or disconnect the following:
  3. Using a camshaft sprocket holding tool, hold the sprocket and loosen the bolt.
  4. Remove the bolt and note the positioning of the knock pin at the end of the camshaft and remove the sprocket.
  5. Install auto lash adjuster retainer tools on the rocker arms.

    NOTE: Be sure to note the position of the rocker arms, rocker shafts and bearing caps for reinstallation purposes.

  6. Remove or disconnect the following:
  7. Inspect the bearing journals on the camshaft, cylinder head, and bearing caps.

    To install:

    NOTE: The right bank camshaft is identified by a 4mm slit at the rear end of the camshaft.

    Fig. 2: Right bank camshaft identification — Diamante 3.0L SOHC engine

    Fig. 3: Proper positioning of the camshafts — Diamante 3.0L SOHC engine

  8. Lubricate the camshaft journals and camshaft with clean engine oil and install the camshaft in the cylinder head. Be sure to properly position the knock pin of the camshaft as noted during removal.
  9. Apply sealer at the ends of the bearing caps and install the rocker arms, rocker shafts and bearing caps as an assembly. Properly position the arrows on the bearing caps.

    Fig. 4: Alignment of the rocker shafts and application of sealant — Diamante 3.0L SOHC engine

  10. Torque the bearing cap bolts in the following sequence: No. 3, No. 2, No. 1 and No. 4 to 85 inch lbs. (10 Nm).
  11. Repeat the sequence increasing the torque to 14 ft. lbs. (20 Nm).
  12. Remove the auto lash adjuster retainer tools from the rocker arms.
  13. Install the camshaft sprocket and bolt.
  14. Using a camshaft sprocket holding tool, hold the sprocket and tighten the bolt to 65 ft. lbs. (90 Nm).
  15. Install or connect the following:
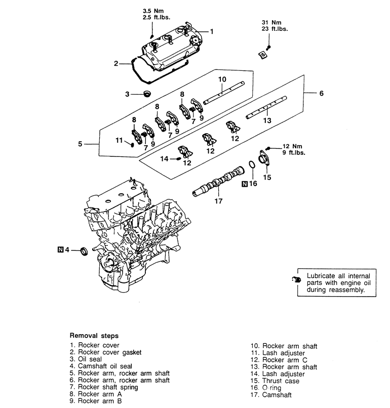
3.5L ENGINE
  1. Before servicing the vehicle, refer to the precautions in the beginning of this section.
  2. Remove or disconnect the following:

    To install:

  3. Lubricate the camshafts with engine oil and position them on the cylinder heads.
  4. Position the dowel pins as shown in the drawing.
  5. Install or connect the following:

Eclipse
2.0L (4G63) ENGINE
  1. Before servicing the vehicle, refer to the precautions in the beginning of this section.
  2. Remove or disconnect the following:
  3. Loosen the bearing cap bolts in 2 or 3 steps and remove the bearing caps.

    Fig. 7: Position the camshafts with the dowels facing up — Eclipse 2.0L (4G63) engine

  4. Remove the camshaft(s) and the oil seals.

    To install:

  5. Apply engine oil to the camshafts and install them on the cylinder head.

    NOTE: Bearing caps and rocker arms must be installed in the same location that they were removed from.

  6. Install the bearing caps and tighten the bolts evenly in 2 or 3 steps to 14 ft. lbs. (20 Nm).
  7. Apply engine oil to the lip of the seal. Using MB998713, install the front oil seal.
  8. Install or connect the following:
  9. Apply sealant to the semi-circular packing and install it in the cylinder head.
  10. Apply sealant to the lower part of the front and rear bearing caps where they meet the cylinder head.
  11. Install or connect the following:
2.0L (420A) ENGINE

Fig. 8: Camshaft bearing cap bolt removal sequence — Eclipse 2.0L (420A) engine

  1. Before servicing the vehicle, refer to the precautions in the beginning of this section.
  2. Remove or disconnect the following:
  3. Hold the camshaft sprockets and remove the sprocket mounting bolts and the sprockets.
  4. Remove the bracket and the rear timing belt cover.
  5. Gradually loosen the camshaft bearing caps in sequence, one camshaft at a time and remove the bearing caps.

    NOTE: Keep the bearing caps in order. They must be installed in the location that they were removed from.

  6. Mark the camshafts for later identification and remove the camshafts. The camshafts are not interchangeable.

    To install:

  7. Apply engine oil to the camshaft and install the camshafts.
  8. Install the bearing caps. Torque the bolts evenly and in sequence.

    Fig. 9: Camshaft bearing cap bolt installation sequence — Eclipse 2.0L (420A) engine

  9. Apply Loctite 518® to the outside camshaft bearing caps and install them.
  10. Install or connect the following:
  11. Apply Loctite 5699® , or equivalent, to the semi-circular packing and install it in the rear of the cylinder head.
  12. Install or connect the following:
2.4L (4G64/G) ENGINE
  1. Before servicing the vehicle, refer to the precautions in the beginning of this section.
  2. Remove or disconnect the following:
  3. Install lash adjuster retainer tools to the rocker arm.
  4. Remove or disconnect the following:

    To install:

  5. Lubricate the camshaft journals and camshaft with clean engine oil and install the camshaft in the cylinder head.
  6. Install the rocker arm and shaft assemblies. Tighten the rocker arm shaft retainer bolts to 21–25 ft. lbs. (29–35 Nm).
  7. Apply a coating of engine oil to the oil seal. Using the proper size driver, press-fit the seal into the cylinder head.
  8. Install or connect the following:
  9. Remove the lash adjuster retaining tools.
  10. Install or connect the following:
  11. Run the engine at idle until normal operating temperature is reached. Check idle speed and ignition timing; adjust as required.
Galant
2.4L (4G64/L) ENGINE
  1. Before servicing the vehicle, refer to the precautions in the beginning of this section.
  2. Relieve the fuel system pressure.
  3. Remove or disconnect the following:
  4. Loosen the bearing cap bolts in 2–3 steps. Label and remove all camshaft bearing caps.
  5. Remove or disconnect the following:

    To install:

  6. Install the lash adjusters and rocker arms into the cylinder head. Lubricate lightly with clean oil prior to installation.
  7. Lubricate the camshafts with clean engine oil and position the camshafts on the cylinder head.

    Fig. 11: Camshaft identification — 2.4L (4G64) engine

  8. Be sure the dowel pin on both camshaft sprocket ends are located on the top.
  9. Install the bearing caps. Tighten the caps in sequence and in 2 or 3 steps. No. 2 and 5 caps are of the same shape. Check the markings on the caps to identify the cap number and intake/exhaust symbol. Only L (intake) or R (exhaust) is stamped on No. 1 bearing cap. Also, be sure the rocker arm is correctly mounted on the lash adjuster and the valve stem end. Torque the retaining bolts to 15 ft. lbs. (20 Nm).
  10. Apply a coating of engine oil to the oil seal. Using the proper size driver, press-fit the seal into the cylinder head.
  11. Install or connect the following:
Mirage
1.5L (4G15) ENGINE
  1. Before servicing the vehicle, refer to the precautions in the beginning of this section.
  2. Remove or disconnect the following:
  3. Loosen both rocker arm assemblies gradually and evenly and remove the rocker shafts from the vehicle.
  4. Remove or disconnect the following:

    To install:

    Fig. 12: Positioning of the camshaft dowel pin — Mirage 1.5L (4G15) engine

  5. Lubricate the camshaft with clean engine oil and slide it into the head. Be sure to position the dowel pin at the 12 o'clock position.
  6. Install or connect the following:
  7. Check valve adjustment (1997) and install the valve cover with a new gasket. Tighten the valve cover bolt to 16 inch lbs. (1.8 Nm).
  8. Install or connect the following:
1.8L (4G93) ENGINE
  1. Before servicing the vehicle, refer to the precautions in the beginning of this section.
  2. Remove or disconnect the following:
  3. Loosen both rocker arm shaft assemblies gradually and evenly and remove the rocket shafts from the vehicle.
  4. Remove or disconnect the following:

    To install:

  5. Lubricate the camshaft journals and camshaft with clean engine oil and install the camshaft in the cylinder head. Be sure to position the dowel pin at the end of the camshaft as noted during the removal procedure.
  6. Install or connect the following:

Previous Next