Previous Next

Water Pump

REMOVAL & INSTALLATION

3000GT and Diamante

Fig. 1: Water pump and related components — DOHC Diamante shown, 3000GT similar

  1. Before servicing the vehicle, refer to the precautions in the beginning of this section.
  2. Drain the cooling system.
  3. Remove or disconnect the following:
  4. Support the engine with the appropriate equipment and remove the engine mount bracket.
  5. Remove or disconnect the following:

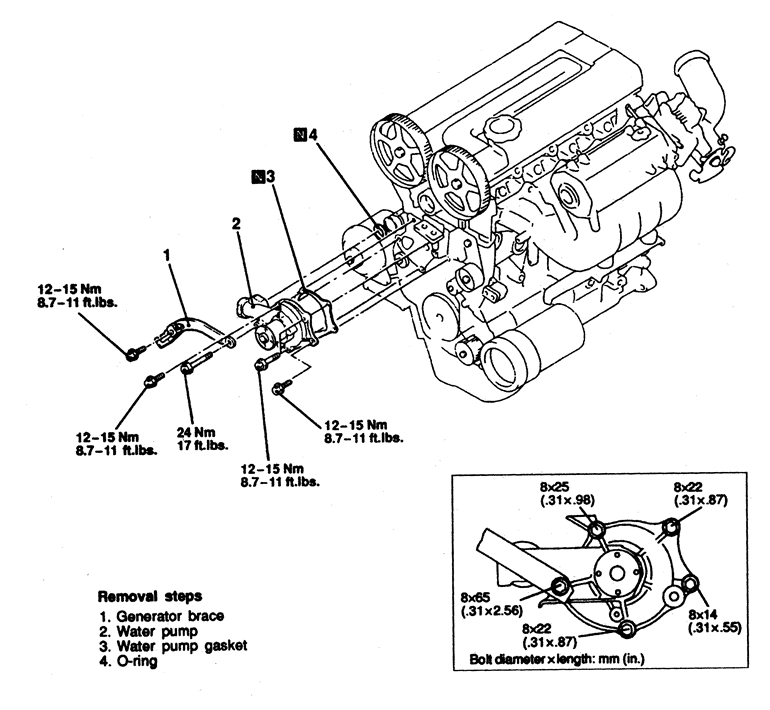
    NOTE: The water pump bolts are different in size. Note their locations for installation.

  6. Remove the water pump, gasket and O-ring where the water inlet pipe joins the pump.

    To install:

  7. Thoroughly clean both gasket surfaces of the water pump and block.
  8. Install or connect the following:
  9. Fill the system with coolant.
  10. Connect the negative battery cable, run the vehicle until the thermostat opens and fill the radiator completely.
  11. Once the vehicle has cooled, recheck the coolant level.
Eclipse

Fig. 2: Water pump mounting — 2.0L (4G63) engine

  1. Before servicing the vehicle, refer to the precautions in the beginning of this section.
  2. Disconnect the negative battery cable.
  3. Drain the engine coolant.
  4. Remove or disconnect the following:

    To install:

  5. Install or connect the following:
  6. Refill the engine with coolant.
  7. Connect the negative battery cable, start the engine and check for leaks.

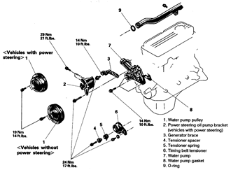
    Fig. 3: Water pump mounting — 2.0L (420A) engines

Galant

Fig. 4: Water pump bolt identification — Galant

  1. Before servicing the vehicle, refer to the precautions in the beginning of this section.
  2. Disconnect the negative battery cable.
  3. Drain the cooling system.
  4. Remove or disconnect the following:
  5. Support the engine with the appropriate equipment and remove the engine mount bracket.
  6. Remove or disconnect the following:

    To install:

  7. Thoroughly clean both gasket surfaces of the water pump and block.
  8. Install a new O-ring into the groove on the front end of the water inlet pipe and wet with clean antifreeze only. Do not apply oils or grease to the O-ring.
  9. Using a new gasket, install the water pump assembly. Tighten bolts with the head mark 4 to 10 ft. lbs. (14 Nm) and bolts with the head mark 7 to 18 ft. lbs. (24 Nm).
  10. Install or connect the following:
  11. Fill the system with coolant.
  12. Connect the negative battery cable, run the vehicle until the thermostat opens and fill the radiator completely.
  13. Once the vehicle has cooled, recheck the coolant level.
Mirage

Fig. 5: Water pump and related components — Mirage with 1.5L (4G15) engine

Fig. 6: Water pump and related components — Mirage with 1.8L (4G93) engines

  1. Before servicing the vehicle, refer to the precautions in the beginning of this section.
  2. Disconnect the negative battery cable.
  3. Drain the cooling system.
  4. Remove or disconnect the following:
  5. Support the engine with the appropriate equipment and remove the engine mount bracket.
  6. Remove or disconnect the following:

    NOTE: The water pump mounting bolts are different in length, note their positioning for reassembly.

  7. Remove the water pump, gasket and O-ring where the water inlet pipe(s) joins the pump.

    To install:

  8. Thoroughly clean both gasket surfaces of the water pump and block.
  9. For 1.5L engines, install a new O-ring into the groove on the front end of the water inlet pipe. Do not apply oils or grease to the O-ring. Wet the O-ring with water only.
  10. For 1.8L engines, apply a 0.09–0.12 in. (2.5–3.0mm) continuous bead of sealant to water pump and install the pump assembly. Install the water pump within 15 minutes of the application of the sealant. Wait 1 hour after installation of the water pump to refill the cooling system or starting the engine.
  11. Install or connect the following:
  12. Fill the system with coolant.
  13. Connect the negative battery cable, run the vehicle until the thermostat opens and fill the radiator completely.
  14. Once the vehicle has cooled, recheck the coolant level.

Previous Next