Previous Next

3000GT

REMOVAL AND INSTALLATION

  1. Disconnect the negative battery cable.
  2. Drain the cooling system into a clean container for reuse.
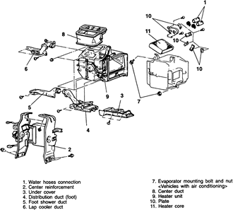
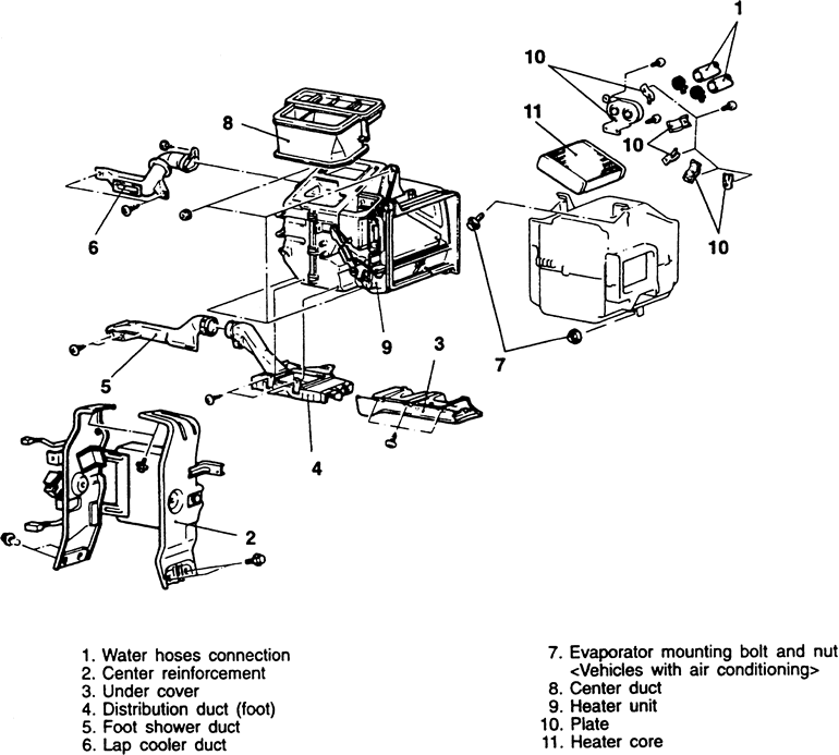
  3. Disconnect the heater hoses from the heater core.
  4. Disconnect the refrigerant lines from the evaporator core and discard the O-rings.

    CAUTION
    After disconnecting the negative battery cable, wait at least 60 seconds before working on the SRS module or instrument panel.

  5. Remove the passenger's side air bag by removing or disconnecting the following:
  6. Remove the floor console.
  7. Remove the instrument panel by removing or disconnecting the following:
  8. Install or connect the following:

    To install:

  9. Install or connect the following:
  10. Install the instrument panel by installing or connecting the following:
  11. Install the floor console.
  12. Install the passenger's side air bag by installing or connecting the following:
  13. Using new O-rings, connect the refrigerant lines to the evaporator core.
  14. Connect the heater hoses to the heater core.
  15. Refill the cooling system.
  16. Connect the negative battery cable.

Previous Next