Previous Next

Condenser

Removal & Installation

To Remove:

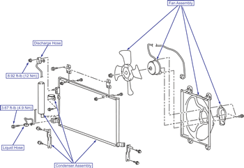
Condenser & fan assembly removal/installation (3.8L shown)

Radiator grilles fastener locations

  1. Recover the refrigerant.
  2. Remove the air duct.
  3. Remove the radiator grilles.
  4. Remove the front end structure bar.
  5. Remove the condenser fan assembly.
  6. Disconnect and cap the refrigerant lines.
  7. Remove the front under cover.
  8. Remove the condenser assembly.

To Install:

NOTE: Add 0.5 fl. Oz. (15 ml) of SUN PAG 56 refrigerant oil to the replacement condenser.

  1. Install the condenser.
  2. Apply refrigerant oil to the new O-rings and connect the refrigerant lines.
  3. Install the front under cover.
  4. Install the condenser fan assembly.
  5. Install the front end structure bar.
  6. Install the radiator grilles.
  7. Install the air duct.
  8. Evacuate and charge the A/C system.
  9. Check for leaks.

Previous Next