Previous Next

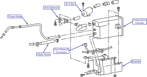
Evaporative Emission Vent Solenoid Valve

Removal & Installation

Evaporative emission canister removal/installation

Previous Next