Previous Next

Condenser

Removal & Installation

To Remove:

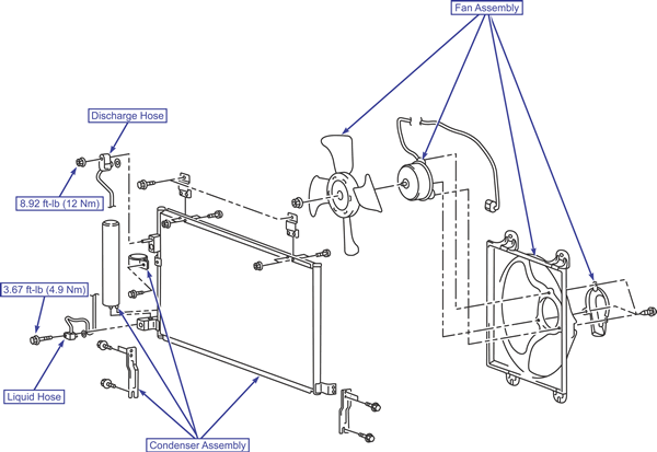
Condenser & fan assembly removal/installation (3.8L shown)

  1. Recover the refrigerant.
  2. Remove the air duct.
  3. Remove the fan assembly.
  4. Remove the radiator grilles.
  5. Remove the front end structure bar.
  6. Disconnect the refrigerant lines.
  7. Remove the condenser assembly.

To Install:

NOTE: Add 0.5 fl. Oz. (15 ml) of SUN PAG 56 refrigerant oil to the replacement condenser.

  1. Install the condenser.
  2. Apply refrigerant oil to the new O-rings and connect the refrigerant lines.
  3. Install the front end structure bar.
  4. Install the radiator grilles.
  5. Install the fan assembly.
  6. Install the air duct.
  7. Evacuate and charge the A/C system.
  8. Check for leaks.

Previous Next