
- Disconnect the negative battery cable.
- Drain the cooling system. Disconnect the upper radiator hose at the thermostat
housing.
CAUTION
When draining the coolant, keep in mind that cats and dogs are attracted
by ethylene glycol antifreeze, and are quite likely to drink any that is
left in an uncovered container or in puddles on the ground. This will prove
fatal in sufficient quantity. Always drain the coolant into a sealable container.
Coolant should be reused unless it is contaminated or several years old.
- Remove the carburetor. This will involve the removal or repositioning of
several hoses, lines and wires. Make sure each is properly labeled so it may
be reinstalled correctly.
- Disconnect any remaining vacuum lines and on some models, EGR system piping.
- Remove all the intake manifold retaining nuts and washers. These may be
difficult to break loose. Use rust penetrant freely and keep the wrench square
on the bolt to prevent breakage. Gently tap the manifold loose from the gaskets
with a rubber or plastic mallet, and remove it.
To install:
- If a new manifold is being installed, transfer parts such as the thermostat
and gasket, and any vacuum fittings. Thoroughly clean the sealing surfaces
of the cylinder head and, if it's being re-used, the manifold. Check the cylinder
head and manifold sealing surfaces for flatness with a straightedge. Correct
a warped surface by replacing the manifold or having the cylinder head surface
machined. Install new gasket(s) against the head. Make sure all bolt holes
and passages for the cooling water and intake ports align properly.
- Position the manifold against the gasket and support it there while installing
washers and nuts finger-tight. Tighten the bolts evenly and in at least two
passes to 15 ft. lbs (22 Nm).
- Install the carburetor assembly and all hoses, wires and vacuum lines.
- Refill the coolant. Connect the negative battery cable. Start the engine
and check carefully for leaks of either coolant or vacuum.
- Relieve the fuel pressure by disconnecting the wiring to the electric fuel
pump, located back by the fuel pump. Start the vehicle and let it run until
it stalls on its own. Turn the vehicle OFF.
- Disconnect the negative battery cable.
- Drain the engine coolant. Disconnect the upper radiator hose from the thermostat
housing.
- Remove the air intake hoses, breather hose and the air intake pipe.
| Fig. 1: Throttle body and air intake plenum assemblies
and components — 2.4L Engines
|
- Disconnect all wires, hoses and linkages to the throttle body.
- Disconnect the ignition coil high tension cable from the distributor.
- Disconnect the brake booster hose and vacuum hose cluster from the air intake
plenum.
- Unbolt the air intake plenum from the intake manifold and remove the plenum
from the engine.
- Cover the fuel line with a clean shop rag and disconnect the fuel lines
from the fuel rail. Keep the line covered or plugged.
- Remove and label the fuel injector harness connectors. Make sure to retrieve
the injector insulator washers, these will have to be replaced upon reinstallation.
- Remove the fuel rail assembly with injectors intact.
- Disconnect the heater hose from the manifold.
- Disconnect the wires to the engine coolant switches.
- Remove the distributor. Refer to the previously described procedure in this
section.
- Unbolt the intake manifold from the cylinder head and remove from the engine.
- Clean and dry the mating surfaces of the manifold and cylinder head.
To install:
- Using a new gasket, install the intake manifold to the head. Starting from
the middle and working outward, tighten the retaining nuts to 12 ft. lbs.
(16 Nm).
- Connect the wires to the engine coolant switches. Install the distributor
with matchmarks aligned.
- Install the fuel rail assembly to the manifold and connect the fuel line
using a new O-ring.
- Connect the heater hose to the manifold.
- Install the air intake plenum with a new gasket. Tighten the retaining bolts
to 12 ft. lbs. (16 Nm).
- Connect the vacuum hoses cluster, brake booster hose and all wires, hoses
and linkages to the throttle body.
- Install the ignition coil.
- Install the air intake pipe and hoses.
- Connect the upper radiator hose.
- Fill the radiator with coolant.
- Connect the negative battery cable and connect the jumper wire from the
fuel pump activation terminal to the positive battery post to inspect the
system for leaks.
- Set all adjustments to specifications.
- Disconnect the negative battery cable.
- Remove the air cleaner assembly from the carburetor.
- Drain the coolant. Disconnect the upper radiator hose at the thermostat
housing.
CAUTION
When draining the coolant, keep in mind that cats and dogs are attracted
by ethylene glycol antifreeze, and are quite likely to drink any that is
left in an uncovered container or in puddles on the ground. This will prove
fatal in sufficient quantity. Always drain the coolant into a sealable container.
Coolant should be reused unless it is contaminated or several years old.
- Remove the carburetor assembly. This will involve the removal or repositioning
of several hoses, lines and wires. Make sure each is properly labeled so that
it may be reinstalled correctly.
| Fig. 2: Intake manifold assembly — 2.6L
engine
|
- Remove the water outlet fitting, the thermostat and the gasket.
- Remove the secondary air cleaner assembly and the secondary air pipe.
- Disconnect the bolt holding the engine oil dipstick tube and remove the
tube and dipstick. Don't lose the O-ring on the tube.
- Loosen the adjuster for the air conditioning compressor belt and remove
the belt from the compressor. Disconnect the wire to the compressor. Remove
the bolts holding the compressor to its mounting bracket and move the compressor
(with the lines attached) out of the way. Support from a piece of stiff wire.
WARNING
Do not loosen any air conditioning lines or discharge the system.
- Remove the compressor bracket from the engine.
- Disconnect the heater hose at the manifold.
- Disconnect the brake booster vacuum hose at the manifold.
- Disconnect the small water hose at the rear of the manifold.
- Disconnect the wiring and retainers running to the manifold. Check carefully
for concealed wires underneath.
- Remove the EGR valve. Discard the gasket; it is not reusable.
- Label and disconnect the vacuum hoses from the thermo valve at the thermostat
housing.
- Loosen the nuts and bolt holding the manifold to the engine. Support the
manifold and remove it.
To install:
- Thoroughly clean the sealing surfaces of the cylinder head and the manifold.
Check the cylinder head and manifold sealing surfaces for flatness with a
straightedge. Correct a warped surface by replacing the manifold or having
the cylinder head surface machined.If the manifold is to be replaced, each
fitting and sensor must be removed and transferred to the new unit. Note that
when the thermo-vacuum valve is transferred, it must be sealed with a waterproof
sealer such as 3M 4171 or equivalent. The new manifold should be completely
equipped with its supply of sensors, vacuum ports and fittings before installation.
- Install new gasket(s) against the head. Make sure all bolt holes and passages
for the cooling water and intake ports align properly.
- Install the manifold and retaining nuts and bolt. Tighten the hardware finger-tight.
- Working from the center of the manifold outward, tighten the nuts and bolt
to 15 ft. lbs. (22 Nm) in at least 2 stages.
- Install the EGR valve with a new gasket.
- Connect the vacuum hoses to the thermo-vacuum valve. Connect the wiring
to each sensor or switch on the manifold. Make certain that the wires are
connected to the correct unit. Install any cable clamps which were removed.
- Install the small water hose to the back of the manifold.
- Connect the brake booster vacuum hose.
- Install the compressor bracket to the engine, tightening the bolts to 33
ft. lbs. (45 Nm).
- Install the compressor, tightening the bolts to 18 ft. lbs. (24 Nm). Connect
the wire to the compressor and install the belt. Tighten the belt adjuster
to draw the correct tension on the belt.
- Install the oil dipstick and tube. Make certain the tube is secure in the
engine.
- Install the secondary air tube and secondary air cleaner assembly.
- Install the thermostat with a new gasket and sealer; install the water outlet.
Tighten the bolts no more than 9 ft. lbs. (12 Nm).
- Install the carburetor assembly with a new gasket.
- Install the air cleaner assembly.
- Refill the coolant and connect the negative battery cable.
- Start the engine and check for leaks of coolant, oil or vacuum. Confirm
the proper operation of all electrical lights and gauges on the dashboard.
Turn on the air conditioning and confirm the compressor's operation.
The basic procedure for removal of the intake system is essentially the same
for 3.0L (12 valve), 3.0L (24 valve) and the 3.5L DOHC engines. The only differences
may exist in the slightly different location or shape of the same parts. If
unsure of the exact part name or location, the diagrams show the parts and their
locations for removal.
- Relieve the pressure in the fuel system. Detach the wiring from the electric
fuel pump by the fuel tank. Start the vehicle and let it run until it stalls
by itself. Turn the engine OFF.
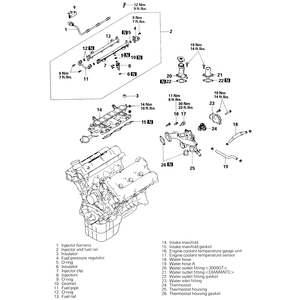
- Disconnect the negative battery cable.
| Fig. 3: Air intake plenum removal and installation
components — 3.0L Engines
|
| Fig. 4: Air intake manifold removal and installation
components — 3.0L Engines
|
| Fig. 5: Air intake plenum removal and installation
components — 3.5L Engines
|
| Fig. 6: Air intake manifold removal and installation
components — 3.5L Engines
|
- Drain most of the coolant out of the cooling system so the intake manifold
passages will be empty.
CAUTION
When draining the coolant, keep in mind that cats and dogs are attracted
by ethylene glycol antifreeze, and are quite likely to drink any that is
left in an uncovered container or in puddles on the ground. This will prove
fatal in sufficient quantity. Always drain the coolant into a sealable container.
Coolant should be reused unless it is contaminated or several years old.
- Disconnect the air intake hose.
- Remove the accelerator cable adjusting bolts.
- On vehicles equipped with an automatic transmission, remove the connection
for the throttle control cable.
- Unfasten the connection for the accelerator cable.
- Disconnect the vacuum and the brake booster vacuum hoses.
- Unfasten the EGR temperature sensor connector.
- Disengage the connection for the three vacuum hoses on the left-hand side
of the air intake plenum.
- Remove the EGR pipe attaching bolts. The gasket in this connection will
need to be replaced with a new one during reassembly.
- Unplug the ignition coil high tension cable from the coil.
- Remove the ignition coil assembly from the top of the air intake plenum.
- Remove the mounting bolt for the engine oil filler neck bracket.
- Disconnect the PVC hose from the intake plenum.
- Remove the throttle body assembly by removing the throttle body installation
bolts, taking care not to disturb the throttle body during the operation.
Leave the water hoses attached to the throttle body assembly. Set safely aside.
WARNING
The bolts holding the throttle body are of two different sizes. Note or
diagram their locations for reassembly.
- Remove the throttle body gasket. Make sure to replace this gasket upon reinstallation.
- Remove the air intake plenum front and rear stay upper bolts.
- Remove the air intake plenum mounting bolts. Remove the air intake plenum
from the intake manifold.
- Remove the air intake plenum gasket. This gasket will also have to be replaced
during installation.
- Remove the EGR valve and gasket, which will have to be replaced with a new
gasket upon reinstallation of the EGR valve.
- Remove the lower bolts on the front and rear stays, then remove the stays
themselves.
- Unfasten the high pressure fuel hose connection.
- Disconnect the fuel return hose connection.
- Disconnect the vacuum hose going to the fuel rail, next to the fuel return
hose.
- Unplug the control harness connections.
- Remove the fuel rail mounting bolts, then the fuel rail itself.
- Remove the vacuum hose assembly from under where the fuel rail had been.
- Unfasten the upper radiator hose from the water neck.
- Remove the water by-pass hose connection from the front of the intake manifold.
- Remove the intake manifold bolts and remove the intake manifold itself.
Retrieve the intake manifold gasket, this gasket will have to be replaced
upon reinstallation.
To install:
- Examine the manifold and plenum for any damage or cracking. Check each vacuum
port and water passage for any clogging or plugging. Use a straightedge and
feeler gauge to check the manifold and head surfaces for warpage. Maximum
allowable warpage on the head face is 0.012 in. (0.3mm).If the manifold and/or
plenum is to be replaced, transfer the vacuum fittings, water ports, thermostat,
EGR valve and other hardware to the new unit. The manifold should be completely
assembled before installation. Clean the mating faces of any gasket remains
or foreign matter.
- Before reinstallation, place new gaskets in position. Make certain the adhesive
side is towards the manifold, not towards the head. Do NOT add any gasket
sealer to this gasket.
- Install new insulators into the manifold.
- Place the manifold in position and install the nuts snug. When all are equally
snug, work from the center outward in a circular pattern, using two passes
to tighten the nuts to 15 ft. lbs. (22 Nm).
- Connect the wiring harness connectors and route the wiring properly.
- Install the water outlet fitting with a new gasket.
- Connect the coolant hose, the heater hose and the upper radiator hose.
- Install the fuel delivery pipe and injectors, taking care not to drop the
injectors or subject them to impact. Tighten the retaining bolts to 8 ft.
lbs. (11 Nm).
- Connect the vacuum hoses.
- Connect the fuel return line. Install a new O-ring and connect the high
pressure fuel line.
- Install a new plenum gasket (use no sealant) and install the plenum. Make
certain the printed surface of the gasket faces the intake plenum.
- Tighten the nuts on the outer edges to 13 ft. lbs. (18 Nm), then tighten
the inner bolts to 13 ft. lbs. (18 Nm).
- Install the two plenum support brackets, tightening the bolts to 10 ft.
lbs. (14 Nm).
- Install a new gasket and connect the EGR pipe. Install the EGR valve with
a new gasket.
- Connect the brake booster vacuum line, the small vacuum hoses and the PCV
hose.
- Install the throttle body with a new gasket. Remember that the bolts are
different sizes. Position them correctly and tighten them to 8 ft. lbs. (11
Nm).
- Connect the air intake hose.
- Fill the cooling system with coolant.
- Double check all installation items, paying particular attention to loose
hoses or hanging wires, untightened nuts, poor routing of hoses and wires
(too tight or rubbing) and tools left in the engine area.
- Start the engine and check for leaks of either coolant or vacuum.
