Previous Next

REMOVAL & INSTALLATION

Gasoline Engines
  1. Disconnect the negative battery cable. If the engine is carbureted, remove the air cleaner assembly. Certain fuel injected engines also require removal of the air cleaner for access or just detachment of the air hose to the intake manifold plenum.
  2. Disconnect the breather hoses running to the cover. Check for any other hose or line running over the cover. It can usually be repositioned by removing a clamp or bracket — don't disconnect any hoses unless absolutely necessary.

    Fig. 1: Valve cover and valve train components — 2.0L Engines

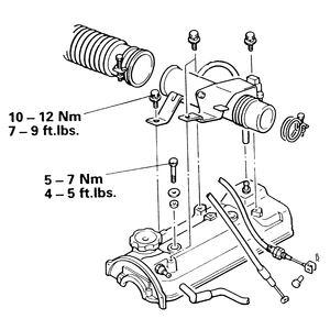
    Fig. 2: Valve cover and air intake pipe assembly — 2.4L Engines

    Fig. 3: Valve cover components — 2.6L Engines

    Fig. 4: Valve cover components — 3.0L (12 valve) Engines

    Fig. 5: Valve cover components — 3.0L (24 valve) Engines

    Fig. 6: Valve cover components — 3.5L DOHC Engines

    Fig. 7: Apply sealant to the half circle plug as shown

    Fig. 8: Installing the 3.0L (12 valve) valve cover

  3. Disconnect and label the spark plug cables and place them to the side. On DOHC engines, remove the plug connectors very carefully — they are easily damaged.
  4. Look at the end of the valve cover closest to the pulleys. Some covers overlap the upper timing belt cover. If this is so, remove the retaining bolts holding the valve cover.
  5. If the upper timing belt cover overlaps the valve cover, remove the timing belt cover, then remove the valve cover bolts. Cover the belt with a thick rag to protect it.
  6. Gently lift the valve cover up and off the head. If it is stuck, release it by tapping it with a wooden tool handle or plastic mallet. Do not ever pry on it; this will distort the cover and guarantee an oil leak after reassembly.

    WARNING
    Lift the valve cover and gasket away from the timing belt. Do not allow any oil or foreign matter to fall on the belt. It can be damaged by petroleum based products.

  7. At the end farthest from the pulleys, remove the half-circle seal from either the head or the valve cover. The V6 engines do not use this seal.

    To install:

  8. Using a parts cleaning solvent and a stiff brush, clean the valve cover inside and out. The half-circle seal will have the remains of sealant on it; clean the seal and the head or cover surface to which it mates. If these surfaces are not clean, the new sealant won't adhere properly. Clean the gasket mating surfaces on the head.
  9. Check the gasket. The square-section rubber gaskets are generally reusable, but they must be clean and free of distortion. Once the gasket has been on and off a few times, it should be replaced as a preventative measure. Check the groove or channel in the cover, making sure there is no dirt or foreign matter present.
  10. Before installing the half-circle plug, coat all of its contact surfaces with a bead of oil-proof gasket sealer. Install the plug in place. Place a very small amount of sealant on the head surface 0.4 in. (10mm) on each side of the seal. This small area will allow the gasket to seal under all temperature conditions as it expands and contracts. For V6 engines, apply a small amount of sealer to the valve cover gasket at the vertical corners.
  11. Fit the gasket into the channel in the cover and place it into position on the head. Make sure the gasket stays in place and that the cover lines up properly on all edges.
  12. If the timing belt cover was removed, reinstall it, making sure it fits properly and does not rub the belt.
  13. Install the rubber bushings, the metal washers and the retaining bolts through the cover. The trick to a leak proof installation is even tightening of the bolts. Bolt torque should not exceed 48–60 inch lbs. (5.4–6.7 Nm); 36–48 inch lbs. (4.0–5.4 Nm) is preferred. The cover must be held just tightly enough to compress the gasket. Overtightening is a leading cause of oil leaks due to deformed valve covers; once distorted, a cover is almost impossible to straighten properly. Cast aluminum covers don't distort: they crack.
  14. Reinstall the spark plug wires. Make certain that all wire guides or clips are reinstalled. If an engine ground wire was removed from the valve cover area, reinstall it.
  15. Connect the breather hoses and attach the clamps for any other hoses removed. Install the air cleaner assembly as necessary. Reconnect the negative battery cable.
  16. It is recommended that the vehicle not be started for 1–2 hours, giving the sealant time to set. While the manufacturer of the sealer may disagree, it seems reasonable to allow a tight bond to develop before subjecting it to a hot, oily environment.
  17. After the engine has been run for 20–30 minutes, shut it off and check the valve cover gasket area for oil leaks. Do not attempt to cure a leak by tightening the bolts; it won't work. If leaks are present, the cover must be removed and the cause identified.
Diesel Engines
  1. Disconnect the negative battery cable. Disconnect the breather hose from the valve cover.

    Fig. 9: Valve cover components — 2.3L Diesel Engines

  2. Remove the two retaining bolts. Catch the washer and seal on each bolt as it is removed.
  3. Lift the valve cover up and away from the head. If it does not come loose easily, tap it on a corner with a rubber or plastic mallet.
  4. Remove the gasket and check it carefully. If it is not deformed, stretched, nicked or damaged, it may be reused.
  5. Clean the inside of the valve cover thoroughly. If your oil and filter changes are frequent, there should be little or no sludge in the valve train.

    To install:

  6. Position the gasket into the cover, but do not use any sealer or adhesive. Put the cover in place on the engine.
  7. Install the bolts, making sure the washer and seal are in place on each.
  8. Tighten the bolts to 4 ft. lbs. (5 Nm). This is just tight enough to hold the cover firmly and develop a small amount of compression on the rubber gasket. Overtightening deforms the cover; the gasket cannot seal properly and oil leaks develop.

Previous Next