Previous Next

Sending Units and Sensors

REMOVAL & INSTALLATION

Engine Coolant Temperature Gauge Sensor

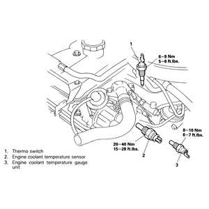
The engine coolant temperature gauge sensors on Mitsubishi trucks and Monteros are all located on the intake manifold, except for the 4D55 diesel engine (1983–85 models), which is located on the cylinder head. See the diagrams for the specific model location.

Fig. 1: Coolant system sensor locations — 2.0L and 2.6L engines

Fig. 2: Coolant system sensor locations — 2.4L engines

Fig. 3: Coolant system sensor locations — 3.0L (12 valve) engines

Fig. 4: Coolant system sensor locations — 3.0L (24 valve) engines

Fig. 5: Coolant system sensor locations — 3.5L engines

  1. Disconnect the negative battery cable.
  2. Drain the cooling system.
  3. Disconnect the electrical connector from the sensor.
  4. Unscrew the sensor from the intake manifold or cylinder head.

    To install:

  5. Clean the sensor's threads to remove any corrosion, dirt or other contaminants.
  6. Apply a liquid sealant to the threads of the sensor and gently screw into its hole. Make sure not to crossthread the sensor.
  7. Tighten the sensor to the correct torque (see figure) and refasten the sensor's wiring.
  8. Refill the cooling system as described in Section 1.
  9. Reconnect the cable to the negative battery terminal.
Oil Pressure Sender

The oil pressure sender unit is located in the same area on all Mitsubishi engines. It is located on the lower front of the engine, either mounted onto the engine vertically on the oil filter galley or horizontally next to the oil filter itself.

  1. Disconnect the negative battery cable.

    Fig. 6: Disconnecting the oil pressure gauge wiring — 2.0L and 2.6L engines

    Fig. 7: Disconnecting the oil pressure gauge wiring — 2.3L diesel engine

  2. Unfasten the electrical connector from the oil pressure sender.
  3. Remove the oil pressure sender from the engine.

    To install:

  4. Clean the sensor's threads of all dirt, oil and other contaminants.
  5. Apply a thin film of a liquid sealant to the threads, making sure not to use so much that some could drip into the engine and perhaps block an oil galley.
  6. Tighten the oil pressure sensor snugly into its mounting hole. Do not crossthread the sensor.
  7. Reconnect the sensor's wiring, and hook the negative battery cable back up to the battery.
  8. Check the engine oil level.

Previous Next