Previous Next

Timing Chain And Cover

REMOVAL & INSTALLATION

2.6L Engine
  1. Disconnect and remove the battery.
  2. Drain the cooling system.

    CAUTION
    When draining the coolant, keep in mind that cats and dogs are attracted by ethylene glycol antifreeze, and are quite likely to drink any that is left in an uncovered container or in puddles on the ground. This will prove fatal in sufficient quantity. Always drain the coolant into a sealable container. Coolant should be reused unless it is contaminated or several years old.

  3. Remove the lower radiator hose from the water pump.
  4. Remove the upper fan shroud. Carefully unbolt and remove the fan with the clutch assembly and store the fan in an upright position.
  5. Loosen the adjuster and remove the air conditioning drive belt. Loosen the alternator and power steering pump and remove their drive belts.

    Fig. 1: Timing marks — 2.6L engine

    Fig. 2: Correct installation of the silent shaft chain sprockets — 2.6L engine

    Fig. 3: Alignment of the silent shaft chain and sprockets — 2.6L engine

    Fig. 4: Adjust the upper chain guide while pulling gently on the chain at point P — 2.6L engine

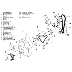
    Fig. 5: Timing chain assembly — 2.6L engine

  6. Remove the water pump pulley.
  7. Disconnect the heater hose from the water pump.
  8. Remove the mounting bolts holding the water pump to the engine. Note that the bolts are of different lengths; label or diagram them as they are removed.
  9. Remove the water pump and gasket.
  10. Remove the crankshaft bolt. Use a puller to remove the crankshaft pulley.
  11. Remove the valve cover.
  12. Remove ONLY the two small front bolts from the cylinder head; these screw into and seal the top of the timing cover.
  13. Remove the oil pan bolts (front and side) that screw into the timing cover. Use a moderately sharp instrument to separate the oil pan gasket from the underside of the front cover.
  14. Unbolt and remove the timing cover.
  15. Clean all the gasket surfaces. If the oil pan gasket was damaged in removing the front cover, carefully cut the oil pan gasket off flush with the front of the block on both sides and remove the cutoff piece of gasket.
  16. The crankshaft seal should be replaced any time the timing cover is removed. Carefully pry the oil seal out of the cover without scratching the bore into which the seal fits. Install a new seal with an seal driver or installer such as MD 998376–01 and MB 990938–01 or their equivalents.
  17. Turn the crankshaft clockwise until the timing marks align. (Both valves for cylinder No. 1 are closed and the rockers are loose.).
  18. Remove the 3 chain guides bearing on the silent shaft chain. Label or diagram each bolt as it is removed. The bolts are of different lengths and styles; they must be replaced in the correct locations.
  19. Remove the chain from the silent shaft and oil pump sprockets and then from the crankshaft sprocket. If the chain will not come off the sprockets, don't pry on it. Unbolt the silent shaft and oil pump sprockets and carefully remove them with the chain. If the chain is removed individually, remove the sprockets afterward. Some sprockets use a small key on the shaft; don't lose it.

    NOTE: The two sprockets are identical, however the oil pump drive sprocket is installed with the concave side toward the engine while the left silent shaft sprocket has the concave side out.

  20. Remove the crankshaft sprocket for the silent shaft chain.
  21. The timing chain tensioner maintains constant spring pressure on the chain. To prevent it from popping out of the oil pump it must be fastened in place. Run a piece of wire around the plunger and the left side of the oil pump.
  22. Remove the camshaft sprocket bolt and pull the distributor drive gear and the sprocket off the camshaft. Separate the chain from the sprockets and remove it. An alternate method is to loosen the crankshaft and camshaft sprockets and remove them simultaneously with the chain attached.
  23. If not already done, remove the sprocket from the crankshaft.
  24. Remove the chain guides, keeping close track of all the small bolts, washers and other hardware.

    To install:

  25. Check the chain carefully for any sign of play in the rollers, wear or damage. Replace the chain if any wear exists. Timing chains are most often replaced because of a gradual increase in length and lack of proper tension.Inspect the tensioner plunger and replace it if it shows a deep grooving where the chain has ridden against it. If the plunger needs replacement, remove the wire holding it in place and allow the spring to gradually push it out of the oil pump body. Replace the rubber seal in the oil pump body and the spring behind it when you replace the plunger. Make sure the thinner part of the plunger faces downward. Wire the new follower in place just as the old one was.If the timing chain guides show heavy grooving, they should be replaced. Sprockets should be replaced if the teeth are rounded, deformed or cracked.
  26. Install the left and right chain guide. Don't forget the small sprocket holder; it will be needed.
  27. Both the crankshaft sprocket and the camshaft sprocket have a small dot on their faces. Assemble the chain and sprockets so that each dot aligns with the plated links on the chain. Both sets of marks and links must align. Install the crankshaft sprocket onto the crankshaft with the chain in place and support the camshaft sprocket on the sprocket holder.
  28. Make certain the chain is riding correctly on the guides. Have the camshaft sprocket retaining bolt and the proper wrench at hand. Lift the cam sprocket into place against the cam and install the bolt. Make certain the sprocket engages the guide pin correctly. Tighten the bolt to 40 ft. lbs. (54 Nm).
  29. Remove the wire holding the tensioner plunger and allow it to tension the chain.
  30. Assemble the silent shaft sprocket, the oil pump sprocket and the silent shaft chain. Again, each sprocket is marked with a dot which must be aligned with the plated links on the chain.

    WARNING
    The sprocket for the silent shaft mounts with the concave side facing out (away from the engine block) and the sprocket for the oil pump mounts with the concave side facing the engine block.

  31. Install the silent shaft drive sprocket onto the crankshaft (sprocket B).
  32. Holding the two sprockets with the chain installed and aligned, fit the chain over the crankshaft sprocket so that the third plated link aligns with the mark on the crank sprocket. Once the chain is in place, install the other sprockets to the left silent shaft and the oil pump. Install the bolts just snug but not tight.
  33. Rotate both silent shaft sprockets (the left side and oil pump sprockets) inward slightly to position the slack in the chain in the center of the longest side of the chain (point P in the figure).
  34. Install the chain guides and adjust the upper guide (B) so that when the chain is pulled downward at the center (point P), the clearance between the chain and the guide is 0.008–0.031 in. (0.20–0.80mm). Tighten the guide locking bolt to 14 ft. lbs. (19 Nm).
  35. Before replacing the timing chain cover, check all the gasket surfaces for cleanliness and inspect the cover for cracks or damage.
  36. Using a new gasket, cut an exact replacement for the section of oil pan gasket damaged during removal. Insert this piece of gasket onto the front of the pan in the exact position of the old piece. Use liquid sealer on the joint between the two sections of gasket on both sides.
  37. Using new gaskets carefully positioned, install the chain cover and tighten the bolts to 10 ft. lbs. (14 Nm).
  38. Lightly coat the outside diameter of the crankshaft pulley boss with clean engine oil. Install the pulley onto the crankshaft, followed by the washer and bolt. Tighten the bolt to force the pulley all the way on. Tighten the bolt to 88 ft. lbs. (119 Nm).
  39. Install the two head bolts through the head and into the timing chain cover. Tighten the bolts to 14 ft. lbs. (19 Nm).
  40. Install the oil pan bolts, tightening them evenly to 4 ft. lbs. (5 Nm).
  41. Install the water pump with a new gasket. Don't forget to install the alternator bracket.
  42. Connect the heater hose to the water pump.
  43. Install the water pump pulley.
  44. Install the drive belts beginning with the power steering belt, then the alternator belt and the A/C compressor belt.
  45. Install the fan and clutch assembly if it was removed. Install the upper fan shroud.
  46. Adjust the drive belts to the proper tension and tighten the adjusting fittings for each component.
  47. Install the lower radiator hose.
  48. Install the battery.
  49. Double check the draincock, closing it if necessary, and refill the cooling system.
  50. Connect the negative battery cable and start the engine. Check carefully for leaks, particularly around the water pump and oil pan seams.
  51. Listen for any unusual noises from the area of the timing chain. Possible causes of noise are the chain rubbing against the cover or a guide being too loose or too tight. Do not accelerate the engine if abnormal noises are heard from the timing chain case — severe damage can result.
  52. After making needed adjustments, shut the engine off, allow it to cool and set the coolant to the correct level.

Previous Next