NOTE: Elevate and safely support the vehicle as necessary for
access to various components. Depending on tools used and part location, some
components may be easier to reach from underneath. When working over the fender,
always use a fender cover to protect the paint work.If the timing belt is to
be reused, extreme care must be taken to protect it from oil, fluids and grease.
These chemicals can cause the belt to deteriorate and possibly break during
engine operation. When handling the belt, do not crimp or fold it; sharp bends
can break the fibers within the belt.
NOTE: These engines have two timing belts. One connects the
crankshaft and camshaft, the second one drives the right silent shaft.
- With the vehicle in Neutral (manual) or P (automatic),
make certain the parking brake is set and the wheels are blocked. Disconnect
the negative battery cable.
- Remove the water pump drive belt and water pump pulley. If the vehicle is
equipped with air conditioning, loosen the compressor belt tensioner and remove
the compressor belt.
- Remove the bolts holding the crankshaft pulley(s) and remove the pulley(s).
- Remove the upper and lower timing belt covers and their gaskets.
- Use a socket wrench on the projecting crankshaft bolt to turn the engine
clockwise (only!) and align all the timing marks on the sprockets and cases.
It may be necessary to wipe off the area to see the marks clearly. Do not
use spray cleaners around the timing belt.When all of the marks align exactly,
the engine is set to TDC/compression on No. 1 cylinder. From this point onward,
the camshaft and crankshaft positions MUST NOT be changed.
- If the timing belt is to be reused, make a chalk or crayon arrow on the
belt showing the direction of rotation so that it may be reinstalled correctly.
- Loosen the bolts holding the tensioner and pivot the tensioner towards the
water pump. Temporarily tighten the bolts to hold the tensioner in its slack
position.
- Carefully slide the belt off the sprockets. Place the belt in a clean, dry,
protected location away from the work area.
- Remove the camshaft sprocket bolt and remove the sprocket.
- Remove the crankshaft sprocket retaining bolt. Remove the sprocket and flange.
- Remove the plug from the left side of the cylinder block and insert a suitable
tool (with the shape of a screwdriver) to keep the left silent shaft in place.
The suitable tool should have a shaft diameter of 0.3 in. (8mm) and a shaft
length of at least 2.4 in. (60mm).
- Remove the bolt holding the oil pump sprocket and remove the sprocket.
- Loosen the mounting bolt for the right silent shaft sprocket until it can
be turned with your fingers. Do not remove it.
- Remove the tensioner for the silent shaft belt (tensioner B).
- Remove the silent shaft belt (timing belt B). Remove the crankshaft pulley
for the silent shaft belt if so desired.
WARNING
After the timing belt has been removed, do not attempt to loosen the silent
shaft bolt by holding the sprocket with pliers. If the sprocket is to be
removed, hold the pulley with your fingers.
| Fig. 1: Timing belt and components — 2.0L
engine
|
| Fig. 2: Correct placement of the tool to block the
left silent shaft
|
| Fig. 3: Location and correct alignment of timing
marks for the timing belt (camshaft)
|
| Fig. 4: Location of components for silent shaft belt
(timing belt B)
|
| Fig. 5: Common timing belt faults — replace
the belt if any of these conditions exist
|
| Fig. 6: Install spacer on the right silent shaft
correctly
|
| Fig. 7: Align the timing marks before installing
the silent shaft
|
| Fig. 8: Correct installation of tensioner B for the
silent shaft belt — the center of the pulley is offset
to the left of the bolt
|
| Fig. 9: Hold the tensioner while tightening the bolt
|
| Fig. 10: Check the silent shaft belt for the proper
deflection
|
| Fig. 11: Install the lower end of the tensioner spring
first, then attach to the water pump
|
| Fig. 12: Check the cam sprocket in the area shown
for any sign of the timing belt lifting after it is tensioned
|
| Fig. 13: The pinch test for checking timing belt
deflection — refer to the service procedure
|
- Inspect the timing belts in detail for any flaw or wear. If the belt is
not virtually perfect, replace it. A case can be made for replacing the belt
every time it is removed, particularly on high-mileage engines. Some of the
conditions to look for are:
- Hardened back surface; non-elastic and glossy; hard to mark with a fingernail.
- Cracking on back of belt, bottom of teeth or side of belt.
- Missing teeth or teeth lifting from belt.
- Side of belt worn or fuzzy. Normal belt should have clean sides as if
cut with a sharp knife.
- Wear on teeth as shown by distinct color change or worn rubber.
- Separation of inner coating from backing.
- Any uneven wear patterns on the teeth of the belt. Wear pattern should
be even across each tooth and not differ from one tooth to another.
- Check the sprockets and tensioner for wear. The sprocket teeth should be
well defined, not rounded and the valleys between the teeth should be clean.
The tensioners should spin freely with no binding or unusual noise. Replace
the tensioner if there is any sign of grease leaking from the seal. Clean
everything with a clean, dry cloth.
WARNING
Do not spray or immerse the sprockets or tensioners in cleaning solvent.
The sprocket may absorb the solvent and transfer it to the belt. The tensioners
are internally lubricated and the solvent will dilute or dissolve the lubricant.
To install:
- Install the sprocket for the silent shaft belt onto the crankshaft. Make
certain it is installed correctly.
- If the sprocket for the right silent shaft was removed, coat the spacer
with a light coating of clean engine oil and install the spacer to the shaft.
Be sure to install it in the correct direction. Install the silent shaft sprocket
and tighten the bolt finger-tight.
- Double check the timing marks on the silent shaft sprocket and crankshaft
sprocket. Carefully align the marks if necessary.
- Install the silent shaft belt, observing the direction of rotation mark
made earlier. Handle the belt carefully and do not use metal tools to guide
or force the belt into place. When installing the belt, make sure the tension
side (opposite from the tensioner) has no slack in it.
- Install the tensioner (B) with the center of the pulley located to the left
side of the mounting bolt and with the pulley flange to the front of the engine.
- Lift the tensioner with your hand so that the belt becomes taut. Hold the
tensioner in this position and tighten its bolt. Use care that only the bolt
and not the tensioner shaft is turned during tightening. The bolt should be
tightened to 13 ft. lbs. (18 Nm).
- Tighten the right silent shaft bolt to 26 ft. lbs. (35 Nm).
- Check that the timing marks are still aligned. Push down on the center of
the tension side of the belt with your finger. Correct belt deflection is
0.25 in. (5–7mm). If the deflection is not correct, the tensioner must
be released fully and the belt re-tensioned.
- Install the flange and the crankshaft sprocket onto the crankshaft. Make
certain the flange is installed in the correct direction. If it is put on
incorrectly, the belt will wear and break.
- Install the special washer and the sprocket retaining bolt to the crankshaft.
Tighten the bolt to 88 ft. lbs. (119 Nm).
- Install the camshaft sprocket to the camshaft and tighten the bolts to 66
ft. lbs. (89 Nm).
- Install the spacer, tensioner and tensioner spring if they were removed.
Install the lower end of the spring to its position on the tensioner, then
place the upper end in position at the water pump. Move the tensioner towards
the water pump and temporarily tighten it in this position.
- Install the oil pump sprocket, tightening the nut to 40 ft. lbs. (54 Nm).
Remember that the oil pump drives the left silent shaft, which is still blocked
by the tool. Hold the sprocket by hand when tightening the nut.
- Double check the alignment of the timing marks for the cam, crank and oil
pump sprockets. If any adjustment is needed to the oil pump sprocket, remove
the tool blocking the silent shaft before adjusting the sprocket. Once everything
is aligned, replace the tool in the left side of the block and leave it there
until installation of the timing belt is complete.
NOTE: If the tool can only be inserted about 1 in. (25mm)
or less, the shaft is out of position. Turn the oil pump sprocket through
one full turn clockwise; the screwdriver should then go in about 2.5 in.
(63mm).
- Install the timing belt onto the crankshaft sprocket, the oil pump sprocket
and the cam sprocket in that order. Keep the belt taut between sprockets.
If reusing an old belt, make certain that the direction of rotation arrow
is properly oriented.
- Loosen the tensioner mounting nut and bolt. The spring will move the tensioner
against the belt and tension it.
- Check the belt as it passes over the camshaft sprocket. The belt may tend
to lift in the area to the left of the sprocket. (Roughly 7 o'clock to 12
o'clock when viewed from the pulley end.) Make certain the belt is well seated
and not rubbing on any flanges or nearby surfaces.
- At the tensioner, tighten the bolt in the slotted hole first, then tighten
the nut on the pivot. If this order is not followed, the belt will become
too tight and break.
- Once again, check all the timing marks for alignment. Nothing should have
changed; check anyway.
- Remove the tool blocking the left side silent shaft. Using a socket on the
crankshaft bolt, turn the crankshaft smoothly one full turn (360°). Do
NOT turn the engine backwards.
- Loosen the tensioner nut and bolt. The spring will allow the tensioner to
tighten a little bit more because of the slack picked up during engine rotation.
Tighten the bolt, then the nut to 36 ft. lbs. (49 Nm).
- Check the deflection of the belt. At the middle of the right (tension) side
of the belt, deflect the belt outward with your finger, toward the timing
case. The distance between the belt and the line of the cover seal should
be about 0.5 in. (14mm).
- Install the lower and upper timing belt covers. Make certain the gaskets
are properly seated in the covers and that they don't come loose during installation.
- Install the crankshaft pulley.
- Install the water pump pulley, tightening the bolts and install the belt.
Adjust the belt to the correct tension.
- Connect the negative battery cable. Start the engine and let it idle, listening
for any unusual noises from the area of the timing belt. Possible causes of
noise are the belt rubbing against the covers or a sprocket flange, the belt
being too loose and slapping, or a tensioner binding. Do not accelerate the
engine if abnormal noises are heard from the timing belt assembly — severe
damage can result.
- Disconnect the negative battery cable.
- Remove all drive belts and any accessories which may block access to the
timing belt covers.
- Remove the upper timing belt cover. Note that the bolts are of different
lengths; diagram their location for proper reinstallation.
- Rotate the engine by hand (clockwise) until all the timing marks align.
This positions No. 1 cylinder at TDC/compression.
- If either or both of the timing belts are to be reused, mark the direction
of rotation on the belt with chalk or a felt marker.
- Remove the center bolt and washer holding the crankshaft pulley and remove
the pulley. Do not turn the engine out of position during this removal.
- Remove the lower timing belt cover.
- Slightly loosen the retaining (lock) bolts for the timing belt tensioner.
Move the tensioner towards the water pump and tighten the bolts; this holds
the tensioner in the slack position.
NOTE: If the silent shaft timing belt is not being removed,
DO NOT loosen the tensioner for the silent shaft belt.
- Remove the camshaft sprocket and the injection pump sprocket. Do not let
either shaft turn out of place during the removal. Remove the timing belt
without forcing it or kinking it.
- If the silent shaft belt is to be removed, the silent shafts must be locked
in place. On the right side, remove the rubber plug from the silent shaft
case and insert a screwdriver-shaped prytool; the shaft should have a diameter
of 0.32 in. (8mm). On the left side, remove the cover panel from the silent
shaft case and insert a broad round bar; a short extension for a socket wrench
is an ideal tool.
- Remove the silent shaft sprockets; label each sprocket so it may be reinstalled
in its original position. Remove the timing belt.
- Check the belt carefully for damage, wear or deterioration. Check the teeth
carefully for any cracking at the base or separation from the backing. Do
not use detergents or solvents to clean the belt or the sprockets. Clean them
only with dry cloths or brushes. Pay particular attention to the edges of
the belt; they should not be frayed or worn.
To install:
- Install the crankshaft sprocket for the silent shaft belt, the flange and
the timing belt sprocket. Make certain the sprockets and flange are installed
in the correct positions; if either sprocket is installed backwards, the belt
may jump off or become damaged.
- Install the crankshaft pulley; tighten the bolt to 52 ft. lbs. (70 Nm).
- Install the injection pump sprocket and flange.
- Install the spacer on the left silent shaft with its tapered end inward
or toward the oil seal. If the spacer is not placed correctly, the oil seal
will be damaged.
- Install the silent shaft sprockets and flanges, tightening the bolts to
28 ft. lbs. (38 Nm). The shafts must be held in place with the tools used
during disassembly.
- The tensioner for the silent shaft belt should still be in the slack position.
Align the timing mark of the crankshaft sprocket if necessary.
- Align the timing marks of each silent shaft sprocket.
- Install the silent shaft timing belt (belt B), making certain that there
is no slack between the crankshaft pulley and the right (upper) silent shaft.
This side of the belt is called the tension side.
WARNING
If the belt is being reused, it must be reinstalled in the same direction
of rotation. Observe the marks made during disassembly.
- Use a finger to push down on the slack side of the belt — between
the tensioner and the right side silent shaft — and check
that the timing marks on the sprockets remain in alignment.
- Keep your finger on the belt. Loosen the mounting nut and bolt on the tensioner
and allow the tensioner to move against the belt under its own spring tension.
NOTE: Do not assist the tensioner by pushing on it.
- Tighten the tensioner nut, then the bolt to hold the tensioner in place.
If the bolt is tightened first, the tensioner will turn and the tension will
become incorrect.
- Check the timing marks; all should be aligned. Press on the mid-point of
the belt's tension side; belt deflection should be 0.16–0.20 in. (4–5mm).
- The tensioner for the timing belt (belt A) should be in the slack position.
Double check the alignment of all three pulleys for belt A; the timing marks
should all align.
- Install the timing belt (in the correct direction if reusing the old belt)
first onto the crankshaft sprocket, then onto the injection pump and then
onto the camshaft sprocket. The tension side (crankshaft to injection pump)
must be kept taut.
NOTE: The sprocket on the injection pump tends to rotate
by itself during this procedure. Hold the sprocket in position while installing
the belt. An assistant can be useful during this three–handed installation.
- Loosen the tensioner mounting bolt and allow the spring tension to take
up the slack in the belt. Don't push on the tensioner.
- Tighten the tensioner slot side bolt before tightening the fulcrum bolt.
If bolts are tightened out of order, the tensioner turns and the belt is placed
under incorrect tension. After the belt is under tension, check the camshaft
pulley; the belt may be lifting on the upper, outer edge (10 o'clock position).
Make certain the belt is firmly seated on the sprocket.
- Check the timing marks on all sprockets for correct alignment. Anything
not in correct position will require removal of the belt(s) and alignment
of the sprockets.
- Using a wrench on the crankshaft pulley bolt, turn the engine clockwise
until the camshaft sprocket has moved 2 teeth. Now turn the engine back (counterclockwise)
to its original position.
- Use a finger to press on the belt midway between the camshaft sprocket and
the injection pump sprocket. Belt deflection should be 0.16–0.20 in.
(4–5mm).
- Install the upper and lower timing belt covers.
- Install the crankshaft pulley and tighten to 47–54 ft. lbs. (64–73
Nm).
- Install any accessories and drive belts that were removed.
- Connect the negative battery cable back to the battery.
| Fig. 14: Timing marks — 2.3L diesel
engine
|
| Fig. 15: The silent shafts must be held in place
|
| Fig. 16: The crankshaft sprockets and flange must
be correctly installed
|
| Fig. 17: Timing belt assembly — 2.3L
diesel engine
|
| Fig. 18: Install the spacer correctly
|
| Fig. 19: Arrangement of silent shaft timing belt — press
at point A when tensioning the belt
|
| Fig. 20: Timing marks must be aligned before installing
the timing belt
|
| Fig. 21: Turn the crankshaft until the camshaft moves
2 teeth
|
| Fig. 22: Check the tension on belt A after installation
|
- Disconnect negative battery cable.
- Remove the radiator upper shroud.
- Remove the power steering oil pump drive belt.
- Loosen and remove the air conditioning tension pulley.
- Remove the air conditioning compressor drive belt.
- Remove the alternator drive belt.
- Loosen and remove the four (4) nuts holding the cooling fan assembly on,
then remove the cooling fan.
- Remove the water pump pulley.
- Remove the power steering pump crankshaft pulley.
- Remove the crankshaft pulley.
- Remove the timing belt upper and lower covers.
- Rotate the crankshaft only clockwise and align the timing mark. Do not rotate
the crankshaft counterclockwise. Do not rotate the crankshaft after the timing
belt has been removed. If the timing belt is to be re-used, although it should
be replaced whenever removed, mark an arrow with chalk or crayon in its direction
of travel.
- Loosen and remove the timing belt tensioner.
- Make sure the timing marks are still lined up and slide the timing belt
off of the sprockets with out pinching or binding. Do not rotate any of the
engine shafts after the timing belt has been removed.
- Mark a directional arrow on the second, smaller timing belt as well. Remove
this timing belt's tensioner.
- Remove the crankshaft sprocket and flange.
- Remove the second timing belt, and make sure that the sprockets do not turn
after removal.
| Fig. 23: Timing marks — 2.4L engine
|
| Fig. 24: Timing belts and covers assembly components — 2.4L
engine
|
To install:
- Check the belt in detail. A case can be made to replace the timing belts
whenever they are removed. Some conditions to check for are:
- Hardened back surface rubber. If the belt has a glossy back surface,
is non-elastic and is so hard that even if a finger nail is forced into
it, no mark is produced.
- Cracked back surface rubber.
- Cracked or exfoliated canvas.
- Cracked tooth bottom.
- The side of belt is cracked.
- The side of the belt is badly worn. A normal belt should have clear-cut
sides as if cut with a sharp knife.
- The belt has badly worn teeth. The canvas on the load side tooth flank
of the belt is worn (fluffy canvas fibers, rubber gone and color changed
to white, and unclear canvas texture) or the canvas on the load side tooth
flank is worn down and the rubber is exposed (tooth width reduced).
- The belt is missing teeth.
- Check the sprockets and tensioner for wear. The sprocket teeth should be
well defined, not rounded and the valleys between the teeth should be clean.
The tensioners should spin freely with no binding or unusual noise. Replace
the tensioner if there is any sign of grease leaking from the seal. Clean
everything with a clean, dry cloth.
WARNING
Do not spray or immerse the sprockets or tensioners in cleaning solvent.
The sprocket may absorb the solvent and transfer it to the belt. The tensioners
are internally lubricated and the solvent will dilute or dissolve the lubricant.
- Align the timing mark of the silent shaft belt sprockets on the crankshaft
and silent shaft with the marks on the front case. Wrap the silent shaft belt
around the sprockets so there is no slack in the upper span of the belt and
the timing marks are still in line.
- Install the tensioner initially so the actual center of the pulley is above
and to the left of the installation bolt, and temporarily attach the tensioner
pulley so that the flange is toward the front of the engine.
- Move the pulley up by hand to create tension in the belt so that the center
span of the long side of the belt deflects about 0.25 in. (6mm).
- Hold the pulley tightly so it does not rotate when the bolt is tightened.
Tighten the bolt to 15 ft. lbs. (20 Nm). If the pulley has moved, the belt
will be too tight.
- Install the crankshaft sprocket and flange onto the crankshaft.
- Install the timing belt tensioner fully toward the water pump and temporarily
tighten the bolts. Place the upper end of the spring against the water pump
body. Align the timing marks of the cam, crankshaft and oil pump sprockets
with the corresponding marks on the front case or head.
NOTE: If the following step is not followed exactly, there
is a chance that the silent shaft alignment will be 180 degrees off. This
will cause a noticeable vibration in the engine and the entire procedure
will have to be repeated.
- Before installing the timing belt, ensure that the left side silent shaft
is in the correct position.
NOTE: It is possible to align the timing marks on the camshaft
sprocket, crankshaft sprocket and the oil pump sprocket with the left balance
shaft out of alignment.
- With the timing mark on the oil pump pulley aligned with the mark on the
front case, check the alignment of the left balance shaft to assure correct
shaft timing.
- Remove the plug located on the left side of the block in the area of
the starter.
- Insert a tool having a shaft diameter of 0.3 in. (8mm) into the hole.
- With the timing marks still aligned, the tool must be able to go in
at least 2 1⁄3 in.
(59mm) . If it can only go in about 1 in. (25.4mm), turn the oil pump
sprocket 1 complete revolution.
- Recheck the position of the balance shaft with the timing marks realigned.
Leave the tool in place to hold the silent shaft while continuing.
- Install the belt to the crankshaft sprocket, oil pump sprocket and the camshaft
sprocket, in that order. While doing so, make sure there is no slack between
the sprockets except where the tensioner will take it up when released.
- Recheck the timing marks' alignment.
- If all are aligned, loosen the tensioner mounting bolt and allow the tensioner
to apply tension to the belt.
- Remove the tool that is holding the silent shaft in place and turn the crankshaft
clockwise a distance equal to 2 teeth of the camshaft sprocket. This will
allow the tensioner to automatically tension the belt the proper amount.
NOTE: Do not manually apply pressure to the tensioner.
This will overtighten the belt and will cause a howling noise.
- First tighten the lower mounting bolt and then tighten the upper spacer
bolt.
- To verify that belt tension is correct, check that the deflection of the
longest span (between the camshaft and oil pump sprockets) is 1⁄2 in.
(13mm).
- Install the timing belt covers.
- Install the crankshaft pulley and the power steering pump crankshaft pulley.
- Install the water pump pulley and the cooling fan clutch assembly.
- Install the alternator, air conditioning and power steering drive belts.
Install the air conditioning tension pulley. Adjust the belts to proper tension — refer
to Section 1.
- Install the radiator upper shroud.
- Connect the negative battery cable and road test the vehicle for proper
operation.
- Disconnect the negative battery cable. Remove the battery and battery tray,
if necessary for additional working clearance.
- Drain the cooling system.
- Disconnect the upper radiator hose at the radiator.
- Remove the fan shroud from the radiator.
- Remove the cooling fan and clutch assembly.
- Loosen the necessary components and remove the drive belts from the air
conditioning compressor, the power steering pump and the water pump/alternator.
- Remove the fan pulley from the water pump.
- Remove the power steering pump from the engine. Hang it out of the way by
using string or stiff wire. Do not disconnect any lines or hoses; just move
the whole pump with the lines attached.
- Remove the power steering pump bracket and mount.
WARNING
The bolts are of different lengths. Label or diagram each bolt and its location;
correct reassembly is required.
- Remove the tension pulley bracket (idler pulley) located just behind the
power steering pump bracket.
- Remove the air conditioning compressor. Hang it out of the way without kinking
or twisting the lines.
WARNING
Do not disconnect any lines from the compressor. Do not allow the compressor
to hang by the lines; support it securely.
- Remove the compressor bracket.
- Remove the cooling fan bracket assembly or the accessory mount.
- Remove the upper timing belt covers and their gaskets; keep the gaskets
with the covers. Removal of the crankshaft position sensor connector will
be necessary on the 3.5L engines.
WARNING
Bolts are of three different lengths; label or diagram their location during
removal.
- Remove the crankshaft pulley. Use only the specified special tools (MD998754
& MB990767–01), or a damaged pulley damper could result.
- Remove the lower timing belt cover.
- Use a wrench on the crankshaft bolt to turn the engine clockwise until all
the timing marks align. This positions the engine at TDC/compression for No.
1 piston. Once positioned, the engine must not be moved out of place.
- Install the special counter-holding tools or equivalent and remove the crankshaft
pulley. The large center bolt will be tight; do not turn the motor during
removal.
- Remove the front flange from the crankshaft sprocket.
- Loosen the timing belt tensioner bolt and turn the timing belt tensioner
counterclockwise along the elongated hole; this will relax the belt tension.
NOTE: If vehicle is equipped with automatic type timing
belt tensioner, remove the assembly, compress the pushrod and insert a small
pin to reset the tensioner.
- If the timing belt is to be reused, mark the direction of rotation on the
belt with chalk or crayon. The belt must be reinstalled in its original position.
- Carefully slide the belt off the sprockets. Place the belt in a clean, dry,
protected location away from the work area. if the tensioner is to be removed,
disconnect the spring and remove the retaining bolt.
- Inspect the timing belt in detail for any flaw or wear. If the belt is not
virtually perfect, replace it. A case can be made for replacing the belt every
time it is removed, particularly on high-mileage engines. Some of the conditions
to look for are:
- Hardened back surface; non-elastic and glossy; hard to mark with a fingernail.
- Cracking on back of belt, bottom of teeth or side of belt.
- Missing teeth or teeth lifting from belt.
- Side of belt worn or fuzzy. Normal belt should have clean sides as if
cut with a sharp knife.
- Wear on teeth as shown by distinct color change or worn rubber.
- Separation of inner coating from backing.
- Any uneven wear patterns on the teeth of the belt. Wear pattern should
be even across each tooth and not differ from one tooth to another.
- Check the sprockets and tensioner for wear. The sprocket teeth should be
well defined, not rounded and the valleys between the teeth should be clean.
The tensioners should spin freely with no binding or unusual noise. Replace
the tensioner if there is any sign of grease leaking from the seal. Clean
everything with a clean, dry cloth.
WARNING
Do not spray or immerse the sprockets or tensioners in cleaning solvent.
The sprocket may absorb the solvent and transfer it to the belt. The tensioners
are internally lubricated and the solvent will dilute or dissolve the lubricant.
| Fig. 25: Timing belt and cover installation and removal
components — 3.0L Engines
|
| Fig. 26: Correct bolt location by length — 3.0L
Engines
|
| Fig. 27: Timing belt and sprocket layout — 3.0L
Engines
|
| Fig. 28: Special tools needed for timing belt removal — 3.0L
Engines
|
- If the tensioner was removed, it must be reinstalled. After bolting it loosely
in place, connect the spring onto the pin. Make certain the spring faces in
the correct direction on the tensioner. Turn the tensioner to the extreme
counterclockwise position on the elongated hole and tighten the bolt just
enough to hold the tensioner in this position.
- Double check the alignment of the timing marks on the camshaft and crankshaft
sprockets.
- Observing the direction of rotation marks made earlier, install the belt
onto the crankshaft sprocket and then onto the left bank camshaft sprocket.
Maintain tension on the belt between the sprockets.
- Continue installing the belt onto the water pump, the right bank cam sprocket
and the tensioner.
- With your fingers, apply gentle counterclockwise force to the left camshaft
sprocket. When the belt is taut on the tension side, the timing marks should
align perfectly.
- Install the flange on the crankshaft sprocket.
- Loosen the bolt holding the tensioner one or two turns and allow the spring
tension to draw the tensioner against the belt.
- Using special tool MB 998716–01 or equivalent adapter, turn the crankshaft
two complete revolutions clockwise. Turn the crank smoothly and re–align
the timing marks at the end of the second revolution. This allows the tensioner
to compensate for the normal amount of slack in the belt.
- With the timing marks aligned, tighten the tensioner bolt to 18 ft. lbs.
(25 Nm).
- Inspect each gasket for the timing covers. The gaskets should be clean and
pliable. Replace any which are distorted, cracked or broken. Coat the channel
in each timing cover with a light coat of adhesive such as 3M® EC
870 or equivalent. Press the seals squarely into their channels.
- Install the lower timing cover. Then install the upper timing covers, making
sure each is properly seated. Tighten the bolts to 8 ft. lbs. (11 Nm).
- Install the cooling fan bracket or the accessories mount and stay.
- Install the air conditioning compressor bracket and install the compressor.
- Install the idler pulley bracket assembly.
- Install the mount and bracket for the power steering pump.
- Install the power steering pump.
- Install the cooling fan pulley.
- Install the drive belts: alternator/water pump, power steering and A/C compressor
in that order. Adjust each belt to the correct tension.
- Install the fan and clutch assembly.
- Install the radiator shroud.
- Connect the upper radiator hose.
- Fill the cooling system with coolant.
- Double check all installation items, paying particular attention to loose
hoses or hanging wires, untightened nuts, poor routing of hoses and wires
(too tight or rubbing) and tools left in the engine area.
- Connect the negative battery cable. Start the engine and let it idle, listening
for any unusual noises from the area of the timing belt. Possible causes of
noise are the belt rubbing against the covers or a sprocket flange, the belt
being too loose and slapping, or a tensioner binding. Do not accelerate the
engine if abnormal noises are heard from the timing belt train — severe
damage can result.
- Final adjustment of the drive belts may be needed.
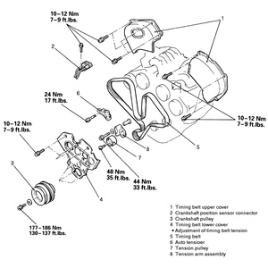
| Fig. 29: Timing belt and cover installation and removal
components — 3.5L Engines
|
| Fig. 30: Timing belt and cover installation and removal
components — 3.5L Engines
|
| Fig. 31: Timing marks and belt set-up — 3.5L
Engines
|
| Fig. 32: Make sure to install the belt so that the
arrow marked on it during removal points in a clockwise direction — 3.5L
Engines
|
| Fig. 33: Push the rod in little by little with a
vise until the set hole (A) in the rod is aligned with hole (B) in
the cylinder — 3.5L Engines
|
| Fig. 34: Insert a stiff wire through the set hole — 3.5L
Engines
|
| Fig. 35: Aligning the timing marks of the camshaft
sprockets and the marks on the head. — 3.5L Engines
|
| Fig. 36: Use two clips to hold the timing belt in
place — 3.5L Engines
|
| Fig. 37: Use a torque wrench to apply the correct
amount of tension to the timing belt — 3.5L Engines
|
| Fig. 38: Checking to see if the set pin can be easily
removed and installed into the auto tensioner — 3.5L
Engines
|
| Fig. 39: Even if the set pin cannot be easily inserted,
the auto tensioner is normal if its rod protrusion is between 3.8–4.5
mm (.149–.177 in.) — 3.5L Engines
|
| Fig. 40: Use only these specified tools to remove
and install the crankshaft pulley — 3.5L Engines
|
- Inspect the timing belt in detail for any flaw or wear. If the belt is not
virtually perfect, replace it. A case can be made for replacing the belt every
time it is removed, particularly on high-mileage engines. Some of the conditions
to look for are:
- Hardened back surface; non-elastic and glossy; hard to mark with a fingernail.
- Cracking on back of belt, bottom of teeth or side of belt.
- Missing teeth or teeth lifting from belt.
- Side of belt worn or fuzzy. Normal belt should have clean sides as if
cut with a sharp knife.
- Wear on teeth as shown by distinct color change or worn rubber.
- Separation of inner coating from backing.
- Any uneven wear patterns on the teeth of the belt. Wear pattern should
be even across each tooth and not differ from one tooth to another.
- Check the sprockets and tensioner for wear. The sprocket teeth should be
well defined, not rounded and the valleys between the teeth should be clean.
The tensioners should spin freely with no binding or unusual noise. Replace
the tensioner if there is any sign of grease leaking from the seal. Clean
everything with a clean, dry cloth.
WARNING
Do not spray or immerse the sprockets or tensioners in cleaning solvent.
The sprocket may absorb the solvent and transfer it to the belt. The tensioners
are internally lubricated and the solvent will dilute or dissolve the lubricant.
- If the auto tensioner rod is in its fully extended position, reset it as
follows.
- Keep the auto tensioner level and, in that position, clamp it in the
vise with soft jaws.
- Push the rod in little by little with the vise until the set hole (A)
in the rod is aligned with that (B) in the cylinder. The auto tensioner
MUST be placed at a right angle to the pressing surface of the press or
the vice. Push the rod in slowly to prevent the push rod from being damaged.
- Insert a wire 0.55 in. (1.4mm) in diameter into the set holes. The wire
should be as stiff as possible (such as piano wire, etc.), and should
be bent into the shape of an "L''.
- Unclamp the auto tensioner from the vise.
- Install the auto tensioner. Leave the wire installed in the auto tensioner.
Tighten the retaining bolts to 17 ft. lbs. (24 Nm).
- Install the crankshaft pulley and turn the crankshaft sprocket timing mark
forward three (3) teeth to move the piston slightly past No. 1 cylinder top
dead center.
WARNING
When the camshaft sprocket is turned with the No.1 cylinder top dead center,
there is danger that the valve and piston will interfere.
- Align the timing mark of the left bank side camshaft sprocket.
- Align the timing mark of the right bank side camshaft sprocket and support
it not to rotate with a box-end wrench.
WARNING
The camshaft sprocket will easily turn because of the valve spring force,
so be careful not to insert your fingers, etc. If the sprocket on one side
of the right bank is turned one full revolution while the sprocket timing
marks on the opposite side of the right bank are aligned, the intake and
exhaust valves may cause interference.
- Check that the camshaft sprocket timing mark of the right bank side is aligned
and clamp the timing belt in place with double clips. If the timing belt is
reused, install so that the arrow marked on it at the time of removal is pointing
in the clockwise direction.
- Set the timing belt onto the water pump pulley.
- Check that the camshaft sprocket timing mark of the left bank side is aligned
and clamp the timing belt in place with double clips.
- Set the timing belt onto the idler pulley.
- After aligning the crankshaft sprocket timing marks, turn the crankshaft
one touch counter-clockwise.
- Set the timing belt onto the crankshaft sprocket.
- Set the timing belt onto the tensioner pulley.
- Place the tensioner pulley pin hole so that it is towards the top. Press
the tensioner pulley onto the timing belt, and provisionally tighten the fixing
bolt.
- Align the crankshaft sprocket timing marks.
- Check that each of the sprocket timing marks is aligned.
- Remove the four (4) double clips holding the belt in place.
- After turning the crankshaft a 1/4 turn counter-clockwise, turn it clockwise
to the position where the timing marks are aligned.
- Loosen the center bolt on the tensioner pulley. Using the special tool and
torque wrench, apply tensioning torque to the timing belt and, at the same
time, tighten the center bolt to specifications. The timing belt tensioning
torque should be 7 ft. lbs. (9.4 Nm).
CAUTION
When tightening the center bolt, make sure that the tensioner pulley is
not rotated together.
- Remove the set pin from the auto tensioner. At this time, make sure that
the set pin can be easily removed.
- Rotate the crankshaft two (2) turns clockwise and leave it as is for five
minutes or more. Then, check again that the set pin can be easily removed
from, and installed to, the auto tensioner. Even if the set pin cannot be
easily inserted, the auto tensioner is normal if its rod protrusion is within
the following specifications: standard value (A) is 3.8–4.5 mm (.149–.177
in.). If the protrusion is out of specification, repeat steps 46–49.
- Check again that the timing marks on all sprockets are aligned properly.
- Inspect each gasket for the timing covers. The gaskets should be clean and
pliable. Replace any which are distorted, cracked or broken. Coat the channel
in each timing cover with a light coat of adhesive such as 3M® EC
870 or equivalent. Press the seals squarely into their channels.
- Install the lower timing cover. Then install the upper timing covers, making
sure each is properly seated. Tighten the bolts to 8 ft. lbs. (11 Nm).
- Install the cooling fan bracket or the accessories mount and stay.
- Install the air conditioning compressor bracket and install the compressor.
- Install the idler pulley bracket assembly.
- Install the mount and bracket for the power steering pump.
- Install the power steering pump.
- Install the cooling fan pulley.
- Install the drive belts: alternator/water pump, power steering and A/C compressor
in that order. Adjust each belt to the correct tension.
- Install the fan and clutch assembly.
- Install the radiator shroud.
- Connect the upper radiator hose.
- Fill the cooling system with coolant.
- Double check all installation items, paying particular attention to loose
hoses or hanging wires, untightened nuts, poor routing of hoses and wires
(too tight or rubbing) and tools left in the engine area.
- Connect the negative battery cable. Start the engine and let it idle, listening
for any unusual noises from the area of the timing belt. Possible causes of
noise are the belt rubbing against the covers or a sprocket flange, the belt
being too loose and slapping, or a tensioner binding. Do not accelerate the
engine if abnormal noises are heard from the timing belt train — severe
damage can result.
- Final adjustment of the drive belts may be needed.
