NOTE: The 1993–95, rear-wheel drive 2.4L (California)
Pick-ups have the same engine controls as the 3.0L engines. All other 2.4L engines
are listed as 2.4L engines.
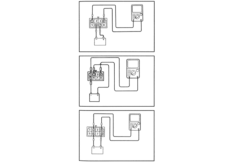
- Remove the MFI relay.
- Check the continuity between the MFI relay terminals. Check terminals 3–5
and 2–5, which should register approximately 95 ohms. Check terminals
6–7, which should register 35 ohms. Check terminals 6–8, which
will only be connected one way.
- By using the jumper wire, connect terminal 7 of the MFI relay to the (+)
terminal of the battery and terminal 6 to the (-) terminal of the battery.
WARNING
If the jumper leads are not connected to the proper terminals, the relay
will be damaged.
- While connecting the jumper wire on the (-) side of the battery, check continuity
between the terminals 1 and 4 of the MFI relay. While connected, the resistance
should be 0 ohms, and infinite resistance when disconnected.
| Fig. 1: Testing connections for the MFI relay — if
the relay does not pass all of the tests, it needs to be replaced
with a new unit
|
- By using the jumper wire, connect terminal 2 of the MFI relay to the (+)
terminal of the battery and terminal 5 to the (-) terminal of the battery.
- While connecting the jumper wire on the (-) side of the battery, check continuity
between the terminals 1 and 4 of the MFI relay. While connected, the resistance
should be 0 ohms, and infinite resistance when disconnected.
- By using the jumper wire, connect terminal 8 of the MFI relay to the (+)
terminal of the battery and terminal 6 to the (-) terminal of the battery.
- While connecting the jumper wire on the (-) side of the battery, check continuity
between the terminals 2 and 4 of the MFI relay. While connected, the resistance
should be 0 ohms, and infinite resistance when disconnected.
- Replace the MFI relay with a new one, if a malfunction occurred with the
tests.
- Remove the MFI relay.
- By using the jumper wire, connect terminal 10 of the MFI relay to the (+)
terminal of the battery and terminal 8 to the (-) terminal of the battery.
WARNING
If the jumper leads are not connected to the proper terminals, the relay
will be damaged.
| Fig. 2: Testing connections for the MFI relay — if
the relay does not pass all of the tests, it needs to be replaced
with a new unit
|
- While connecting the jumper wire on the (-) side of the battery, check the
voltage at terminals 4 and 5 of the MFI relay. While connected the voltage
should be the battery voltage, and the voltage should be 0 volts when disconnected.
- By using the jumper wire, connect terminal 9 of the MFI relay to the (+)
terminal of the battery and terminal 6 to the (-) terminal of the battery.
- While connecting the jumper wire on the (-) side of the battery, check continuity
between the terminals 2 and 3 of the MFI relay. While connected the continuity
should be 0 ohms, and the continuity should be ∞ ohms when disconnected.
- By using the jumper wire, connect terminal 3 of the MFI relay to the (+)
terminal of the battery and terminal 7 to the (-) terminal of the battery.
- While connecting the jumper wire on the (-) side of the battery, check the
voltage between at terminal 2 of the MFI relay. While connected the voltage
should be the battery voltage, and the voltage should be 0 volts when disconnected.
- Replace the MFI relay with a new one, if a malfunction occurred with the
tests.
- Remove the MFI relay.
- Check the continuity between the MFI relay terminals. Check terminals 5–7,
which should register continuity. Check terminals 6–8, which will only
show continuity in one direction.
| Fig. 3: The numbered terminals on the MFI relay — 3.0L
(24 valve) and 3.5L engines
|
- By using the jumper wire, connect terminal 7 of the MFI relay to the (+)
terminal of the battery and terminal 5 to the (-) terminal of the battery.
WARNING
If the jumper leads are not connected to the proper terminals, the relay
will be damaged.
| Fig. 4: Relay test connections — 3.0L
(24 valve) and 3.5L equipped vehicles
|
| Fig. 5: Relay test connections — 3.0L
(24 valve) and 3.5L equipped vehicles
|
- While connecting the jumper wire on the (-) side of the battery, check the
voltage at terminal 1 of the MFI relay. While connected the voltage should
be the battery voltage, and the voltage should be 0 volts when disconnected.
- By using the jumper wire, connect terminal 8 of the MFI relay to the (+)
terminal of the battery and terminal 6 to the (-) terminal of the battery.
- While connecting the jumper wire on the (-) side of the battery, check continuity
between the terminals 1–4 and 3–4 of the MFI relay. While connected
the continuity should be 0 ohms, and the continuity should be ∞ ohms
when disconnected.
- Replace the MFI relay with a new one, if a malfunction occurred with the
tests.
