Previous Next

Fuel Injectors

REMOVAL & INSTALLATION

WARNING
The injectors are extremely sensitive to dirt and impact. They must be handled gently and protected at all times. The entire work area must be as clean as possible. Any particle of dirt entering the system can foul an injector or change its operation. Any gaskets or O-rings removed with the injector MUST be replaced with new ones at reassembly. Do not attempt to reuse these seals; high pressure fuel leaks may result.

2.4L Engines
  1. Safely relieve the pressure within the fuel system — refer to the procedures described previously in this section.

    CAUTION
    The fuel system is under pressure. Release pressure slowly and contain spillage. Observe no smoking/no open flame precautions. Have a Class B-C (dry powder) fire extinguisher within arm's reach at all times.

  2. Disconnect the negative battery cable.
  3. Drain the engine coolant to a level below that of the intake manifold.
  4. Remove the air intake hose, the breather hose, the wiring harness connector,the air intake pipe and the air hose.
  5. Disconnect the accelerator and kickdown cables from the throttle body.
  6. Remove the water and vacuum hoses from the throttle body.
  7. Remove the throttle body from the intake manifold plenum — refer to the procedures described previously in this section.
  8. Extract the gasket from the throttle body/intake manifold plenum mounting surface; a new gasket will be needed upon assembly.
  9. Unplug the fuel injector wiring harness from the fuel injectors.
  10. Disconnect the high pressure fuel line from the fuel rail.

    WARNING
    There may still be residual pressure in the fuel system; release the fuel line slowly to allow pressure to escape. Have rags handy to wipe or soak up any spilled fuel.

  11. Remove the fuel return hose, the mounting bolt and the fuel pressure regulator from the fuel rail. The O-ring between the fuel rail and the fuel pressure regulator will need to be replaced with a new one upon assembly.
  12. Remove the fuel rail with the fuel injectors installed.

    NOTE: The fuel injectors are extremely sensitive to contaminants, impact or wrong voltages. Do not allow any of the injectors to fall when removing the fuel rail. If an injector does drop to the floor or other hard surface, it should be replaced.

  13. Remove the fuel rail to intake manifold insulators.
  14. Remove the injectors (with a slight pull), the O-rings, the grommets and the insulators from the fuel rail. The O-rings, the grommets and the insulators must all be replaced with new ones upon assembly.

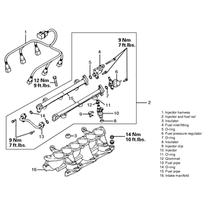
    Fig. 1: Fuel injector location and assembly components — 2.4L engines

    Fig. 2: Make certain that the intake manifold-to-throttle body gasket is in the correct position — 2.4L engines

    To Install:

  15. Reassembly begins by installing a new grommet and O-ring (in that order) onto the injector. Coat the O-ring with a light coating of oil.
  16. Install each injector into the rail by turning it to the left and right. Make sure that the injector turns freely when in place. If it does not turn under finger pressure, remove it, inspect the O-ring and reinsert the injector. While the injector does not turn during its operation, its ability to turn is an indicator of correct installation.
  17. Replace the seats (insulator) in the intake manifold. Install the delivery pipe and the injectors onto the manifold without dropping an injector. Make certain the rubber bushings are correctly seated in the installation holes.
  18. Install a new O-ring on the fuel pressure regulator and coat it lightly with clean gasoline. Install and tighten the fuel pressure regulator to fuel rail mounting bolts to 5–8 ft. lbs. (7–11 Nm).
  19. Install the fuel rail mounting bolts through the fuel return hose mounting bracket, through the fuel rail and into the intake manifold. Tighten them to 6–9 ft. lbs. (8–12 Nm).
  20. Connect the fuel return hose to the fuel return rail. Fasten it in place with the spring clip.
  21. Connect the high pressure fuel line to the fuel rail, using as new O-ring. Coat the O-ring with a little gasoline to help it seal better. Tighten the two retaining bolts to 1–2 ft. lbs. (2–3 Nm).
  22. Plug the fuel injector harness back onto the fuel injectors.
  23. Install the throttle body back onto the intake manifold plenum with a new gasket. Make sure the gasket goes onto the intake manifold plenum to throttle body opening with the gasket projection up and to the left (look straight into the intake manifold plenum opening, in other words from the passenger-side of the engine compartment). Install the throttle body mounting bolts with 11–16 ft. lbs. (15–22 Nm) of torque.
  24. Connect the vacuum hose, the water hose, the automatic transmission kickdown cable (if so equipped) and the accelerator cable. Refer to the accelerator cable adjustment procedure described earlier in this section.
  25. Connect the air hose, the air intake pipe, the breather hose and the air intake hose.
  26. Plug the wiring harness connector back into the throttle body.
  27. Fill the engine coolant system back up.
  28. Connect the negative (-) battery cable back to the battery and start the engine. The engine may turn over a few times until the fuel system pressure can be brought back up to normal.
  29. Check for any coolant or fuel leaks, repair if necessary.
3.0L and 3.5L Engines
  1. Safely relieve the pressure within the fuel system.

    CAUTION
    The fuel system is under pressure. Release pressure slowly and contain spillage. Observe no smoking/no open flame precautions. Have a Class B-C (dry powder) fire extinguisher within arm's reach at all times.

  2. Disconnect the negative battery cable.
  3. Remove the air intake plenum, following procedures listed in Section 3.
  4. Disconnect the high pressure fuel line at the delivery pipe (rail). The O-ring inside the fitting is not reusable.

    WARNING
    Have a clean rag or towel handy to catch the residual gasoline in the fuel system. Some pressure will remain within the system.

  5. Disconnect the fuel return hose and remove its O-ring. Disconnect the vacuum hose from the fuel pressure regulator.
  6. Remove the fuel pressure regulator and its O-ring.
  7. Remove the cover piece from the fuel rail, if so equipped.
  8. Unplug the electrical connector from each injector.
  9. Remove the bolts holding the delivery pipe to the engine. Note that the fuel rail is one continuous piece serving both banks of cylinders.
  10. Lift the rail with the injectors attached up and away from the engine. Take great care not to drop any of the injectors during this removal.

    NOTE: The fuel injectors are extremely sensitive to contaminants, impact or wrong voltages. Do not allow any of the injectors to fall when removing the fuel rail. If an injector does drop to the floor or other hard surface, it should be replaced.

  11. The injectors may be removed from the rail with a gentle pull. On the 3.5L engines, the injectors are held in place by injector clips; slide these off to remove the injectors. Both the grommet (insulator) and O-ring on the top of the injector must be discarded and replaced. The lower insulator or seat must also be removed and replaced.

    WARNING
    Some fuel will flow out of the delivery pipe when the injectors are removed.

  12. Reassembly begins by installing a new grommet and O-ring (in that order) onto the injector. Coat the O-ring with a light coating of clean engine oil.

    Fig. 3: Fuel injector location and assembly components — 3.0L engines

    Fig. 4: Fuel injector location and assembly components — 3.5L engines

    NOTE: Use care not to let the engine oil enter the delivery pipe.

  13. Install each injector into the rail, making sure that the injector turns freely when in place. If it does not turn under finger pressure, remove it, inspect the O-ring and reinsert the injector. (While the injector does not turn during its operation, its ability to turn is an indicator of correct installation). On 3.5L engines, install the injector clips by sliding the open ends onto both injector and fuel rail.
  14. Replace the seats (insulators) in the intake manifold. Install new rubber bushings onto the mounting points of the fuel rail. Install the delivery pipe and the injectors onto the manifold without dropping an injector. Make certain the rubber bushings are in place under the delivery pipe brackets.
  15. Tighten the fuel rail bolts to 9 ft. lbs. (12 Nm).
  16. Plug each electrical connector onto its proper injector.
  17. Install the cover on the fuel rail (if so equipped); tighten the bolts to 6 ft. lbs. (8 Nm).
  18. Replace the O-ring, coat it lightly with gasoline and install the fuel pressure regulator. Tighten the fasteners to 7 ft. lbs. (9 Nm).

    Fig. 5: When installing the injectors on the fuel rails, make certain that the injector clip openings face toward the center of the two rails — 3.5L engines

    Fig. 6: The injector clips MUST be used to secure the injectors onto the fuel rails — 3.5L engines

    Fig. 7: Attach 6 new injector insulators and 4 new delivery pipe insulators to the intake manifold — 3.0L and 3.5L engines

    Fig. 8: When securing the delivery pipe, confirm that the insulators are properly situated — 3.0L and 3.5L engines

  19. Connect the fuel return hose and any vacuum hoses.
  20. Install the new O-ring, coat it lightly with gasoline and install the high pressure fuel line. Make certain the O-ring is not damaged during installation. Tighten the bolts to 1.5–2 ft. lbs. (2–3 Nm).
  21. Reinstall the air intake plenum; refer to Section 3 of this manual for the removal and installation procedure.
  22. Reattach any component removed earlier.
  23. Connect the negative battery cable.

Previous Next