Previous Next

Control Panel and Blower Switch

REMOVAL & INSTALLATION

1983–86 Pick-up
  1. Remove the knobs from the heater control sliders and from the radio.
  2. Remove the instrument cluster, referring to the detailed procedure later in this section.
  3. Label and disconnect each control cable at the heater case. Once the cables are disconnected, do not change the positions of the levers on the case.
  4. Remove the 4 screws holding the heater control panel to the dashboard. Remove the panel carefully. Remember that the cables are still attached and must be routed through the dash.
  5. Begin reinstallation by routing the cables through the opening in the dash. Make sure the cables are correctly routed to the levers on the case.
  6. Install the retaining screws for the panel.
  7. Connect the cables to the proper levers. Double check any retainers or locking clips.
  8. Check the operation of each heater control; it should move smoothly and without binding.
  9. Install the instrument cluster assembly.
  10. Install the knobs for the radio and heater controls.

    Fig. 1: Removing the heater controls requires removal of the instrument cluster — 1983–86 Pick-ups

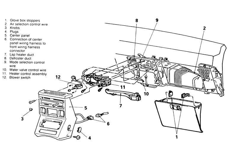
1987–95 Pick-up
  1. Remove the glove box stopper.
  2. Remove the glove box.
  3. Disconnect the air selection control cable.
  4. Remove the knobs from the heater control panel.
  5. Carefully remove the center trim panel. The retaining screws are concealed.
  6. Disconnect the left defroster duct.
  7. Remove the mode selection control cable.
  8. Disconnect the temperature control cable.
  9. Remove the screws holding the heater control panel to the dashboard. Remove the panel carefully. Remember that the cables are still attached and must be routed through the dash.
  10. Begin reinstallation by routing the cables through the opening in the dash. Make sure the cables are correctly routed to the levers on the case.
  11. Install the retaining screws for the panel.
  12. Connect the temperature control cable and the mode selection cable.
  13. Install the left defroster duct.
  14. Install the center panel and tighten the fittings.
  15. Install the knobs on the heater control panel.
  16. Connect the air selection cable.
  17. Install the glove box and stoppers.
  18. Test the motion of each heater control; the movement should be smooth, with no binding or jerkiness.

    Fig. 2: Heater control assembly component locations — 1987–95 Pick-ups

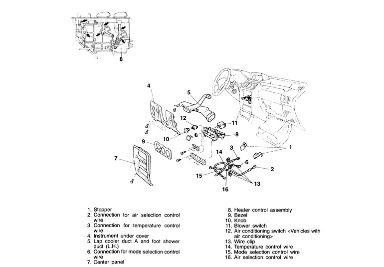
1983–91 Montero
  1. Remove the glove box stoppers and remove the glove box.
  2. Disconnect the air selection control cable.

    NOTE: Each control cable has a spring clamp holding the outer sheath of the cable in place. Before disconnecting the inner part of the cable from its lever, use a small screwdriver to lift the spring tab up and release the outer cable.

  3. Remove the knobs from the heater control panel.
  4. Remove the small plugs from the side of the lower dash or console. Check the upper section of the console (near the levers). Remove any small concealment caps to reveal the attaching screws.
  5. Remove the center panel by removing the upper and lower mounting screws.
  6. As the center panel comes loose, reach behind it and disconnect the wiring connector.
  7. Disconnect the lap heater duct under the dash.
  8. Remove the defroster duct.
  9. Disconnect the mode selector control cable.
  10. Disconnect the temperature control cable to the water valve.
  11. Unbolt and remove the heater control assembly.
  12. Remove and disconnect the blower switch if so desired.
  13. Before reinstallation, apply light grease to the slide points on the controller. Install the control panel and route the cables through the dash correctly.
  14. Tighten the mounting screws.
  15. Move the temperature control lever to the extreme left position.
  16. With the water valve lever turned fully in the counterclockwise direction, connect the inner cable to the lever and then secure the sheath in the retaining clip.
  17. Move the mode selection lever to the extreme left position.

    Fig. 3: Heater control assembly removal and installation components — 1983–91 Monteros

  18. With the mode selection damper lever (on the heater case) moved fully in a counterclockwise direction, connect the inner cable to the lever and secure the outer cable in the spring clip.
  19. Install the defroster duct and install the lap heater duct.
  20. Carefully connect the center panel wiring harness to the dash harness and install the center panel. Tighten the screws evenly and install the cover plugs.
  21. Install the knobs on the heater control levers.
  22. On the dash, move the air selection control lever to the "RECIRCULATE'' position.
  23. Move the air selection damper lever fully in the counterclockwise direction and connect the inner cable to the lever. Secure the outer cable in the spring clip.
  24. Install the glove box and its stoppers.
  25. Test the motion of each heater control; the movement should be smooth, with no binding or jerkiness.
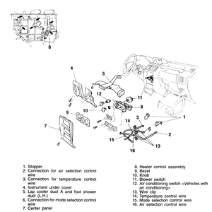
1992–95 Montero
  1. Remove the glove box stoppers and remove the glove box.
  2. Disconnect the air selection control cable and the temperature control cable from the heater unit.

    NOTE: Each control cable has a spring clamp holding the outer sheath of the cable in place. Before disconnecting the inner part of the cable from its lever, use a small screwdriver to lift the spring tab up and release the outer cable.

  3. Remove the knobs from the heater control panel.
  4. Remove the small plugs from the side of the lower dash or console. Check the upper section of the console (near the levers). Remove any small concealment caps to reveal the attaching screws.
  5. Remove the instrument under cover, then remove the left-hand side cooler and foot shower ducts.
  6. Remove the center panel by removing the upper and lower mounting screws.
  7. As the center panel comes loose, reach behind it and disconnect the wiring connector.
  8. Disconnect the mode selector control cable.
  9. Unbolt and remove the heater control assembly from the instrument panel. The bezel, knobs, blower switch and air conditioning switch (if so equipped) can now be removed from the heater control assembly.
  10. Remove the wire clips by inserting a suitably-sized prytool in the position shown in the illustration and pushing the wire clip in directions A and B. Do this for all three control cables hooked to the heater control assembly.
  11. Before reinstallation, apply light grease to the slide points on the controller. Install the control panel and route the cables through the dash correctly.
  12. Hook all three control cables to the heater control assembly with new retaining clips.
  13. Reassemble the heater control assembly, if it was disassembled. Install the A/C switch, the blower switch, the bezel and any knobs.

    Fig. 4: Heater control assembly removal and installation components — 1992–95 Monteros

    Fig. 5: Use a prytool to push the wire clip in directions A and B to remove the three control cables — 1992–95 Monteros

    Fig. 6: Push the air selection damper lever in the direction shown by the arrow to connect the mode selection control cable — 1992–95 Monteros

    Fig. 7: Push the blend air damper lever in the direction shown (arrow) to install the temperature control cable — 1992–95 Monteros

    Fig. 8: Press the air selection damper lever inward (the direction shown by the arrow) to attach the air selection control cable — 1992–95 Monteros

  14. Plug the wiring harness into the rear of the heater control assembly, then insert the assembly into its mounting bracket and secure it in place with the retaining screws.
  15. Install the center panel.
  16. Move the mode selection lever to the defroster position.
  17. With the mode selection damper lever (on the heater case) pressed fully inward (the direction of the arrow), connect the inner cable to the lever and secure the outer cable in the spring clip.
  18. Install the lap cooler duct and the foot shower duct. Secure them in place with their mounting screws.
  19. Screw the instrument under cover into place.
  20. Move the temperature control lever to the extreme right (HOT) position.
  21. With the blend air damper lever pressed completely downward, connect the inner cable to the lever and then secure the sheath in the retaining clip.
  22. On the dash, move the air selection control lever to the recirculation position.
  23. Move the air selection damper lever fully inward and connect the inner cable to the lever. Secure the outer cable in the spring clip.
  24. Install the glove box and its stoppers.
  25. Test the motion of each heater control; the movement should be smooth, with no binding or jerkiness.

Previous Next