Previous Next

REMOVAL & INSTALLATION

  1. Have the A/C system discharged by a qualified automotive mechanic.
  2. Disconnect the negative (-) battery cable from the battery.
  3. Remove the radiator grille from the front of the vehicle — refer to Section 10 for this procedure.
  4. Using two wrenches, disconnect the two lines going to the sub-condenser assembly. Once the lines are removed, cap the hoses or pipes with a blank plug to prevent entry of dust, dirt and water.
  5. Discard the old O-rings; new O-rings will be needed for re-assembly.
  6. Unplug the sub-condenser fan motor assembly harness connector.
  7. Remove the four sub-condenser to mounting bracket bolts and extract the sub-condenser/fan motor assembly from the vehicle.
  8. Unscrew the four fan motor to sub-condenser retaining bolts and separate the two components.
  9. At this time, the mounting brackets can be removed, if needed for repairs.

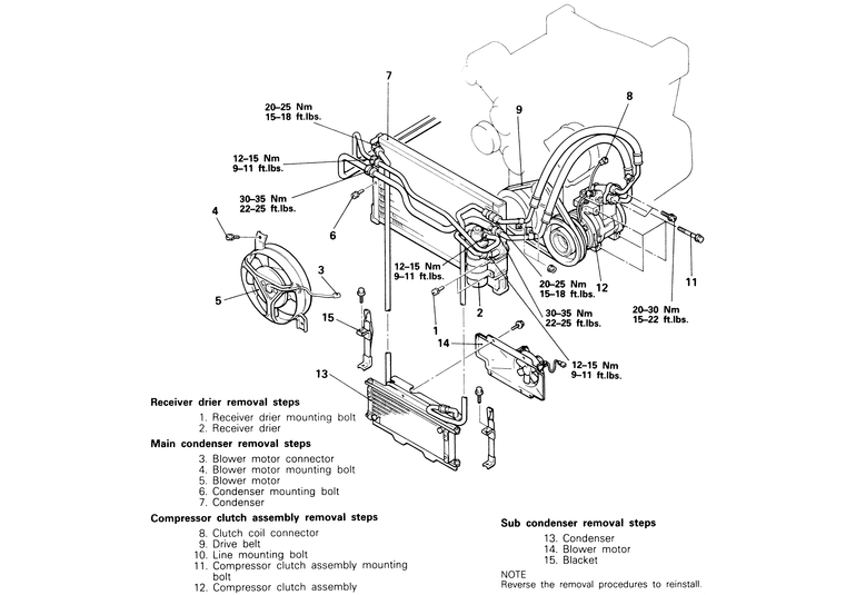
    Fig. 1: Dual air conditioner and sub-condenser/fan motor assembly components — 1983–91 Monteros

  10. To install the sub-condenser/fan motor assembly, bolt the mounting brackets back in place.
  11. Mount the fan motor assembly to the sub-condenser with the four mounting bolts.
  12. Bolt the sub-condenser/fan motor assembly to the mounting brackets on the vehicle.
  13. Plug the fan motor wiring harness connector back together.
  14. Apply a light coating of compressor oil to the new O-rings and install them onto the A/C lines.
  15. Attach the A/C lines to the sub-condenser and tighten the fittings, using two wrenches, to 15–18 ft. lbs. (20–25 Nm).
  16. Install the radiator grille and attach the negative (-) battery cable to the battery.
  17. Have the A/C system evacuated and charged by a qualified mechanic.

Previous Next