The speaker for the 1983–86 Pick-ups is located under the center of the
defroster garnish by the windshield.
- Disconnect the battery negative (-) cable from the battery.
- Pull off the radio knobs and unscrew the radio nuts on the two adjuster
stems. Note which side the knobs go on and in which order they should be installed.
- Pull off the heater fan switch and heater control lever knobs.
- Remove the cluster panel retaining screws and pull the panel out of its
hole in the instrument panel (dashboard). Pull it out just far enough to gain
access to the wires attached to it in the rear.
- Detach any electrical wires and the speedometer cable from the cluster panel.
Make sure to label the wires. If the cluster will not pull out far enough
to get at the back of it, go up from under the dashboard to remove the wires
and cable.
- Remove the cluster panel totally form the dashboard.
- Reach through the cluster panel opening, and disconnect and label any wires
going to the speaker.
- Loosen and remove the speaker retaining screws, then pull the speaker out
through the cluster hole. If too many wires or ductwork is in the way, lower
the speaker and remove it from under the dashboard.
- To install the speaker, position it up under the defroster garnish, then
secure it in its original position with the mounting screws.
| Fig. 1: The speaker is located under the dash. The
speaker will have to be loosened from underneath the dashboard and
pulled down to remove — 1983–86 Pick-ups
|
- Attach the electrical wires to the speaker.
- Place the cluster panel close enough to its hole to attach the speedometer
and wires to it.
- Mount the cluster in place with its retaining screws.
- Push all of the heater control knobs back on their respective levers.
- Tighten the radio nuts only until they are snug and push the knobs back
onto the adjuster stems.
- Connect the negative (-) battery cable to the battery.
The front speakers on the 1987–95 Pick-ups are located on the upper far
corners of the instrument panel (dashboard), by the windshield.
- Disconnect the negative (-) battery cable from the battery.
- For the driver's side speaker follow these next procedures, for the passenger's
side skip to step 3.
- Remove the hazard warning switch, the starter unlock switch or the hole
cover from the meter hood.
- Unplug the wiring going to these two switches.
- Loosen and remove the four meter hood mounting screws, then pull the
meter hood off of the instrument panel.
| Fig. 2: Front speaker removal and installation
components — 1987–95 Pick-ups
|
- Insert a trim stick into the speaker garnish and pry the speaker garnish
to remove it from the instrument panel.
- Remove the two mounting screws holding the speaker in place.
- Lift the speaker out of its hole and disconnect the electrical wiring.
- To install the speaker, attach the electrical radio wiring to the speaker.
- Set the speaker into its hole so that the mounting holes line up with each
other.
- Secure the speaker in place with the mounting screws and push the speaker
garnish back into place over the speaker.
- For the driver's side:
- Set the meter hood in place and install the four retaining screws snugly.
- Connect the hazard switch and starter unlock switch wiring to the switches.
- Pop the hazard switch, the starter unlock switch or the hole cover back
in place.
- Connect the negative (-) battery cable to the battery.
The rear speakers are located in the door rear pillar molding on both sides
of the Pick-up.
- Disconnect the negative (-) battery cable from the battery.
- Remove the four retaining screws holding the rear speaker garnish in place.
- Pull the garnish off of the speaker, then loosen and remove the four nuts
holding the speaker in place.
- Pull the speaker out far enough to gain access to the wiring and detach
the wiring from it.
- Once the speaker is removed, pull the speaker waterproof cover out of the
speaker hole.
- To install the speaker, insert the waterproof cover with the arrow marks
pointing up.
- Attach the wires to the speakers.
| Fig. 3: Rear speaker removal and installation components — 1987–95
Pick-ups
|
- Install the speaker into the waterproof cover. Install the right (passenger's
side) speaker so that the terminal faces the rear, and the left speaker so
that the terminal faces forward.
- Install the four retaining nuts onto the studs and tighten until they are
snug.
- Install the speaker garnishes with the arrows pointing up, then secure them
in place with the retaining screws.
- Attach the negative (-) battery cable to the battery.
The front speakers on the 1983–91 Monteros are located on the extreme
right and left-hand sides of the lower instrument panel, behind the oblong grilles.
- Disconnect the negative (-) battery cable from the battery.
- Unscrew the mounting screws holding the speakers in place.
- Reach up under the dashboard and extract the speakers from behind the grilles.
- Disconnect the wiring to the speakers.
- To install the speakers, attach the wiring to them.
- Hold the speaker up, behind the speaker grilles of the dashboard while screwing
the mounting screws in place. Tighten the screws only until they are snug.
- Attach the negative (-) battery cable to the battery.
| Fig. 4: Front speaker removal and installation components — 1983–91
Monteros
|
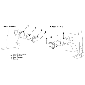
The position of the rear speakers depends on whether the Montero is a two-door
or four-door version. The two-door version has the speakers mounted to the wall,
in front of the rear wheel-well. The four-door version has the speaker mounted
above and to the rear of the rear wheel well on the wall.
- Disconnect the negative (-) battery cable from the battery.
- Loosen and remove the four speaker garnish retaining screws and pull the
garnish off of the speaker.
- Unscrew the four speaker to bracket retaining screws and pull the speaker
out far enough to disconnect the wiring attached to it.
- Remove the speaker.
| Fig. 5: Depending on the model, the speakers may
be located in two different positions — 1983–91
Monteros
|
- Remove the four bracket mounting screws holding the bracket to the wall
of the Montero.
- To install, hold the bracket in place and secure with the four retaining
screws.
- Plug the speaker wiring back into the speaker and install the speaker with
the four retaining screws to the bracket.
- Fasten the speaker garnish over the speaker with the four garnish retaining
screws.
- Attach the negative (-) battery cable to the battery.
The 1992–95 Monteros are equipped with six speakers, two on the lower
corners of the instrument panel, two on the bottom corner of the front doors,
and two located by the rear wheel well.
- Disconnect the negative (-) battery cable from the battery.
- Unscrew the retaining screws holding the grille cover in place over the
speaker.
- Remove the two mounting screws from the speaker and pull the speaker out
of its mounting hole far enough until the wiring can be removed from the back
of the speaker.
- Remove the speaker totally.
- To install the speaker, first attach the wiring to the speaker.
- Set the speaker in its mounting hole so that the screw holes line up, then
secure it in place with the retaining screws.
- Install the grille cover over the speaker and install the grille cover's
screws.
- Connect the negative (-) battery cable back to the battery.
| Fig. 6: Speaker removal and installation components
and their locations — 1992–95 Monteros
|
The four rear speakers have essentially the same removal procedure, the only
difference being the removal and installation of the trim pieces.
- Disconnect the negative (-) battery cable from the battery.
- For the door speakers, remove the door trim and for the rear speakers, remove
the quarter trim. Refer to Section 10 for the procedures of these trim pieces.
- Loosen and remove the four screws holding the speaker in place.
- Pull the speaker out far enough to gain access to the wiring and detach
the wiring from it.
- Once the speaker is removed, remove the speaker waterproof cover out of
the speaker hole. The speaker waterproof cover is held in place with three
screws on the door and four screws by the rear wheel-well.
- To install the speaker, insert the waterproof cover and secure in place
with the retaining screws.
- Attach the wires to the speakers.
- Install the speaker into the waterproof cover. Install the speakers in the
same position as they were when removed.
- Install the four retaining screws and tighten until they are snug.
- Install the trim pieces removed earlier. Once again, refer to Section 10
for more detailed instructions.
- Attach the negative (-) battery cable to the battery.
