Previous Next

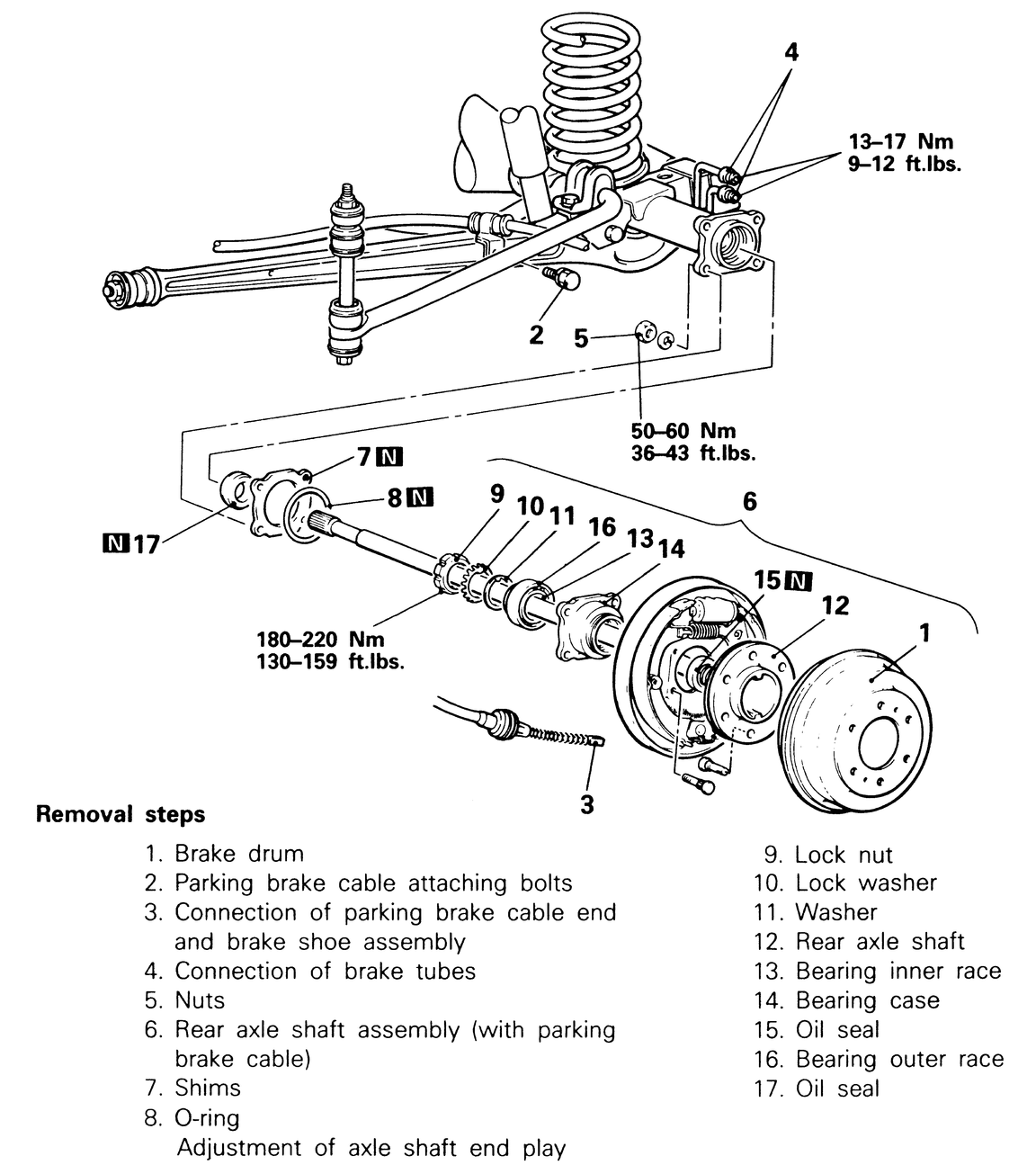
Rear Axle Shafts, Bearings And Seals

REMOVAL & INSTALLATION

1983–91 Pick-ups and Monteros
  1. Raise the vehicle and support it safely on stands.
  2. Remove the rear wheel.
  3. Remove the rear brake drum.

    CAUTION
    Brake pads and shoes may contain asbestos, which has been determined to be a cancer causing agent. Never clean the brake surfaces with compressed air! Avoid inhaling any dust from brake surfaces! When cleaning brakes, use commercially available brake cleaning fluids.

  4. Disconnect and plug the brake line(s) at the wheel cylinder. A small container will be needed to catch the leaking brake fluid before the line is plugged. If a plug for the line is not available, drain the brake fluid into a container.
  5. Disconnect the parking brake cable from the shoes and remove the cable from the backing plate.
  6. Remove the 4 nuts behind the brake backing plate holding the bearing case to the axle housing assembly.
  7. Remove the backing plate, bearing case and the axle shaft as an assembly. If this is not possible by hand, use a slide hammer to remove the assembly.
  8. Remove the O-ring and the bearing preload shims. Save the preload shims for reassembly.
  9. Remove the oil seal from the axle tube with a hooked slide hammer.
  10. To remove the axle shaft bearing, remove the notched locknut with tool MB990785–01 or a brass drift.
  11. Remove the lockwasher and flat washer.

    Fig. 1: Use the special tool MB990785–01 to remove the locknut — all vehicles except for 1992–95 Monteros

    Fig. 2: Use the tool MB990787–01 to remove the axle shaft from the bearing case — all vehicles except for 1992–95 Monteros

  12. Screw the locknut back on to the axle shaft about 3 turns.
  13. If tool MB990787–01 is not available, it will be necessary to fabricate a metal plate that fits over the axle shaft and abuts the locknut. Drill 4 holes in the plate that align with the 4 bearing case studs and fit the plate onto them. Refit 2 nuts and washers to the bearing case studs diagonally across from each other and tighten them evenly to free the bearing case and the bearing.
  14. Use a hammer and drift to remove the bearing outer race from the bearing case.
  15. Remove the outer oil seal from the bearing case.

    To install:

  16. Apply grease to the outer surface on the bearing outer race and to the lip of the outer oil seal. Drive them into the bearing case from each side.
  17. Slide the bearing case and bearing over the rear axle shaft. Apply grease on the bearing rollers and fit the inner race by pressing it into place. Be careful not to damage or deform the dust cover.
  18. Pack the bearing with grease.
  19. Install the washer, the crowned lockwasher and the locknut in that order and tighten the locknut to 148 ft. lbs (200 Nm).
  20. Bend the tab on the lockwasher into the groove on the locknut. If the tab and the groove do not line up, slightly tighten the locknut until they do.
  21. Drive the new inner oil seal into place after greasing it and refit the assembly.
  22. Install a new O-ring, install the shims and apply silicone rubber sealant to the face of the bearing case.

    Fig. 3: Use a slide hammer (impact puller) with a hooked end to remove the axle housing tube oil seal — all vehicles except for 1992–95 Monteros

    Fig. 4: Install the new bearing case race with the special Mitsubishi tool or another correctly-sized race driving tool — all vehicles except for 1992–95 Monteros

    Fig. 5: Install the oil seal with the same tools as with the race bearing — install the seal until it sits flush

    Fig. 6: Rear axle shaft, bearings and races removal and installation — all vehicles except for 1992–95 Monteros

  23. Install the entire assembly to the axle housing. Torque the retaining nuts to 40 ft. lbs. (54 Nm).
  24. Check the axle shaft end-play. If it is not between 0.0020–0.0079 in. (0.05–0.20mm), proceed with the axle shaft end-play adjustment procedure.
  25. If the end-play is within specifications, install all removed brake parts and bleed the system.
  26. Install the wheel and lower the vehicle.
  27. Road test the vehicle. Check for leaks.
1992–95 Montero
  1. Loosen the wheel lug nuts only1/2a turn.
  2. Raise and support the vehicle on jackstands.
  3. Remove the wheel(s) from the vehicle.
  4. Loosen the bleeder valve on the right rear calliper and drain the brake fluid into a container. Disconnect the rear brake calliper brake hose from the hard line on the frame.
  5. Pull the rear brake calliper off of the rear disc and remove from the vehicle.
  6. Pull the rear disc off of the rear axle.
  7. Remove the parking cable attaching bolt and disconnect the parking brake cable end from the brake assembly. Remove the parking brake assembly from the end of the axle — refer to Section 9 for this procedure.
  8. On vehicles with the ABS system, remove the speed sensor.
  9. Pull the rear axle shaft out of the axle housing. If the rear axle shaft is difficult to remove, use a slide hammer (impact puller) to remove it.

    WARNING
    Do not damage the oil seal during removal.

    Fig. 7: Rear axle shaft, bearings and races removal and installation — 1992–95 Monteros

    Fig. 8: Remove one of the rear axle studs before attempting to grind down the retainer — 1992–95 Monteros

    Fig. 9: Using a grinder, grind the retainer, on one side, down to 1–2mm (0.04–0.08 in.) thickness — 1992–95 Monteros

  10. Remove the snapring from the inside end of the axle shaft. Remove one retainer bolt from the backing plate with a plastic mallet. Apply gummed cloth tape around the edge of the bearing case for protection. Fix the axle shaft in a vise or with a similar method. Using a grinder, grind down the retainer flat, on one side, until the thickness of the retainer is only 0.04–0.08 in. (1–2mm). That is that the retainer is ground down toward the axle shaft, not toward the flange. Cut, with a chisel, the place where the retainer ring has been shaven down and remove the retainer.

    CAUTION
    Be careful not to damage the bearing case and the axle shaft.

    NOTE: Only the retainer ring is to be ground down — NOT the axle shaft, the axle flange, the bearing or any other component.

  11. Grind the plate of special tool MB990861 with a grinder (see illustration) so that there will be no interference between the plate and the bearing case. While adjusting the height of the hanger, secure the washers, plate and nuts in order so that the processed plate is as shown in the illustration.

    NOTE: The washers are used to eliminate the difference in height of the bearing case so that the plate and the bearing case are parallel.

    Place the end of the bolt against the center of the axle shaft, and then tighten the nuts to remove the axle shaft from the bearing case assembly.

    NOTE: The hanger and plate must be placed so that they are parallel.

  12. Remove the bearing inner race and the bearing outer race. To remove the races, install the tool MB990560 and use a press to remove the bearing race from the axle shaft.
  13. Remove the oil seal and the dust cover (vehicles without ABS).
  14. On vehicles without ABS, insert an iron plate of approximately 0.04 in. (1mm) thickness between the rotor assembly and the axle shaft, and then use a press to remove the rotor assembly.

    WARNING
    In order not to bend the rotor assembly plate, place the support in contact with the axle shaft when using the press.

    Fig. 10: On the ground down spot on the retainer, use a chisel to split the retainer then remove it — 1992–95 Monteros

    Fig. 11: Use the special tool (MB990861) to remove the axle shaft from the bearing case — 1992–95 Monteros

    Fig. 12: Use a iron plate and supports to remove the rotor assembly — 1992–95 Monteros

  15. Remove the axle shaft from the remaining bearings and components.
  16. Remove the backing plate.
  17. Reinstall the bearing inner race that was removed previously, then use the tool MB990799–01 and press to remove the bearing outer race.
  18. Remove the bearing case.
  19. Remove the O-ring from the end of the axle housing tube.
  20. Remove the oil seal from the end of the rear axle housing using the tool MB990211–01 (slide hammer with a hooked end), if necessary.
  21. Check the dust cover for deformation or damage. Check the oil seal for damage. Check the inner and outer bearings for seizure, discoloration and rough raceway surface. Check the axle shaft for cracks, wear and damage. For there are any of these indications, replace the part with a new one. The retainer, the bearing inner (inner and outer) and outer races and the oil seal need to be replaced with new components upon reassembly. After all of this work, it is probably a good idea to replace the bearings and the axle housing tube oil seals.

    To install:

  22. Drive the new oil seal into the end of the rear axle housing using the tools MB990932–01 and MB990938–01, if necessary.
  23. Install the new O-ring into the axle tube.
  24. Apply multipurpose grease to the external surface of the bearing out race. Press-fit the bearing outer race into the bearing case by using the toll MB990890–01.
  25. Install the speed sensor bracket to the back of the backing plate.
  26. Install the rotor assembly to the axle shaft by press-fitting (plastic mallet will also work) it on using the special tool MB991388. Slide the backing plate onto the axle shaft.
  27. Install the dust cover to the backing plate if the vehicle is equipped with ABS.
  28. Install the bearing inner race (outer) to the bearing case. Install the oil seal to the front end of the bearing case. To do this, apply multipurpose grease to the outside of the oil seal. Use the special tools MB990936–01 and MB990938–01 to press-fit the oil seal until it is flush with the end of the bearing case. Apply multipurpose grease to the lip of the oil seal.
  29. Pass the axle shaft through the bearing inner race, the bearing case and the second bearing inner race in that order. Use the special tool MB990799 to press-fit the bearing inner race to the axle shaft.

    WARNING
    Both bearing inner race sets should be press-fitted together. The left and right lengths of the axle shaft are different in vehicles with rear differential locks. The right side is longer, be careful when installing.

    Fig. 13: Use the tool (MB990799–01) to install and remove the bearing races — 1992–95 Monteros

    Fig. 14: Use the MB990560 tool to hold the bearing inner race (outer), then use a plastic hammer to drive the axle out of the race — do not let the axle fall onto a hard floor

    Fig. 15: Measure the clearance (A) between the snapring and the retainer edge — 1992–95 Monteros

  30. Use the tool MB990799–01 to press-fit the retainer onto the axle shaft, while checking that the press-fitting force is at the following values:
    1. Initial press-fitting force is 11,023 lbs. (50,000 N) or more.
    2. Final press-fitting force is 22,046–24,251 lbs. (100,000–110,000 N).
  31. If the initial press-fitting force is less than the standard value, replace the axle shaft.
  32. After installing the snapring, measure the clearance between the snapring and the retainer with a thickness gauge, and check that it is within the standard values. The standard value is 0.0065 in. (0.166mm) or less. If the clearance exceeds the standard value, change the snapring so that the clearance is at the standard value. Use the following adjusting snaprings:
  33. Install the whole axle assembly into the the axle housing. Make sure that the grooves on the end of the axle shaft line up in the differential. Use a plastic or rubber mallet to help "persuade'' the axle shaft into the differential unit. Tighten the four retaining bolts for the axle shafts to 36–43 ft. lbs. (49–59 Nm).
  34. Attach the speed sensor and install the various parking brake assembly components to the axle flange.
  35. Attach the parking brake cable to the parking brake assembly, then secure it in place with the cable bracket.
  36. Slide the brake rotor onto the axle shaft, then install the brake calliper. Tighten the brake calliper bolts to 65 ft. lbs. (88 Nm).
  37. Tighten the brake hose to the frame brake line. Tighten the flare nut to 11 ft. lbs. (15 Nm).
  38. Install the wheels and tighten the lug nuts as tight as possible with the vehicle not on the ground.
  39. Bleed the brake system — refer to Section 9 for this procedure.
  40. Lower the vehicle until the wheels are touching the ground, then finish tightening the lug nuts. Lower the vehicle the rest of the way to the ground.
  41. Road test the vehicle and check for leaks.

Previous Next