Previous Next

Door Glass, Regulator, and Power Window Motor

REMOVAL & INSTALLATION

1983–91 Montero
FRONT DOOR
  1. Lower the window.
  2. Remove the door trim pad and the moisture barrier.
  3. Using a blunt, non-marring instrument, protect the surrounding surface and gently pry the outer weatherstrip free of the door.

    Fig. 1: Be sure the Y and X measurements are correct when installing the glass

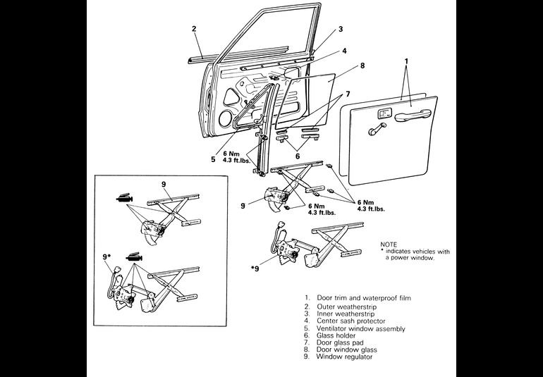
    Fig. 2: Front door glass assembly removal and installation components — 1983–91 Monteros

  4. Remove the inner weatherstrip.
  5. Remove the center sash protector. Remove the two bolts in the door and the one bolt at the leading edge of the door holding the vent window assembly. Carefully remove the vent window and its frame as a unit from the door.
  6. Disconnect the glass holder bolts from the regulator arms and lift the glass out of the door.
  7. Remove the regulator retaining bolts. Unplug the connector to the electric window motor, if there is one.
  8. Remove the window regulator. The motor for power windows may be removed once the regulator is out of the door.

    CAUTION
    The tension of the spring may cause the regulator arm to jump up when the motor is removed. Remove the regulator spring BEFORE removing the motor. Failure to do so can result in injuries.

    To install:

  9. When reassembling, install the spring and then the motor.
  10. The regulator and motor must be placed in the door as a unit. Tighten the retaining bolts to 51 inch lbs. (6 Nm). Connect the wiring for the electric motor.
  11. The metal regulator tracks and guides should receive a light coat of multipurpose grease during reassembly. Do not get any grease on the glass or the felt/rubber channels and weatherstrips.
  12. Install the window glass and holders as a unit. If the glass was removed from the holders, it must be reassembled so that the distance (Y) from the leading edge to the center of the leading holder bolt hole is 3.012–3.051 in. (76.5–77.5mm). Once that distance is established, the second holder is installed (distance X) with the centerline of the bolt hole 18.366–18.406 in. (466.5–467.5mm) from the leading holder.
  13. Install the vent window assembly and tighten the two bolts to 51 inch lbs. (6 Nm). Tighten the screw in the upper frame snug.
  14. Install the center sash protector.
  15. Install the inner and outer weather strips.
  16. Raise the window fully. Loosen the screws and bolts holding the window and the rear lower track (sash). Move the window, rear sash, and sub-roller assembly (if no vent window) to adjust the glass position. The glass must sit squarely and fit evenly at all the edges. When positioned correctly, retighten the bolts.
  17. Install the moisture barrier and the door trim pad.
REAR DOOR
  1. Lower the window.

    Fig. 3: When installing a new rear window, make certain that the slotted track is the correct distance from the front edge

    Fig. 4: Rear door glass assembly removal and installation components — 1983–91 Monteros

  2. Remove the door panel and the moisture barrier.
  3. Using a blunt, non-marring instrument, protect the surrounding surface and gently pry the outer weatherstrip free of the door.
  4. Remove the inner weatherstrip.
  5. Remove the felt and rubber runchannel. Don't abuse it; the channel will be reinstalled.
  6. Remove the small retaining screw on top of the door and the two bolts holding the center sash to the door. Remove the center sash (track) from the door by lifting it out of the door.
  7. Remove the fixed quarter glass with its weatherstrip.
  8. Unbolt the glass holder from the regulator and lift the glass out of the door.
  9. If equipped with power windows, disconnect the wiring harness to the window motor. Remove the regulator mounting bolts and remove the regulator. The electric motor may be removed if desired.

    CAUTION
    The tension of the spring may cause the regulator arm to jump up when the motor is removed. Remove the regulator spring BEFORE removing the motor. Failure to do so can result in injuries.

  10. When reassembling, install the spring and then the motor. The regulator and motor must be placed in the door as a unit. Tighten the retaining bolts to 51 inch lbs. (6 Nm). Connect the wiring for the electric motor.
  11. The metal regulator tracks and guides should receive a light coat of multipurpose grease during reassembly. Do not get any grease on the glass or the felt/rubber channels and weatherstrips.
  12. Install the window glass and holder as a unit. If the glass was removed from the holder, it must be reassembled so that the distance from the leading edge to the leading edge of the slotted track (not the glass holder frame) is 9.1–9.4 in. (23.1–23.9cm).
  13. Install the fixed glass, making sure the weatherstrip is not twisted or out of place.
  14. Install the center track or sash and tighten the screws and bolts.
  15. Raise the glass fully and inspect the fit at the top and sides. If adjustment is needed, loosen the center track bolts and move the sash to adjust the glass. Tighten the bolts when the glass is correctly located.
  16. Reinstall the moisture barrier and the door trim pad.
1992–95 Montero
FRONT DOOR
  1. Remove the inner door panel and the plastic waterproofing film.
  2. Lower the window until the mounting bolts for the window can be seen, then remove the mounting bolts on the bottom of the piece of glass.
  3. Remove the door glass holders from the door.
  4. Pull the glass up and turn it so that the rear edge comes out first. Remove the glass from the door.
  5. Remove the window regulator assembly form the door. If the vehicle is equipped with power windows, unplug the electrical wires to the motor before removal.

    To install:

  6. Mount the window regulator in the door and secure in place with the mounting bolts. Plug the electrical wires back together, if so equipped.
  7. Install the glass holders.
  8. Slide the piece of glass into the door with the front edge going in first, then rotate the glass to sit proper once it is installed in the door.
  9. Let the glass sit in the pocket on the regulator assembly, then install the mounting bolts to hold the window in place.
  10. Install the waterproofing film to the door and install the inner door panel.

    Fig. 5: Front and rear door glass assembly removal and installation components — 1992–95 Monteros

REAR DOOR
  1. Remove the inner door panel and the plastic waterproofing film.
  2. Remove the rear door center sash by removing the upper and lower mounting bolts.
  3. Remove the door glass holders from the door.
  4. Remove the glass from the door.
  5. Remove the stationary window glass and weatherstrip together as one piece.
  6. Remove the window regulator assembly form the door. If the vehicle is equipped with power windows, unplug the electrical wires to the motor before removal.

    To install:

  7. Mount the window regulator in the door and secure in place with the mounting bolts. Plug the electrical wires back together, if so equipped.
  8. Install the stationary window glass and weatherstrip into its position.
  9. Install the glass holders.
  10. Install the window glass into the door.
  11. Let the glass sit in the pocket on the regulator assembly, then install the mounting bolts to hold the window in place.
  12. Install the rear door center sash by inserting and tightening the mounting bolts.
  13. Install the waterproofing film to the door and install the inner door panel.
Pick-Up
  1. Raise the window.
  2. Remove the door pad and the moisture barrier. Remove the outside rear view mirror.
  3. Using a blunt, non-marring instrument, protect the surrounding surface and gently pry the outer weatherstrip free of the door, then remove it rearward.
  4. Remove the lower rear window sash or track. Remove the bolts and then turn the track so that it will come out the access hole.

    Fig. 6: Make certain that the Y and X measurements are correct

    Fig. 7: Door glass and regulator removal and installation components — 1983–95 Pick-ups

  5. Lower the window so that the glass mount bolts are visible at the access holes. Support the glass and remove the glass mounting bolts.
  6. Pull the door glass upward and carefully turn it so that the rear edge of the glass comes out the top of the door. Remove the glass.
  7. Support the regulator and remove the regulator mounting bolts. An assistant can be useful here. Unplug any electrical wiring going to the regulator.
  8. Remove the regulator through the access hole.

    To install:

  9. Reinstall the regulator and secure the bolts. Plug the electrical wire connectors back together, if removed.
  10. Install glass assembly with the holders attached. Use the same half-turn method to install the glass as was used to remove it. If the glass was changed or removed from the holders, it must be reassembled so that the distance (Y) from the rear edge of the glass to the center of the nearest bolt hole (in the holder) is 3.9–4.0 inches. (99–100mm). Once that distance is established, the second holder is installed so that the distance (X) between the center of the bolt holes is 18.3–18.4 in. (465–467mm).
  11. Install the rear sash and tighten its bolts.
  12. Install the outer weatherstrip.
  13. Install the outer mirror.
  14. Roll the window all the way up. Check the fit of the glass at the top and sides. Loosen the roller guide mounting volts and then adjust the slant of the glass front-to-back. lower the door glass until the holder reaches the access holes and loosen the glass holder mounting bolts. Adjust the front to rear position of the glass. Loosen the bolts holding the lower vertical window track and adjust the glass position.

    NOTE: Any one adjustment may affect the others and more than one pass may be necessary. Operate the window bit by bit, checking the fit at every location in every position. Once the window is correctly placed, tighten the retaining bolts.

  15. Install the moisture barrier and the door trim.

Previous Next