Following is a listing of vacuum diagrams for most of the engine and emissions package combinations covered by this manual. Because vacuum circuits will vary based on various engine and vehicle options, always refer first to the emissions label found in the engine compartment, if present. Should the label be missing, or should your vehicle be equipped with a different engine from original equipment, refer to the diagrams below for the same or a similar configuration.
If you wish to obtain a replacement emissions label, most manufacturers make the labels available for purchase. The labels can usually be ordered from a local dealer.
| Fig. 1: 1972 ff–1 and 1300G engines |
| Fig. 2: 1972 1300 and 1973 1400 engines |
| Fig. 3: 1974 1400 engines |
| Fig. 4: 1975 1400 engines — Federal (Auto. Trans.) and California (Man. Trans.) |
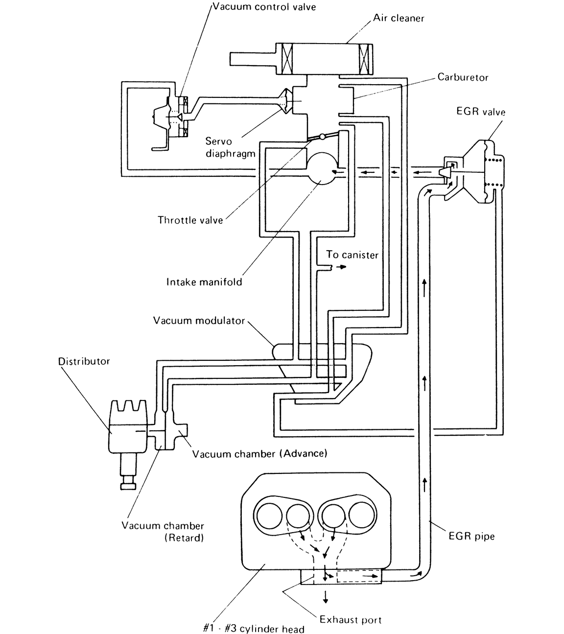
| Fig. 5: 1975 1400 engines — Federal (Man. Trans.) |
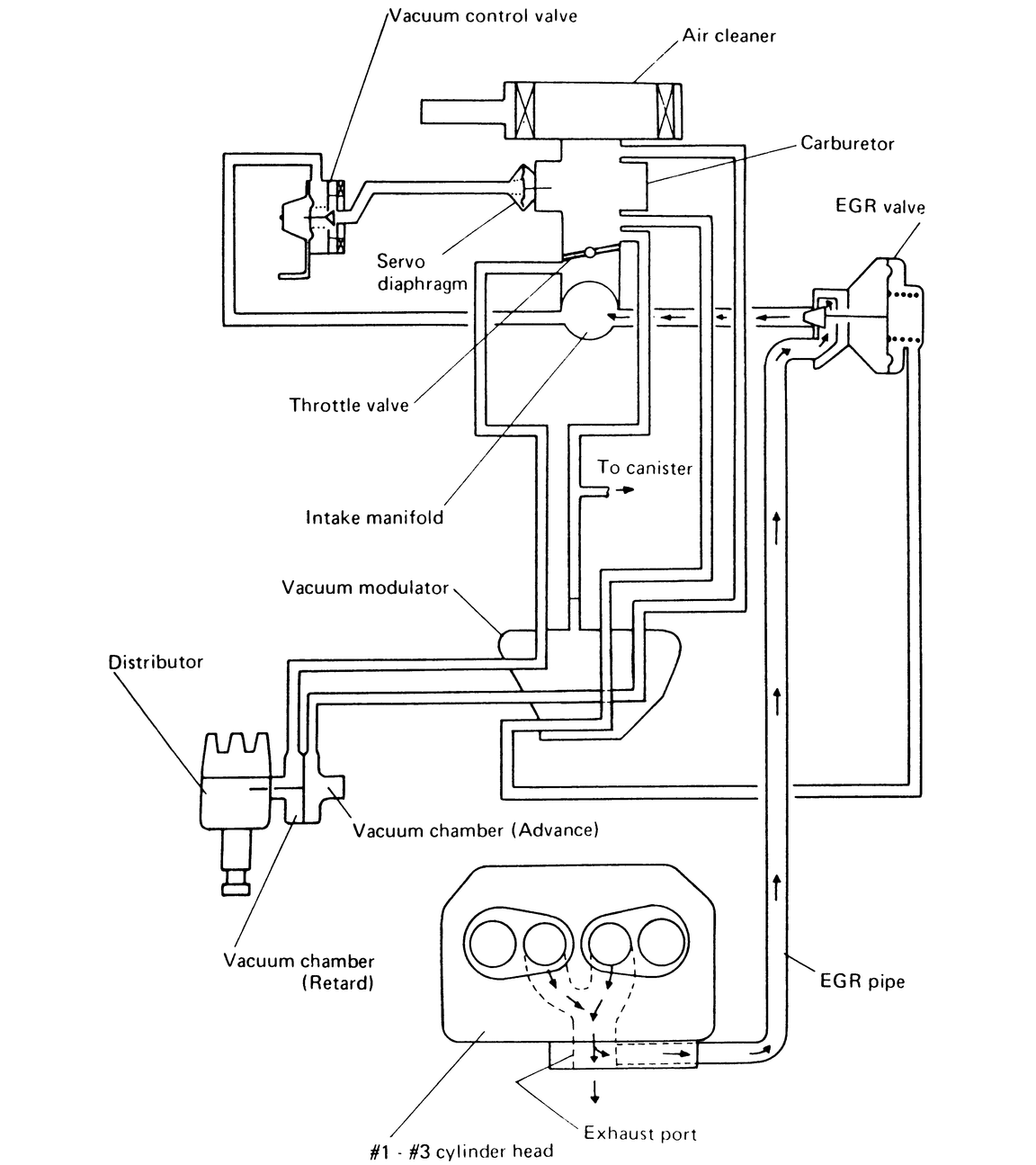
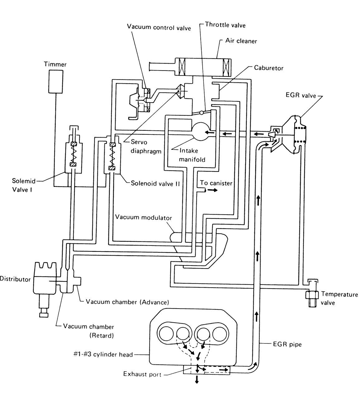
| Fig. 6: 1976 1400 engines — (Man. Trans) Exc. California |
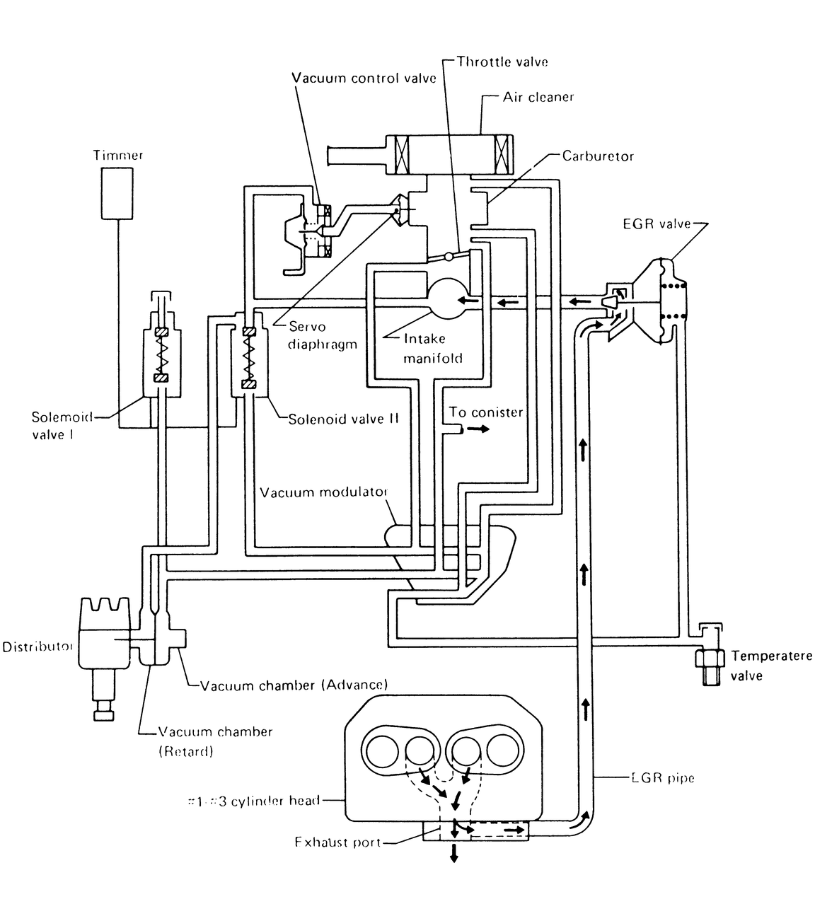
| Fig. 7: 1976 1400 engines — (Man. Trans) California |
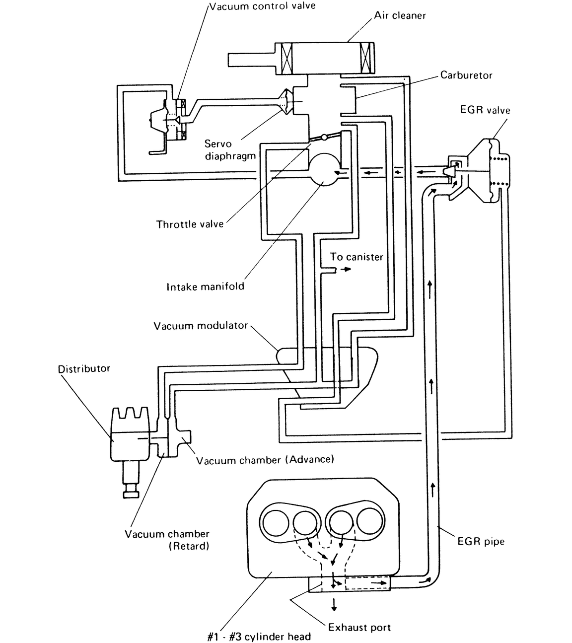
| Fig. 8: 1976 1400 engines — EGR system (Man. Trans.) |
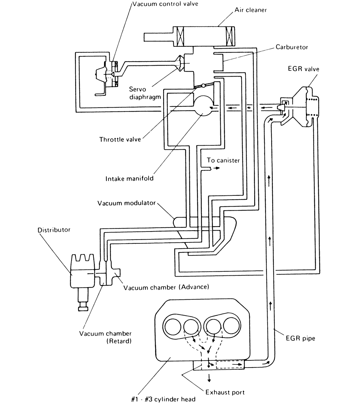
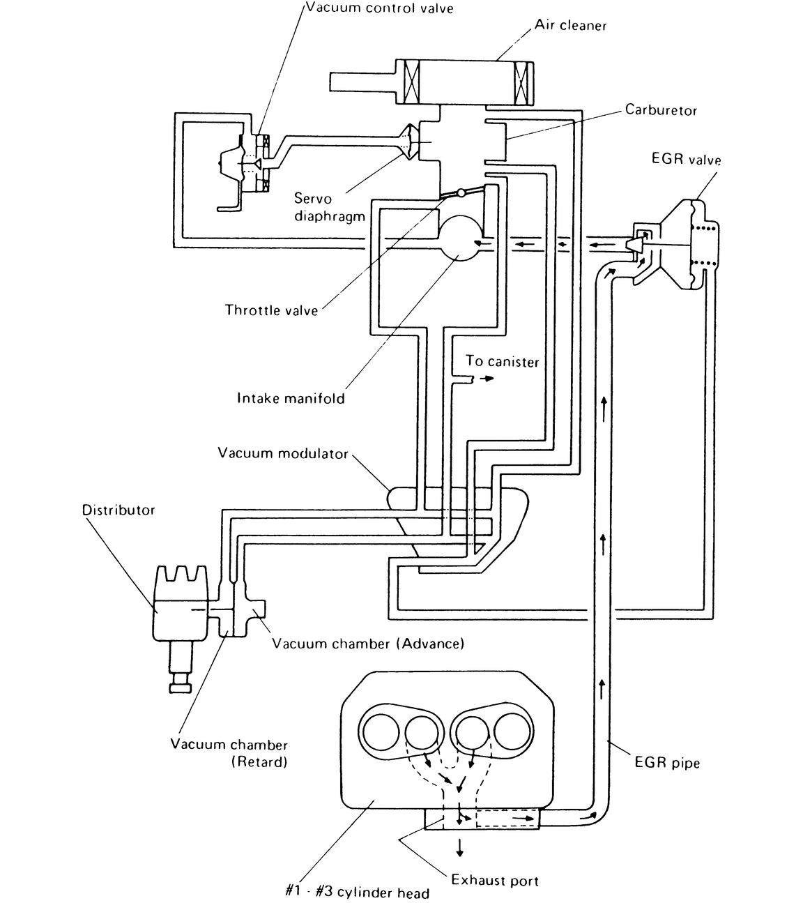
| Fig. 9: 1976 1600 engines — EGR system (Auto. Trans.) |
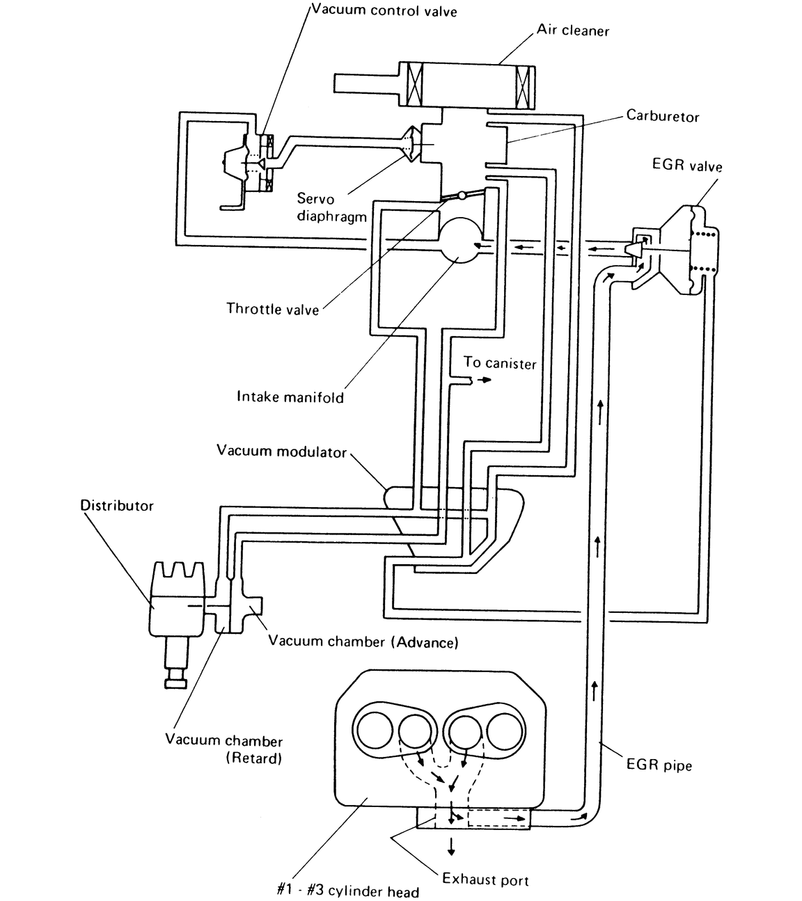
| Fig. 10: 1976 1600 engines — (Auto. Trans) Exc. California |
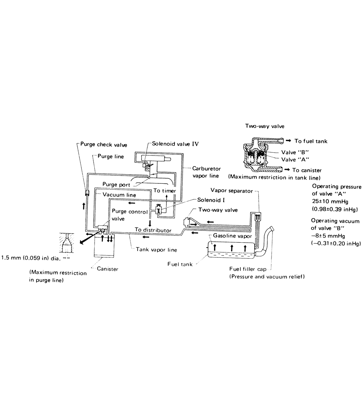
| Fig. 11: 1976 1600 engines — (Auto. Trans) California |
| Fig. 12: 1977 1600 engines — high altitude (Auto. Trans.) |
| Fig. 13: 1977 1600 engines — Federal (Auto. Trans.) and 4WD |
| Fig. 14: 1977 1600 engines — Federal (Exc. Auto. Trans.) and 4WD |
| Fig. 15: 1977 1600 engines — California (Auto. Trans) and high altitude 4WD |
| Fig. 16: 1977 1600 engines — California (Exc. Auto. Trans.) and high altitude (Exc. Auto. Trans. and 4WD) |
| Fig. 17: 1978 1600 engines — 49-states high altitude (Auto. Trans.) |
| Fig. 18: 1978 1600 engines — California (Auto. Trans.) and 49-states high altitude 4WD |
| Fig. 19: 1978 1600 engines — 49-states low altitude and Canada models (Exc. Auto. Trans. and 4WD) |
| Fig. 20: 1978 1600 engines — California models (Exc. Auto. Trans) 49-states high altitude (Exc. Auto. Trans. and 4WD) |
| Fig. 21: 1978 1600 engines — 49-states (low altitude) and Canada (Auto. Trans. and 4WD) |
| Fig. 22: 1979 1600 engines — (Man. Trans.) 49-states (Exc. California and Canada Exc. 4WD) |
| Fig. 23: 1979 1600 engines — (Auto. Trans.) 49-states (Exc. California and Canada) |
| Fig. 24: 1979 1600 engines — 4WD for 49-states (Exc. California. and Canada) |
| Fig. 25: 1979 1600 engines — Man. Trans.California (Exc. 4WD) |
| Fig. 26: 1979 1600 engines — Auto. Trans. California |
| Fig. 27: 1979 1600 engines — 4WD California |
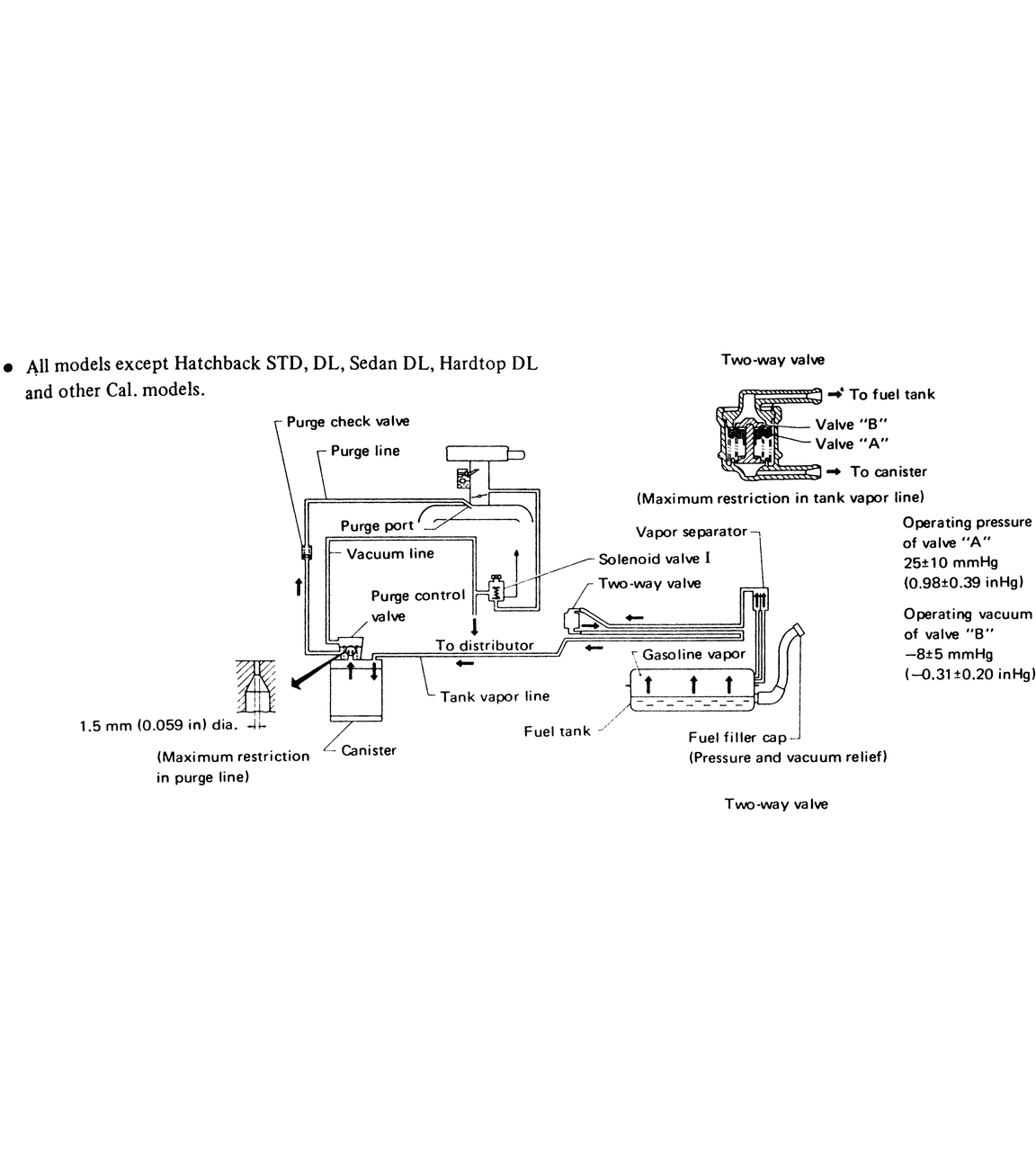
| Fig. 28: !980 1600 and 1800 engines — (Exc. Hatchback STD, DL, Sedan, DL, Hardtop DL) and other California models |
| Fig. 29: 1980 1600 and 1800 engines — Hatchback STD, DL, Sedan, DL and Hardtop DL, (Exc. Calif. models) |
| Fig. 30: 1980 1600 and 1800 engines — California models |
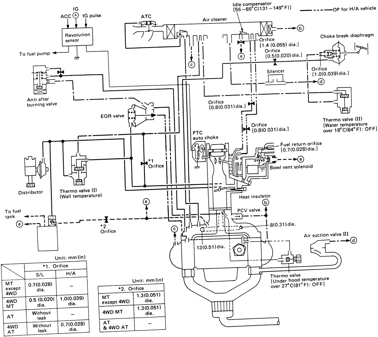
| Fig. 31: 1982 1600 and 1800 engines — Hitachi carburetor type |
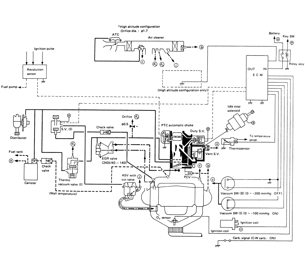
| Fig. 32: 1982 1600 and 1800 engines — Carter-Weber (C-W) carburetor type |
| Fig. 33: 1983 1600 and 1800 engines — Hitachi carburetor, (California models) |
| Fig. 34: 1983 1600 and 1800 engines — Hitachi carburetor Canada models and 4WD (Exc. California models) |
| Fig. 35: 1983 1600 and 1800 engines — Hitachi carburetor FWD (Exc. California. models) |
| Fig. 36: 1983 1600 and 1800 engines — Carter-Weber (C-W) carburetor FWD (Exc. California. models) |