Previous Next

Air Conditioner Blower

REMOVAL & INSTALLATION

  1. Disconnect the negative battery cable.
  2. Disengage the vacuum hose and the electrical connector.
  3. Unfasten the bolt(s) and remove the blower cage unit.
  4. Unfasten the bolts mounting the motor to the blower case and remove it.

    To install:

  5. Transfer the blower wheel to the new motor (if you're replacing the motor) by removing the attaching nut and washers.
  6. Install these parts on the new motor.
  7. Install new seals if necessary.
  8. Install the motor and fasten the mounting bolts.
  9. Install the blower cage unit and fasten the bolt(s).
  10. Engage the electrical connector and the vacuum hose.
  11. Connect the negative battery cable.

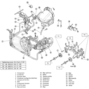
    Fig. 1: A common air conditioning system found on Subarus

    Fig. 2: The air conditioning blower is removed by unfastening the bolt at (2). Do not disturb the evaporator mounting bolts (1)

Previous Next