Previous Next

Fuel Injector

REMOVAL & INSTALLATION

1.2L Engine

Fig. 1: Fuel injector assembly — 1.2L engine

  1. Relieve the fuel system pressure.
  2. Disconnect the negative battery cable.
  3. Tag and disconnect the electrical harnesses from the fuel injectors.
  4. Disconnect and tag the hoses attached to the fuel rail.
  5. Remove the fuel rail mounting bolts, then remove the fuel rail assembly carefully.
  6. Remove the individual injectors from the rail by pulling lightly with a slight twist.
  7. Remove the fuel injector O-rings and discard.

    To install:

  8. Install the injectors using new gaskets and O-rings. Lubricate the O-rings with fuel before installation.
  9. Carefully install the fuel rail on the engine and install the mounting bolts.
  10. Connect the electrical harnesses to the fuel rail.
  11. Connect the hoses to the fuel rail.
  12. Connect the negative battery cable.
  13. Pressurize the fuel system and verify that there are no fuel leaks.
1.8L and 2.7L Engines

Fig. 2: Exploded view of fuel system components — 1.8L engine

Fig. 3: Exploded view of fuel system components — 2.7L engine

  1. Relieve the fuel system pressure.
  2. Disconnect the negative battery cable.

    NOTE: On some engines, it may be necessary to remove the intake plenum to gain access to the fuel lines connecting the injectors.

  3. Remove the fuel lines connecting the injectors.
  4. Disconnect the fuel injector electrical harnesses.
  5. Remove the injectors by pulling with a slight twist. Discard the gaskets and O-rings.
  6. Remove the injector holder plate, insulator, holder and seal. Discard the insulator and seal.
  7. Install the injectors using new gaskets, seals, insulators and O-rings. Lubricate the O-rings with clean engine oil prior to installation. Install the fuel lines connecting the injectors.
  8. Installation is the reverse of removal. Tighten all components accordingly.
  9. Start the engine and check for leaks.
2.2L and 2.5L Engines

Fig. 4: Fuel injector assembly — 2.2L and 2.5L engines

Fig. 5: Unfasten the fuel injector wire harness from the top of the injector assembly

Fig. 6: Remove the fuel injector cover retainer screw from one side of the injector . . .

Fig. 7: . . . then unfasten the other retainer screw

Fig. 8: Lift the cover off . . .

Fig. 9: . . . and remove the seal

Fig. 10: Carefully remove the fuel injector from the cylinder head

Fig. 11: Remove the lower injector O-ring

Fig. 12: If necessary, remove a stuck O-ring with a pick tool

Fig. 13: Remove the upper O-ring from the injector. Discard all used O-rings

CAUTION
Fuel injection systems remain under pressure after the engine has been turned OFF. Properly relieve fuel pressure before disconnecting any fuel lines. Failure to do so may result in fire or personal injury.

  1. Relieve the fuel system pressure.
  2. Disconnect the negative battery cable.
  3. Disconnect the fuel injector electrical harness.
  4. Remove the fuel injection cover.
  5. Remove the fuel injector from the fuel pipe assembly.
  6. Remove and discard the fuel injector O-rings and insulators,
  7. Installation is the reverse of removal. Install the injector with two new O-rings and a new insulator. Tighten the bolts to 24 inch lbs. (3 Nm).
  8. Start the engine and check for leaks.
3.3L Engine

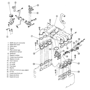
Fig. 14: Exploded view of fuel system components — 3.3L engine

CAUTION
Fuel injection systems remain under pressure after the engine has been turned OFF. Properly relieve fuel pressure before disconnecting any fuel lines. Failure to do so may result in fire or personal injury.

  1. Relieve the fuel system pressure.
  2. Disconnect the negative battery cable.
  3. Remove the collector cover.
  4. Remove the air duct between the throttle body and mass airflow sensor.
  5. Remove the retainer bolts attaching the power steering hose to the collector and position the hose out of the way.
  6. Disconnect the fuel injector electrical harness.
  7. Remove the two screws securing the injector cover, then remove the cover.
  8. Pull the injector out while rotating it.
  9. Remove and discard the fuel injector O-rings.
  10. Installation is the reverse of removal. Install the fuel injector using O-rings coated with clean engine oil.
  11. Pressurize the fuel system and verify that there are no leaks.

Previous Next