Previous Next

Throttle Body

REMOVAL & INSTALLATION

  1. Disconnect the negative battery cable.
  2. Drain the coolant from the radiator to a level below the throttle body.
  3. Remove the air intake duct from the throttle body.
  4. If equipped with cruise control, disconnect the cable from the throttle body.
  5. Disconnect the accelerator cable from the throttle body.
  6. Disconnect the idle air control solenoid and throttle position sensor harnesses.
  7. Disconnect the coolant hoses from the throttle body.
  8. Remove the four throttle body mounting bolts and remove the throttle body from the collector chamber.
  9. Clean all gasket material from both mating surfaces.

    To install:

  10. Using a new gasket, install the throttle body to the collector. Tighten the mounting bolts to 14–20 ft. lbs. (19–26 Nm).
  11. Using new clamps, connect the coolant hoses to the throttle body.
  12. Connect the throttle position sensor and the air idle control solenoid harnesses.
  13. Connect the accelerator cable to the throttle body.
  14. If equipped with cruise control, connect the cable to the throttle body.
  15. Install the air intake duct.
  16. Refill the radiator with coolant.
  17. Connect the negative battery cable and bleed the cooling system.

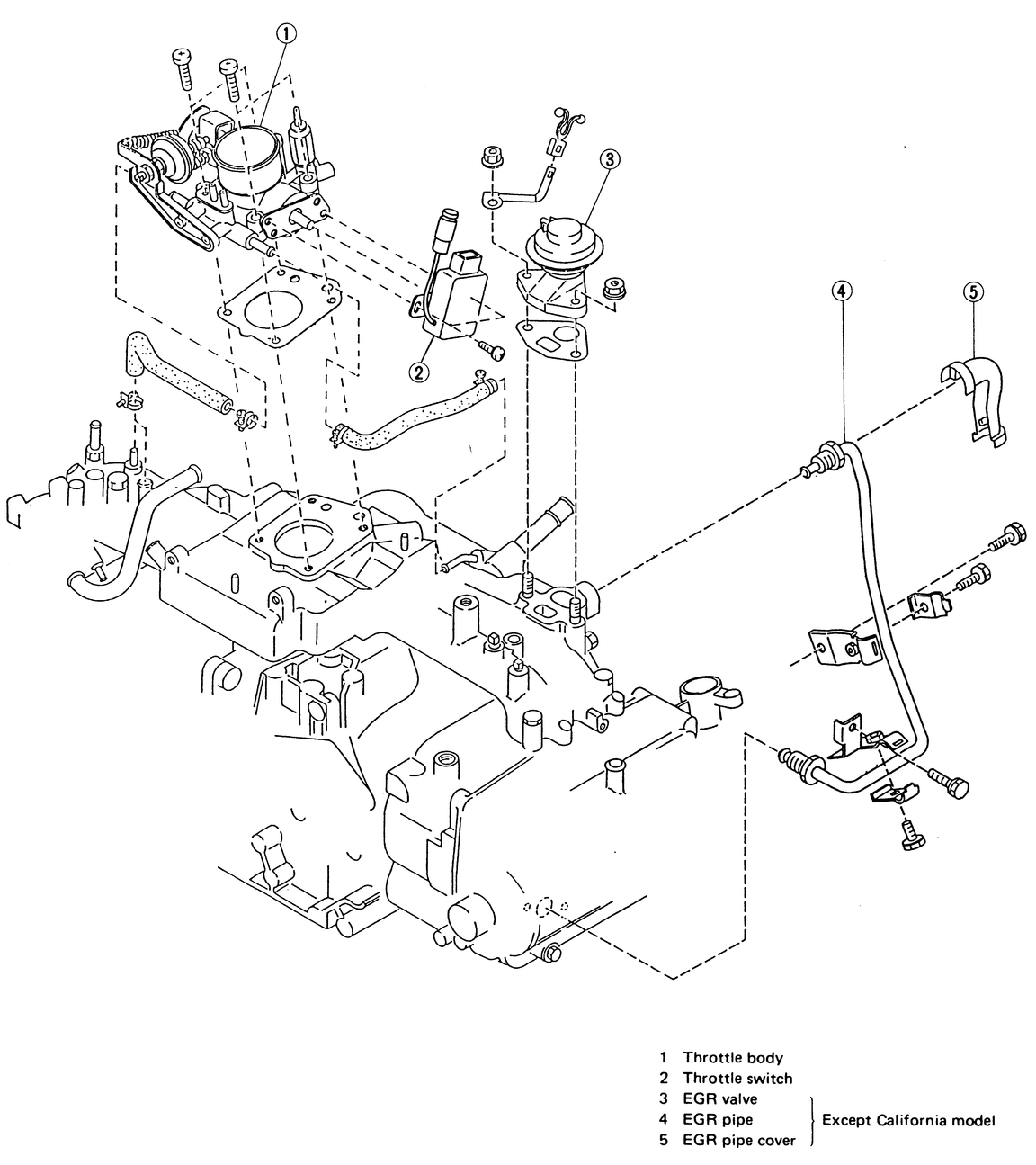
    Fig. 1: Example of throttle body mounting — 1.8L engine shown

Previous Next