Previous Next

CRUISE CONTROL

General Information

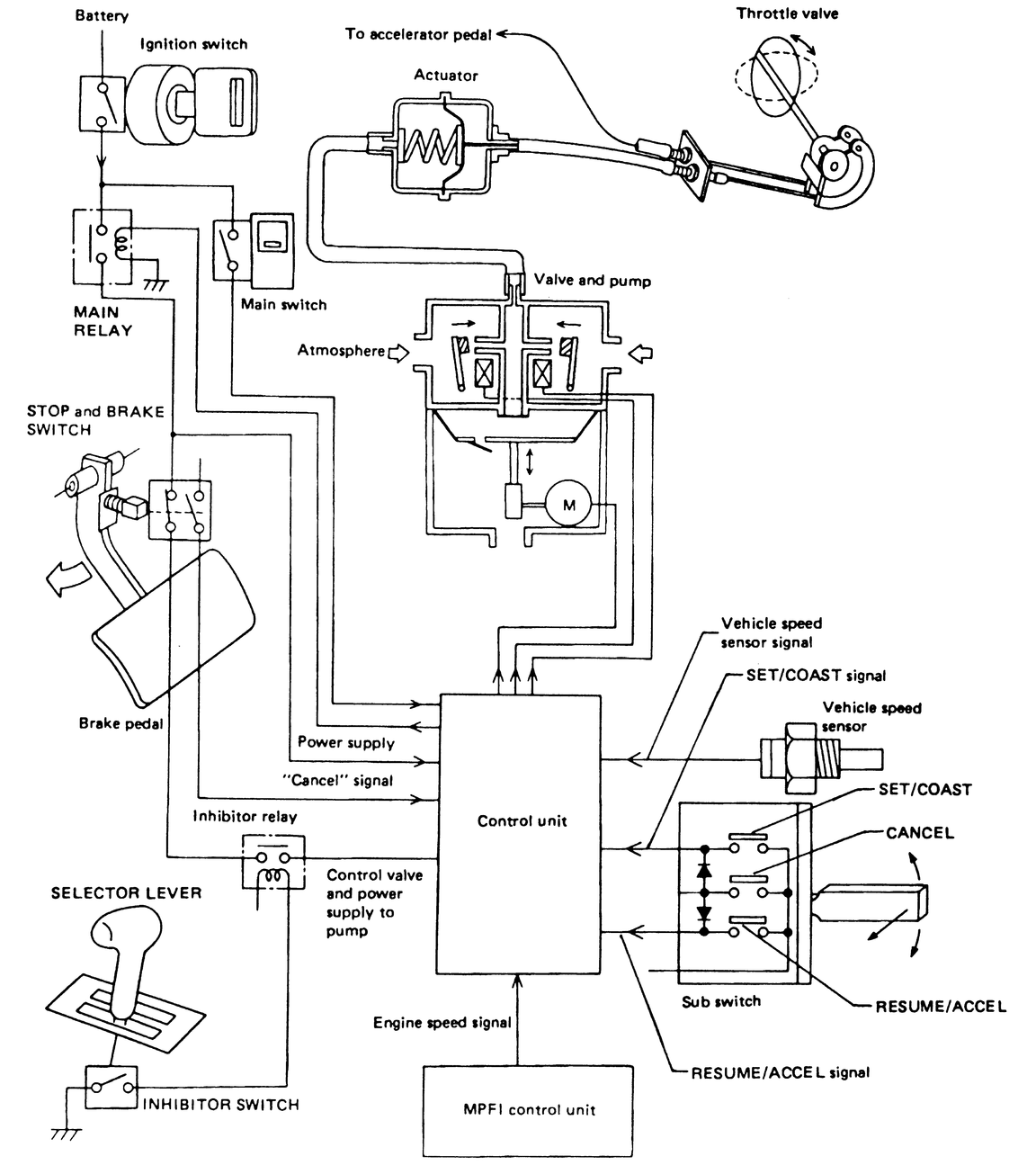
Fig. 1: Cruise control component diagram

The cruise control automatically controls the vehicle speed and allows the vehicle to run at a constant speed without depressing the accelerator pedal. In operation, when the driver sets a desired speed with the cruise control switch, the built-in micro-computer compares the speed set in the memory with the actual running speed detected by feedback signals from the speedometer. This feedback system operates the throttle of the carburetor or throttle body to correct the speed difference, thereby keeping the vehicle at a constant speed. The major components are the main switch, cruise switch, control unit, vacuum pump and valve assembly, actuator, clutch switch and stop and brake switch.

NOTE: The use of the speed control is not recommended when driving conditions do not permit maintaining a constant speed, such as in heavy traffic or on roads that are winding, icy, snow covered or slippery.

Previous Next