| Fig. 1: Carefully pull the halogen headlight bulb from
its socket. If applicable, release the retaining clip
|
NOTE: This procedure only applies to replaceable halogen
headlight bulbs (such as Nos. 9004 and 9005); it does not pertain to sealed
beam units.
- Open the vehicle's hood and secure it in an upright position.
- Unfasten the locking ring which secures the bulb and socket assembly,
then withdraw the assembly rearward.
- If necessary, gently pry the socket's retaining clip over the projection
on the bulb (use care not to break the clip.) Pull the bulb from the socket.
To install:
- Before installing a light bulb into the socket, ensure that all electrical
contact surfaces are free of corrosion or dirt.
- Line up the replacement headlight bulb with the socket. Firmly push the
bulb onto the socket until the spring clip latches over the bulb's projection.
WARNING
Do not touch the glass bulb with your fingers. Oil from your fingers can
severely shorten the life of the bulb. If necessary, wipe off any dirt
or oil from the bulb with rubbing alcohol before completing installation.
- To ensure that the replacement bulb functions properly, activate the applicable
switch to illuminate the bulb which was just replaced. (If this is a combination
low and high beam bulb, be sure to check both intensities.) If the replacement
light bulb does not illuminate, either it too is faulty or there is a problem
in the bulb circuit or switch. Correct if necessary.
- Position the headlight bulb and secure it with the locking ring.
- Close the vehicle's hood.
- Disconnect the negative battery cable.
- If necessary remove the grille.
- Remove the retainer screws securing the bezel around the headlight assembly.
Remove the bezel and place aside.
- Pull the headlight out enough to access the wire harness at the rear of
the light assembly.
- Disconnect the electrical harness from the headlight assembly.
- Installation is the reverse of removal. Test to make sure the headlight
work correctly. Check the headlight alignment. Adjust if needed.
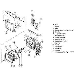
| Fig. 2: Retractable headlight system — XT
|
| Fig. 3: Remove the retainer screws to access the headlight — XT
|
| Fig. 4: Headlight bracket retainer bolts — XT
|
The XT is equipped with pop-up headlamps. The headlamp motors are actuated
by a switch on the left control wing. If the light fails to raise, it can
be manually raised by means of a knob on top of the motor. The knob is covered
by a rubber boot. Remove the boot and turn the knob in the direction of the
arrow on top of the motor, this will raise the light.
NOTE: The XT is equipped with a sealed beam type headlight.
If the light fails, the entire lens assembly must be replaced.
- Disconnect the negative battery cable.
- Disconnect the electrical harnesses from the light and the retractor motor.
- Remove the front grille assembly.
- Remove the screws that retain the lid on the light assembly and remove
the lid.
- Remove the headlight cover, by removing the retainer screws.
- Remove the bolts that retain the headlight assembly and motor, and remove
the assembly from the vehicle.
- If needed, remove the motor from the assembly.
- To remove the headlight, proceed as follows;
- Remove the retainer screws securing the bezel around the headlight
assembly. Remove the bezel and place aside.
- Pull the headlight out enough to access the wire harness at the rear
of the light assembly.
- Disconnect the electrical harness from the headlight assembly.
- To install, attach the wire harness to the rear of the headlight assembly.
- Position the headlight into the bracket assembly. Make sure the tabs
on the headlight seat within the grooves in the bracket assembly.
- Install the bezel around the headlight, and secure in place with the
retainer screws.
- Install the headlight motor if removed.
- Install the assembly in place on the vehicle and secure in place with
the retainer bolts. Tighten the bolts to 17 ft. lbs. (23 Nm).
- The remainder of installation is the reverse of removal. Test the operation
of the headlights. Adjust the lights if needed.
