Previous Next

Manual Transaxle Assembly

REMOVAL & INSTALLATION

Justy 5-Speed

Fig. 1: Supporting the front of the engine using an engine support tool

Fig. 2: Raising the transaxle up slightly using a steel cable, engine hook and hoist

Fig. 3: Disconnecting the halfshaft from the transaxle — removing the roll pin

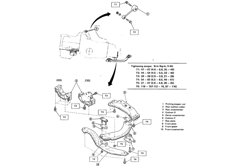
Fig. 4: View of the transaxle mount — 2WD vehicles

Fig. 5: View of the transaxle mount — 4WD vehicles

  1. Disconnect the negative battery cable. Remove the air cleaner assembly. Raise and support the vehicle safely.
  2. Unplug the electrical wiring connectors from the starter. Remove the starter to transaxle bolts and the starter from the vehicle.
  3. From the transaxle, disconnect the speedometer cable, the back-up light switch connector and the ground cable. If equipped with 4WD, remove the activation hoses from the actuator.
  4. Unplug the electrical connector between the ignition coil and the distributor.
  5. Disconnect the clutch cable and the bracket from the transaxle. In place of the clutch cable bracket, install the lifting hook, or equivalent.
  6. Removing the pitching stopper and brackets between the transaxle and chassis.
  7. Install engine supporter tool 921540000 or equivalent.
  8. Install the vertical hoist to T000100 transaxle lifting hook and raise the transaxle slightly.
  9. From under the vehicle, remove the under covers.
  10. Disconnect the rear exhaust pipe from the front exhaust pipe and the vehicle.
  11. Remove the center crossmember to engine/transaxle assembly bolts.
  12. Using a pin punch and a hammer, drive out the axle shaft to driveshaft spring pin. Discard the spring pin and separate the axle shaft.
  13. Remove the transaxle mounting bracket.
  14. Disconnect the gearshift rod and stay from the transaxle.
  15. Properly support the engine assembly. Remove the transaxle to engine bolts.
  16. Using the vertical hoist, lift the transaxle from the vehicle.
  17. Install the transaxle assembly in the vehicle and install the transaxle-to-engine bolts. Install the gearshift rods on the transaxle.
  18. Installation is the reverse of removal. Secure all components to specifications.
  19. Lower the vehicle, connect the negative battery cable, check the transaxle fluid and test drive the vehicle.
5-Speed FWD
1990–94 Legacy

Fig. 6: Unplug the transaxle harness, O2connectors and ground terminal

Fig. 7: Disconnect the Hill Holder cable — except turbocharged vehicles

Fig. 8: Removal and installation of the pitching stopper bracket — turbocharged model shown

Fig. 9: Disconnect the clutch release lever cable — manually actuated clutch system

Fig. 10: Using a 10mm hex extension to remove or install the release lever shaft plug

Fig. 11: Using a 6mm bolt to remove the release lever shaft

Fig. 12: View of the upper transaxle-to-engine bolts

Fig. 13: Disconnect the gear shift rod and stay from the transaxle

Fig. 14: Removal and installation of the transverse link from the transaxle housing

Fig. 15: Drive out the spring pin and remove the halfshafts

Fig. 16: Remove the lower transaxle-to-engine nuts

Fig. 17: The rear transaxle crossmember is retained by the indicated fasteners

Fig. 18: Remove the release bearing from the clutch cover

Fig. 19: Insert the release fork into the throwout bearing

Fig. 20: Grease points indicated

Fig. 21: Ensure that the cutout portion of the release fork shaft contacts the spring pin

Fig. 22: Transaxle mounting — 1990–96 Legacy

  1. Disconnect the negative battery cable.
  2. On non-turbo vehicles, remove the intake manifold cover and air intake duct.
  3. On turbocharged vehicles, remove the resonator chamber, air inlet and outlet ducts and the turbocharger cooling duct.
  4. Unplug the following connectors:
  5. Disconnect the following cables:
  6. Remove the starter.
  7. Remove the pitching stopper.
  8. On turbocharged vehicles, perform the following:
    1. Remove the slave cylinder.
    2. Remove the release lever shaft plug.
    3. Screw a 6mm bolt into the bolt hole of the release fork shaft and drive the shaft out.
    4. Raise the fork to release the throwout bearing tabs.
  9. Remove the transaxle oil level gauge.
  10. Install engine support 92767000 or the equivalent.
  11. Remove the upper transaxle-to-engine nuts.
  12. On turbocharged vehicles, perform the following:
    1. Separate the center exhaust pipe from the turbocharger.
    2. Raise and support the vehicle.
    3. Remove the lower turbocharger cover.
  13. Raise and support the vehicle.
  14. On non-turbo vehicles, remove the Y-pipe.
  15. Remove the gearshift spring, stay and rod from the transaxle.
  16. On turbocharger vehicles, remove the clutch damper from the transaxle case.
  17. Remove the sway bar-to-crossmember clamp bolts.
  18. Remove the halfshafts.
  19. Remove the lower transaxle-to-engine nuts.
  20. Support the transaxle with a jack.
  21. Remove the rear crossmember.
  22. Lower the support jack until the mainshaft is withdrawn from the pressure plate and remove the transaxle.

    To install:

  23. On turbocharger vehicles, pry the throwout bearing from the clutch cover.
    1. Install the throwout bearing onto the transaxle then insert the release fork into the throwout bearing tab.
    2. Apply Fx2200® or equivalent to the splines of the transaxle and SUNLIGHT 2® or equivalent to the shaft.
    3. Insert the shaft into the release fork.

      NOTE: Ensure the cutout portion of the release fork shaft contacts the spring pin.

    4. Install the plug and tighten to 36 ft. lbs. (49 Nm).
  24. Install the transaxle engaging the splines.
  25. Install the remaining components in the reverse of removal. Tighten the following to specifications:
  26. Fill the transaxle to the proper level with the recommended oil.
  27. Road test the vehicle.
1993–96 IMPREZA AND 1995–96 LEGACY
  1. Disconnect the negative battery cable.
  2. Remove the air intake duct.
  3. Unplug or disconnect the following cables and connectors:
  4. Remove the starter, and pitching stopper.
  5. Remove the drive belt cover.
  6. Install engine support assembly 927670000 or equivalent.
  7. Remove the bolt securing the right upper side of the transaxle to the engine.
  8. Raise and support the vehicle safely.
  9. Remove the front Y-pipe.
  10. Disconnect the rear oxygen sensor wiring.
  11. Remove the hanger bracket from the right side of the transaxle.
  12. Remove the spring and disconnect the shifter stay and rod from the transaxle.
  13. Remove the bolts securing the sway bar clamps to the crossmember.
  14. Disconnect the ball joints from the steering knuckle.
  15. Separate the halfshafts from the transaxle.
  16. Remove the 2 nuts securing the lower side of the transaxle to the engine.
  17. Support the transaxle with a jack.
  18. Remove the rear transaxle crossmember.
  19. Remove the transaxle from the vehicle.

    To install:

  20. Secure the transaxle in place onto the transaxle jack.
  21. Raise the transaxle assembly in place to the engine block and install it. Take care when mating the input shaft to the clutch assembly.
  22. Install and tighten the crossmember to the following specifications:

    Impreza:

    Legacy:

  23. Remove the transmission jack.
  24. Install the nuts securing the lower portion of the engine to the transaxle and tighten them to 40 ft. lbs. (54 Nm).
  25. Install the bolt securing the right upper side of the transaxle to the engine and tighten it to 40 ft. lbs. (54 Nm).
  26. Remove the engine support.
  27. Install the drive belt cover.
  28. Install the pitching stopper and tighten the bolts to the following specifications:
  29. Insert the halfshafts into the transaxle and install new roll pins.
  30. Install the remaining components in the reverse of removal. Tighten all components to specifications.
  31. Fill the transaxle to the proper level with the recommended oil.
  32. Road test the vehicle.
Loyale, STD. and XT
  1. Disconnect the negative battery cable. Remove the air cleaner assembly.
  2. Remove the clutch cable and the Hill Holder cable. Remove the speedometer cable.
  3. Remove the oxygen sensor electrical connector and the neutral switch connector.
  4. Unplug the electrical connections at the back-up light.
  5. Disconnect the starter electrical connections. Remove the starter retaining bolts. Remove the starter from the transaxle case.
  6. Remove the air intake boot. Disconnect the pitching stopper rod from its mounting bracket. Remove the right side engine to transaxle mounting bolt.
  7. Install engine support bracket 927160000 and engine support tool 927150000 or their equivalents. Remove the buffer rod from the engine and body side bracket.

    NOTE: Before attaching the special engine support tools, connect the adjuster to the buffer rod assembly on the right side of the engine.

  8. Raise and support the vehicle safely.
  9. Disconnect the exhaust pipes at the exhaust manifold flange. Remove the exhaust system up to the rear exhaust pipe assembly.
  10. Remove the spring and disconnect the shifter stay and rod from the transaxle.
  11. Loosen the upper bolt and nut from the plate that secures the transverse link to the stabilizer. Remove the lower bolt and separate the link from the stabilizer.
  12. Remove the right brake cable bracket from the transverse link. Remove the bolt retaining the link to the crossmember on each side.
  13. Lower the transverse link. Using tool 398791700 or equivalent, remove the spring pin and separate the axle shaft from the driveshaft on each side of the assembly by pushing the rear of the tire outward.
  14. Remove the engine to transaxle mounting bolts. Position the proper transaxle jack under the transaxle assembly.
  15. Remove the rear cushion rubber mounting bolts. Remove the rear crossmember assembly.
  16. Turn the engine support tool adjuster counterclockwise in order to slightly raise the engine.
  17. Move the transaxle jack toward the rear of the vehicle until the mainshaft is withdrawn from the clutch cover.
  18. Carefully remove the transaxle assembly from the vehicle.
  19. Installation is the reverse of removal. Please note the following items:
  20. Install the halfshaft into the differential and spring pin into place. Install the transverse link and stabilizer temporarily to the front crossmember. Install the brake cable bracket. Lower the vehicle and tighten transverse link bolt to 43–51 ft. lbs. (59–69 Nm); stabilizer bolts to 14–22 ft. lbs. (20–29 Nm).
  21. Connect the negative battery cable, check the transaxle fluid level and test drive the vehicle.
Selective (4WD/FWD) 5-Speed
LOYALE, STD. AND XT
  1. Disconnect the negative battery cable. Remove the air cleaner assembly.
  2. Remove the clutch cable and the Hill Holder cable. Remove the speedometer cable.
  3. Remove the oxygen sensor electrical connector and the neutral switch connector.
  4. If equipped with 4WD, unplug the electrical connections at the back-up light and differential lock indicator switch assembly. Disconnect the differential lock vacuum hose.
  5. Disconnect the starter electrical connections. Remove the starter retaining bolts. Remove the starter from the transaxle case.
  6. Remove the air intake boot. Disconnect the pitching stopper rod from its mounting bracket. Remove the right side engine to transaxle mounting bolt.
  7. Install engine support bracket 927160000 and engine support tool 927150000 or their equivalents. Remove the buffer rod from the engine and body side bracket.

    NOTE: Before attaching the special engine support tools, connect the adjuster to the buffer rod assembly on the right side of the engine.

  8. Raise and support the vehicle safely.
  9. Disconnect the exhaust pipes at the exhaust manifold flange. Remove the exhaust system up to the rear exhaust pipe assembly.
  10. If equipped with 4WD, matchmark and remove the driveshaft.
  11. Remove the spring and disconnect the shifter stay and rod from the transaxle.
  12. Loosen the upper bolt and nut from the plate that secures the transverse link to the stabilizer. Remove the lower bolt and separate the link from the stabilizer.
  13. Remove the right brake cable bracket from the transverse link. Remove the bolt retaining the link to the crossmember on each side.
  14. Lower the transverse link. Using tool 398791700 or equivalent, remove the spring pin and separate the axle shaft from the driveshaft on each side of the assembly by pushing the rear of the tire outward.
  15. Remove the engine to transaxle mounting bolts. Position the proper transaxle jack under the transaxle assembly.
  16. Remove the rear cushion rubber mounting bolts. Remove the rear crossmember assembly.
  17. Turn the engine support tool adjuster counterclockwise in order to slightly raise the engine.
  18. Move the transaxle jack toward the rear of the vehicle until the mainshaft is withdrawn from the clutch cover.
  19. Carefully remove the transaxle assembly from the vehicle.
  20. Installation is the reverse of removal. Tighten all components to specifications. Please note the following important steps.
  21. Carefully raise the transaxle until the mainshaft is aligned with the clutch side. Install the engine to the transaxle and temporarily tight the mounting bolts.
  22. Install the halfshaft into the differential and spring pin into place. Install the transverse link and stabilizer temporarily to the front crossmember. Install the brake cable bracket. Lower the vehicle and tighten transverse link bolt to 43–51 ft. lbs. (59–69 Nm); stabilizer bolts to 14–22 ft. lbs. (20–29 Nm).
  23. Connect the negative battery cable, check the transaxle fluid level and test drive the vehicle.
FULL-TIME 4WD
1990–94 Legacy

Fig. 23: Unplug the transaxle harness, O2connectors and ground terminal

Fig. 24: Disconnect the Hill Holder cable — except turbocharged vehicles

Fig. 25: Removal and installation of the pitching stopper bracket — turbocharged model shown

Fig. 26: Disconnect the clutch release lever cable — manually actuated clutch system

Fig. 27: Using a 6mm bolt to remove the release lever shaft

Fig. 28: View of the upper transaxle-to-engine bolts

Fig. 29: Disconnect the gear shift rod and stay from the transaxle

Fig. 30: Removal and installation of the transverse link from the transaxle housing

Fig. 31: Remove the lower transaxle-to-engine nuts

Fig. 32: The rear transaxle crossmember is retained by the indicated fasteners

Fig. 33: Insert the release fork into the throwout bearing

Fig. 34: Grease points indicated

Fig. 35: Ensure that the cutout portion of the release fork shaft contacts the spring pin

  1. Disconnect the negative battery cable.
  2. On non-turbo vehicles, remove the intake manifold cover and air intake duct.
  3. On turbocharged vehicles perform the following:
    1. Remove the resonator chamber.
    2. Remove the air inlet and outlet ducts.
    3. Remove the turbocharger cooling duct.
  4. Unplug the following connectors:
  5. Disconnect the following cables:
  6. Remove the starter.
  7. Remove the pitching stopper.
  8. On turbocharger vehicles remove the slave cylinder and release lever shaft plug.
    1. Screw a 6mm bolt into the bolt hole of the release fork shaft and drive the shaft out.
    2. Raise the fork to release the throwout bearing tabs.
  9. Remove the transaxle oil level gauge.
  10. Install engine support 92767000 or the equivalent.
  11. Remove the upper transaxle-to-engine nuts.
  12. On turbocharged vehicles, separate the center exhaust pipe from the turbocharger.
    1. Raise and support the vehicle and remove the lower turbocharger cover.
  13. Raise and support the vehicle.
  14. On non-turbo vehicles, remove the Y-pipe.
  15. Remove the gearshift spring, stay and rod from the transaxle.
  16. On turbocharger vehicles, remove the clutch damper from the transaxle case.
  17. Remove the sway bar-to-crossmember clamp bolts.
  18. Remove the halfshafts.
  19. Remove the lower transaxle-to-engine nuts.
  20. Support the transaxle with a jack.
  21. Remove the rear crossmember.
  22. Lower the support jack until the mainshaft is withdrawn from the pressure plate and remove the transaxle.
  23. Installation is the reverse of removal. Pat particular attention to the following.
  24. On turbocharger vehicles, pry the throwout bearing from the clutch cover and install the a new bearing.
    1. Insert the release fork into the throwout bearing tab.
    2. Apply Fx2200® or equivalent to the splines of the transaxle and SUNLIGHT 2® or equivalent to the shaft. Insert the shaft into the release fork.

      NOTE: Ensure the cutout portion of the release fork shaft contacts the spring pin.

    3. Install the plug and tighten it to 36 ft. lbs. (49 Nm).
      • Rear cushion and crossmember bolts — 20–35 ft. lbs. (27–47 Nm)
      • Rear crossmember front bolts — 87–116 ft. lbs. (118–157 Nm)
      • Rear crossmemeber rear bolts — 40–61 ft. lbs. (54–83 Nm)
  25. Install the lower transaxle-to-engine nuts and tighten them to 34–40 ft. lbs. (46–54 Nm).
  26. Fill the transaxle to the proper level with the recommended oil.
  27. Road test the vehicle.
1995–96 Legacy and 1993–96 Impreza
  1. Disconnect the negative battery cable.
  2. Remove the air intake duct.
  3. Unplug or disconnect the following cables and connectors:
  4. Remove the starter.
  5. Remove the pitching stopper.
  6. Remove the drive belt cover.
  7. Install engine support assembly 927670000 or equivalent.
  8. Remove the bolt securing the right upper side of the transaxle to the engine.
  9. Raise and support the vehicle safely.
  10. Remove the front Y-pipe.
  11. Disconnect the rear oxygen sensor connector.
  12. Unbolt and extract the center exhaust pipe and the heat shield cover. Remove the hanger bracket from the right side of the transaxle.
  13. Remove the driveshaft.
  14. Remove the spring and disconnect the shifter stay and rod from the transaxle.
  15. Remove the bolts securing the sway bar clamps to the crossmember.
  16. Disconnect the ball joints from the steering knuckle.
  17. Separate the halfshafts from the transaxle.
  18. Remove the 2 nuts securing the lower side of the transaxle to the engine.
  19. Support the transaxle with a jack.
  20. Remove the rear transaxle crossmember.
  21. Remove the transaxle from the vehicle.

    To install:

  22. Install the transaxle assembly and secure to the engine block.
  23. Install and tighten the crossmember to the following specifications:

    Legacy:

    Impreza:

  24. Remove the transmission jack.
  25. Install the nuts securing the lower portion of the engine to the transaxle and tighten them to 40 ft. lbs. (54 Nm).
  26. Install the bolt securing the right upper side of the transaxle to the engine and tighten it to 40 ft. lbs. (54 Nm).
  27. Remove the engine support.
  28. Install the drive belt cover.
  29. Install the pitching stopper and tighten the bolts to the following specifications:
  30. Insert the halfshafts into the transaxle and install new roll pins.
  31. Install all the remaining components in the reverse order of removal.
Loyale, STD. and XT
  1. Disconnect the negative battery cable. Remove the air cleaner assembly.
  2. Remove the clutch cable and the Hill Holder cable. Remove the speedometer cable.
  3. Remove the oxygen sensor electrical connector and the neutral switch connector.
  4. Unplug the electrical connections at the back-up light and differential lock indicator switch assembly. Disconnect the differential lock vacuum hose.
  5. Disconnect the starter electrical connections. Remove the starter retaining bolts. Remove the starter from the transaxle case.
  6. Remove the air intake boot. Disconnect the pitching stopper rod from its mounting bracket. Remove the right side engine to transaxle mounting bolt.
  7. Install engine support bracket 927160000 and engine support tool 927150000 or their equivalents. Remove the buffer rod from the engine and body side bracket.

    NOTE: Before attaching the special engine support tools, connect the adjuster to the buffer rod assembly on the right side of the engine.

  8. Raise and support the vehicle safely.
  9. Disconnect the exhaust pipes at the exhaust manifold flange. Remove the exhaust system up to the rear exhaust pipe assembly.
  10. Matchmark and remove the driveshaft.
  11. Remove the spring and disconnect the shifter stay and rod from the transaxle.
  12. Loosen the upper bolt and nut from the plate that secures the transverse link to the stabilizer. Remove the lower bolt and separate the link from the stabilizer.
  13. Remove the right brake cable bracket from the transverse link. Remove the bolt retaining the link to the crossmember on each side.
  14. Lower the transverse link. Using tool 398791700 or equivalent, remove the spring pin and separate the axle shaft from the driveshaft on each side of the assembly by pushing the rear of the tire outward.
  15. Remove the engine to transaxle mounting bolts. Position the proper transaxle jack under the transaxle assembly.
  16. Remove the rear cushion rubber mounting bolts. Remove the rear crossmember assembly.
  17. Turn the engine support tool adjuster counterclockwise in order to slightly raise the engine.
  18. Move the transaxle jack toward the rear of the vehicle until the mainshaft is withdrawn from the clutch cover.
  19. Carefully remove the transaxle assembly from the vehicle.

    To install:

  20. Carefully raise the transaxle until the mainshaft is aligned with the clutch side. Install the engine to the transaxle and temporarily tight the mounting bolts.
  21. Install the rear crossmember rubber cushion and tighten nuts to 20–35 ft. lbs. (27–47 Nm). Install the rear crossmember and tighten front bolts to 65–87 ft. lbs. (88–118 Nm); rear bolts to 27–49 ft. lbs. (37–67 Nm).
  22. Tighten the engine to transaxle nuts to 34–40 ft. lbs. (46–54 Nm). Remove the transaxle jack.
  23. Install the remainder components. Secure all components to specifications.
  24. Connect the negative battery cable, check the transaxle fluid level and test drive the vehicle.

Previous Next