Previous Next

REAR SUSPENSION

Coil Springs

REMOVAL & INSTALLATION

Justy

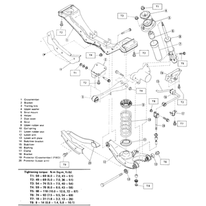
Fig. 1: Rear suspension assembly — Justy

  1. Disconnect the negative battery cable.
  2. Raise and safely support the vehicle on jackstands.
  3. Remove the tire and wheel assembly.
  4. Remove the trim cover over the upper strut mount.
  5. Remove the 2 upper strut mounting nuts.
  6. Using a suitable prytool, push the lower control arm down, and remove the coil spring.

    To install:

  7. While pushing the control arm assembly down. install the coil spring in position, then raise the control arm until the strut plate mounting studs pass through the body.
  8. Install the 2 upper strut mounting nuts and tighten to 47 ft. lbs. (64 Nm).
  9. The remainder of installation is the reverse of removal. Tighten each component to specifications.
  10. Check the four-wheel alignment, and adjust as necessary.

Previous Next