Previous Next

Power Door Locks

REMOVAL & INSTALLATION

Door Lock Switch
  1. Disconnect the negative battery cable.
  2. Remove the door panel retaining screws.
  3. Lift the door panel up and disconnect all the electrical connections required to separate the door panel from the door.
  4. Remove the door panel from the vehicle. Remove the switch assembly from its mounting.
  5. Installation is the reverse of the removal procedure.

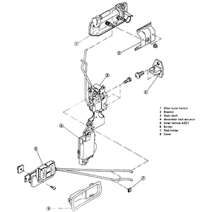
    Fig. 1: Exploded view of the front power door lock assembly — Legacy shown; others similar

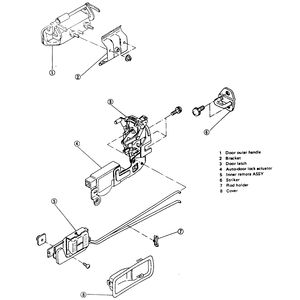
    Fig. 2: Exploded view of the rear power door lock assembly — Legacy shown; others similar

Door Lock Actuator
  1. Disconnect the negative battery cable.
  2. Remove the door panel.
  3. Disconnect the actuator electrical connector. Disconnect the required linkage rods.
  4. Remove the actuator assembly retaining screws. Remove the actuator assembly from the vehicle.
  5. Installation is the reverse of the removal procedure.

Previous Next