Previous Next

REMOVAL & INSTALLATION

1.8L and 2.2L Engines

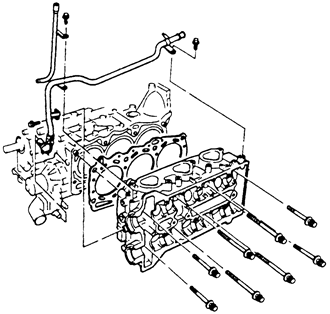
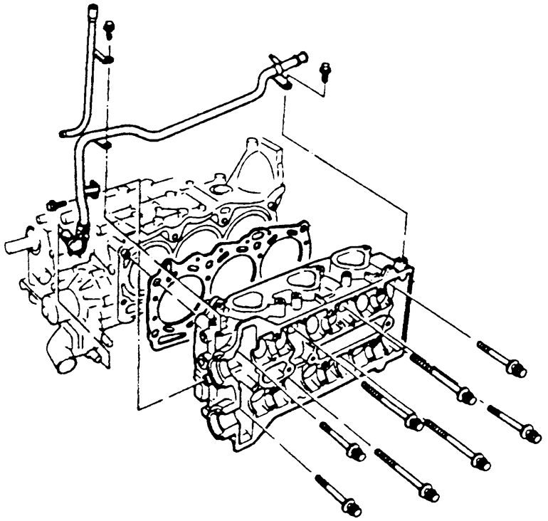
Exploded view of the cylinder head assembly and related components — 1997–98 1.8L and 2.2L engines

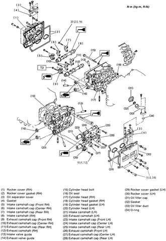
Exploded view of the cylinder head assembly and related components — 1999–01 2.2L engines

Cylinder head bolt loosening sequence — 1.8L and 2.2L engines

  1. Before servicing the vehicle, refer to the precautions in the beginning of this section.
  2. Remove or disconnect the following:
  3. Relieve the fuel system pressure and disconnect the fuel pipes.
  4. Remove or disconnect the following:
  5. Clean all gasket material from both mating surfaces.

    To install:

  6. Inspect the cylinder head for warpage. Warpage should not exceed 0.0020 in. (0.05mm).
  7. Install or connect the following:

    NOTE: Refer to Section 1 of this manual for the cylinder head torque sequence illustration. The illustration is located after the Torque Specification Chart.

  8. Secure the head in place with the mounting bolts. Coat each bolts with clean engine oil, and hand-tighten. Tighten the cylinder head bolts, in sequence, to the following specifications:
    1. Step 1: 22 ft. lbs. (29 Nm).
    2. Step 2: 51 ft. lbs. (69 Nm).
    3. Step 3: loosen all bolts by 180 degrees, then loosen an additional 180 degrees.
    4. Step 4: bolts 1 and 2: 25 ft. lbs. (34 Nm).
    5. Step 5: bolts 3, 4, 5 and 6: 11 ft. lbs. (15 Nm).
    6. Step 6: all bolts plus 80–90 degrees.
    7. Step 7: all bolts plus 80–90 degrees.

      NOTE: Do not exceed 180 degrees total tightening.

  9. Install or connect the following:
  10. Start the engine and allow it to reach operating temperature. Check for leaks.
2.5L Engine

Exploded view of the cylinder head and related components — 2.5L engine

Cylinder head bolt loosening sequence — 2.5L engine

  1. Before servicing the vehicle, refer to the precautions in the beginning of this section.
  2. Remove or disconnect the following:
  3. Relieve the fuel system pressure and disconnect the fuel pipes.
  4. Remove or disconnect the following:
  5. Clean all gasket material from both mating surfaces.

    To install:

  6. Inspect the cylinder head for warpage. Warpage should not exceed 0.0020 in. (0.05mm).
  7. Install or connect the following:

    NOTE: Refer to Section 1 of this manual for the cylinder head torque sequence illustration. The illustration is located after the Torque Specification Chart.

  8. Secure the head in place with the mounting bolts. Coat each bolts with clean engine oil, and hand-tighten. Tighten the cylinder head bolts to the following specifications:
    1. Step 1: all bolts to 22 ft. lbs. (29 Nm).
    2. Step 2: all bolts to 51 ft. lbs. (69 Nm).
    3. Step 3: loosen all bolts by 180 degrees, then loosen an additional 180 degrees.
    4. Step 4: bolts 1 and 2 to 25 ft. lbs. (24 Nm).
    5. Step 5: bolts 3, 4, 5 and 6 to 11 ft. lbs. (15 Nm).
    6. Step 6: all bolts plus 80–90 degrees.
    7. Step 7: All bolts plus 80–90 degrees.

      NOTE: Do not exceed 180 degrees total tightening.

  9. Install or connect the following:
  10. Start the engine and allow it to reach operating temperature. Check for leaks.
3.3L Engine

Exploded view of the cylinder head assembly — 3.3L engine

Cylinder head bolt loosening sequence — 3.3L engine

  1. Before servicing the vehicle, refer to the precautions in the beginning of this section.
  2. Remove or disconnect the following:
  3. Clean all gasket material from both mating surfaces.

    To install:

  4. Install or connect the following:

    NOTE: Refer to Section 1 of this manual for the cylinder head torque sequence illustration. The illustration is located after the Torque Specification Chart.

  5. Loosely install the cylinder head mounting bolts, coating each with clean engine oil.
  6. Tighten the mounting bolts as follows:
    1. Step 1: all bolts: 22 ft. lbs. (29 Nm).
    2. Step 2: all bolts: 51 ft. lbs. (69 Nm).
    3. Step 3: loosen all the bolts 180 degrees.
    4. Step 4: loosen all the bolts an additional 180 degrees.
    5. Step 5: all bolts: 20 ft. lbs. (27 Nm).
    6. Step 6: bolts 1, 2, 3 and 4: plus 90 degrees.
    7. Step 7: bolts 5, 6, 7, and 8: 33 ft. lbs. (44 Nm).
    8. Step 8: Tighten all bolts in sequence an additional 90 degrees.
  7. Install or connect the following:

Previous Next