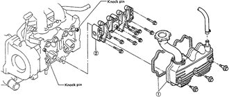
| Exploded view of the cylinder head and rocker assembly — 1.8L
and 2.2L engines
|
| Rocker shaft bolt loosening/tightening sequence — 1997–98
1.8L and 2.2L engines
|
| Rocker shaft bolt loosening/tightening sequence — 1999–01
1.8L and 2.2L engines
|
- Before servicing the vehicle, refer to the precautions in the beginning
of this section.
- Remove or disconnect the following:
- Positive Crankcase Ventilation (PCV) hose
- Rocker cover
- Valve rocker assembly by removing bolts 2 through 4 in numerical sequence
- Loosen bolt 1, but leave it engaged to retain the valve rocker assembly.
- Remove or disconnect the following:
- Bolts 5 through 8, taking care not to gouge the dowel pin
- Valve rocker assembly
To install:
- Install the valve rocker assembly on the cylinder head.
- Temporarily tighten bolts 1 through 4 equally.
NOTE: Do not allow the valve rocker assembly to gouge the
dowel pins.
- Tighten bolts 5–8 to 108 inch lbs. (12 Nm).
- Tighten bolts 1–4 to 108 inch lbs. (12 Nm).
- On 1.8L engines, adjust the valves. Refer to the valve adjustment procedure
in this section.
- Install the rocker cover and connect the PCV hose.
These engines are not equipped with either rocker shafts or rocker arms. Instead,
the camshafts act directly on the individual valves.