Oil Pan
REMOVAL & INSTALLATION
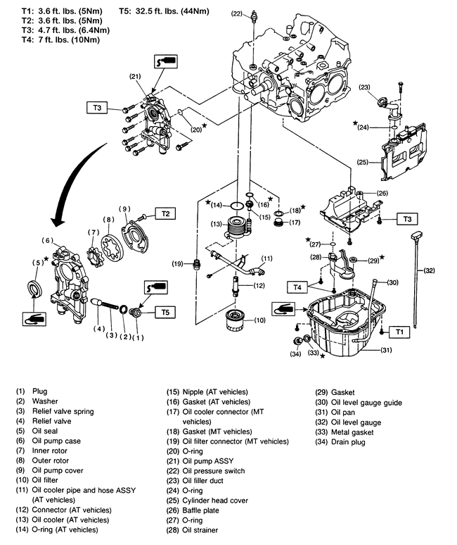
Fig. 1: Oil pan and lubrication components
Before servicing the vehicle, refer to the precautions in the beginning of this section.
Drain the oil from the engine.
Remove or disconnect the following:
Air intake duct
Oxygen (O2S) sensor connectors
Pitching stopper
Upper radiator brackets
Engine undercover
Rear O2S sensor connector, if equipped
Exhaust front Y-pipe and center pipe
Nuts which secure the front engine mounts to the front crossmember
Support the engine with a suitable lifting device and lift the engine slightly.
Remove the oil pan.
Clean all gasket material from both mating surfaces.
To install:
Install the drain plug with a new gasket. Torque the bolt to 33-36 ft. lbs. (43-47 Nm).
Apply a continuous bead of sealer to a new oil pan gasket.
Install the oil pan assembly. Torque the bolts to 36-48 inch lbs. (4-5 Nm).
Lower the engine onto the front crossmember.
Install or connect the following:
Front engine mount nuts. Torque the nuts to 69 ft. lbs. (51 Nm).
Exhaust front Y-pipe with new gaskets. Torque the nuts that secure the pipe to the engine to 23 ft. lbs. (30 Nm).
O2S sensor connectors
Pitching stopper. Torque the front bolt to 36 ft. lbs. (49 Nm) and the rear bolt to 42 ft. lbs. (57 Nm).
Upper radiator brackets
Air intake duct
Engine undercover
Refill the engine to the proper level with the recommended oil and run the engine.
Check for leaks.