Front Crankshaft Seal
REMOVAL & INSTALLATION
2.2L Engine
Fig. 1: Exploded view of the timing belt covers and components-2.2L engine
Before servicing the vehicle, refer to the precautions in the beginning of this section.
Remove or disconnect the following:
Negative battery cable
Accessory drive belts
Power steering pump and alternator
Air conditioner compressor brackets
Secure the crankshaft pulley with tool No. 499977000.
Remove or disconnect the following:
Crankshaft pulley bolt and pulley
Timing belt cover mounting bolts
Belt covers
Timing belt
Timing belt crankshaft sprocket
Crankshaft seal from the oil pump housing
To install:
Using a suitable seal driver, install a new crankshaft seal.
Install or connect the following:
Timing belt crankshaft sprocket and timing belt
Belt covers and tighten the bolts to 36-48 inch lbs. (4-5 Nm)
Crankshaft pulley and tighten the bolt to 69-76 ft. lbs. (93-103 Nm)
Power steering pump, alternator, air conditioning compressor and associated brackets
Accessory drive belts
Negative battery cable
2.5L Engine
Before servicing the vehicle, refer to the precautions in the beginning of this section.
Remove or disconnect the following:
Negative battery cable
Radiator electric fan motor wiring connectors
Coolant reservoir tank
4 bolts that secure the radiator shroud, then remove the fan assembly
Position the No. 1 piston to Top Dead Center (TDC) of its compression stroke.
Accessory drive belt cover
Air conditioning compressor drive belt and tensioner
Secure the crankshaft pulley with tool No. ST499977000.
Crankshaft pulley bolt and pulley
Left timing belt cover mounting bolts and the left cover
Right timing belt cover mounting bolts and the right cover
Center timing belt cover mounting bolts and the center cover
Timing belt
Timing belt crankshaft sprocket
Crankshaft seal from the oil pump housing
To install:
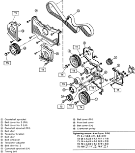
Fig. 2: Exploded view of the timing belt covers and components-2.5L engine
Install or connect the following:
New crankshaft seal, using a suitable seal driver
Timing belt crankshaft sprocket and the timing belt
Center, right, then the left timing belt covers. Tighten the bolts to 44 inch lbs. (5 Nm).
Crankshaft pulley and tighten the bolt to 94 ft. lbs. (127 Nm)
Air conditioning compressor drive belt tensioner and the drive belts
Fan shroud and fan motor assembly
Accessory drive belt cover
Negative battery cable