Previous Next

DRIVE TRAIN


Drive Train

Transaxle Assembly

REMOVAL & INSTALLATION

Manual
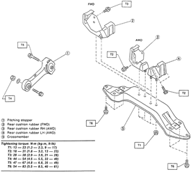
Fig. 1: Exploded view of the transaxle mounting-Impreza models

  1. Before servicing the vehicle, refer to the precautions in the beginning of this section.
  2. Remove or disconnect the following:
  3. Install engine support assembly 927670000.
  4. Support the transaxle with a jack.

    To install:

  5. Install or connect the following:
  6. Tighten the crossmember retainers to the following specifications:
    1. Step 1: T1 to 40-62 ft. lbs. (54-84 Nm).
    2. Step 2: T2 to 87-115 ft. lbs. (117-157 Nm).
  7. Remove the transmission jack.
  8. Install or connect the following:
  9. Remove the engine support.
  10. Install the pitching stopper and tighten the bolts to the following specifications:
    1. Step 1: T1 to 33-40 ft. lbs. (44-54 Nm).
    2. Step 2: T2 to 35-49 ft. lbs. (47-67 Nm).
  11. Install or connect the following:
Automatic
Fig. 2: Exploded view of the engine and transaxle mounts-Impreza and Legacy models

  1. Before servicing the vehicle, refer to the precautions in the beginning of this section.
  2. Drain the transaxle fluid.
  3. Remove or disconnect the following:
  4. Support the engine assembly with special engine support tool.
  5. Drain the transmission fluid.

    NOTE: Matchmark the installed position of the driveshaft before removal.

    NOTE: Discard the old spring pin and always install a new pin.

  6. Place a transaxle jack under the transaxle.

    NOTE: Do not place the jack under the oil pan otherwise the oil pan may be damaged.

  7. Move the torque converter and transaxle as a unit away from the engine and lower it from the vehicle.

    To install:

  8. Install or connect the following:
  9. Remove the transaxle jack from the vehicle.
  10. Remove the engine support tool and install the buffer rod.
  11. Install or connect the following:
  12. Refill and check transaxle oil level.
  13. Road test the vehicle for proper operation across all operating ranges.
 
Previous Next