To Remove:
- Before servicing the vehicle, refer to the precautions at the beginning of this section.
- Remove or disconnect the following:
To Install:
Note: Replace the gaskets with new ones.
- Install or connect the following
- Center exhaust pipe and temporarily tighten the bolts connecting the center exhaust pipe to hanger bracket and to transmission
- Center exhaust pipe to turbocharger
- Torque to: 26 ft. lbs. (35 Nm)
- Center exhaust pipe to rear exhaust pipe
- Torque to: 13 ft. lbs. (18 Nm)
- Connector to rear oxygen sensor
- Clip on crossmember
- Bolt connecting the center exhaust pipe bracket to transmission
- Torque to: 22 ft. lbs. (30 Nm)
- Bolt connecting the center exhaust pipe to hanger bracket
- Torque to: 26 ft. lbs. (35 Nm)
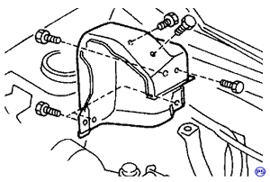
- Turbocharger lower cover, and tighten the bolts connecting the upper side of lower cover
- Torque to: 5.4 ft. lbs. (7.4 Nm)
- Turbocharger upper cover, and tighten the bolts connecting the upper side of upper cover
- Torque to: 5.4 ft. lbs. (7.4 Nm)
- Bolts which install the under side of turbocharger upper cover
- Torque to: 5.4 ft. lbs. (7.4 Nm)
- Under cover
- Intercooler bracket
- Intercooler
The center and front exhaust pipes are removed and installed as one unit. Please refer to the procedure for the front exhaust pipe.