Honda 2001 Wiring diagrams78-1
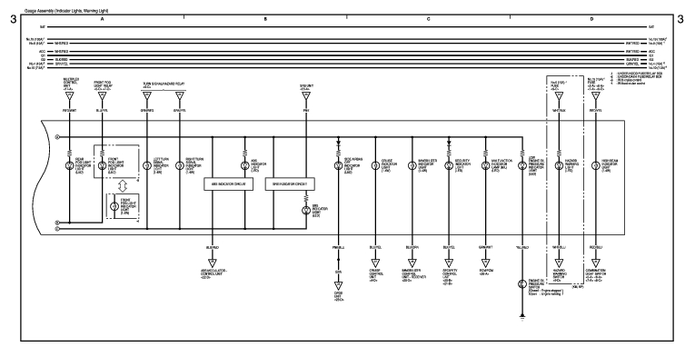
Gauge Assembly (Indicator Lights, Warning Lights) 78-10
Previous Page Next Page



Gauge Assembly (Indicator Lights, Warning Lights) 78-10




Honda 2001 Wiring diagrams78-1
Gauge Assembly (Indicator Lights, Warning Lights) 78-10
Previous Page Next Page