Honda 2001 Wiring diagrams78-1
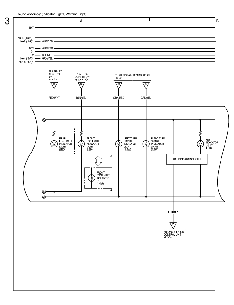
Gauge Assembly (Indicator Lights, Warning Lights) (cont'd) 78-11
Previous Page Next Page



Gauge Assembly (Indicator Lights, Warning Lights) (cont'd) 78-11




Honda 2001 Wiring diagrams78-1
Gauge Assembly (Indicator Lights, Warning Lights) (cont'd) 78-11
Previous Page Next Page