Honda 2001 Wiring diagrams78-1
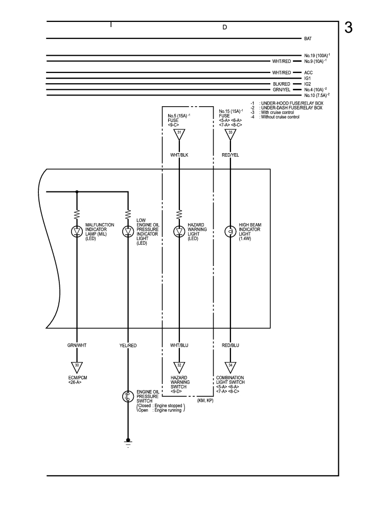
Gauge Assembly (Indicator Lights, Warning Lights) (cont'd) 78-13
Previous Page Next Page



Gauge Assembly (Indicator Lights, Warning Lights) (cont'd) 78-13




Honda 2001 Wiring diagrams78-1
Gauge Assembly (Indicator Lights, Warning Lights) (cont'd) 78-13
Previous Page Next Page