Honda 2001 Wiring diagrams78-1
Gauge Assembly (Indicator Lights, Warning Lights) (cont'd) 78-12
Previous Page Next Page



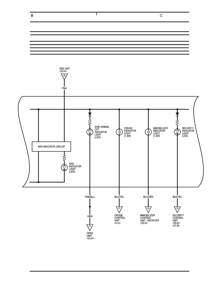
Gauge Assembly (Indicator Lights, Warning Lights) (cont'd) 78-12




Honda 2001 Wiring diagrams78-1
Gauge Assembly (Indicator Lights, Warning Lights) (cont'd) 78-12
Previous Page Next Page