Honda 2001 Wiring diagrams78-1
Exterior Lights (With Front Fog Lights, Without Front Fog Lights or Rear Fog Light) (cont'd) 78-20
Previous Page Next Page



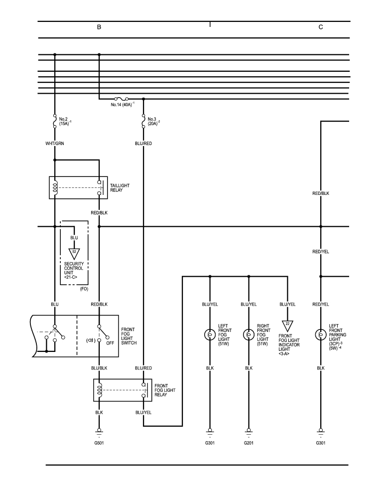
Exterior Lights (With Front Fog Lights, Without Front Fog Lights or Rear Fog Light) (cont'd) 78-20




Honda 2001 Wiring diagrams78-1
Exterior Lights (With Front Fog Lights, Without Front Fog Lights or Rear Fog Light) (cont'd) 78-20
Previous Page Next Page